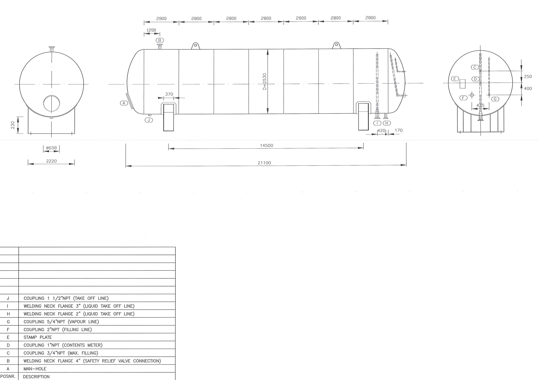
Burgemeester en wethouders van Zaltbommel – Ontwerpbesluit verlening omgevingsvergunning uitgebreid voor het plaatsen van een propaantank aan de Rijswaard 2 in Aalst. Zaaknummer: ODR2215692.

Bij deze publicatie zijn documenten digitaal ter inzage gelegd. U vindt de ter inzage gelegde documenten op deze pagina.

Publicatie Burgemeester en wethouders van Zaltbommel – Ontwerpbesluit verlening omgevingsvergunning uitgebreid voor het plaatsen van een propaantank aan de Rijswaard 2 in Aalst. Zaaknummer: ODR2215692.
Reactietermijn Verlopen
Einde reactietermijn 05-02-2026
Laatst gewijzigd 17-12-2025

Documenten 10 documenten