Handboek kabels en leidingen gemeente Someren 2025

Het college van burgemeester en wethouders van de gemeente Someren

 

b e s l u i t

 

vast te stellen het Handboek kabels en leidingen gemeente Someren 2025 en gelijktijdig het Handboek Kabels en Leidingen Gemeente Someren 2015 (besluit 04 juni 2015) en de wijziging Handboek Kabels en Leidingen gemeente Someren 2015 (besluit 11 mei 2017) in te trekken.

 

Nadere regels die van toepassing zijn voor de Verordening Ondergrondse Infrastructuur voor gemeenten binnen de Metropoolregio Eindhoven.

1. INLEIDING

 

 

Het college van burgemeester en wethouders verleent een instemmingsbesluit of een vergunning voor werkzaamheden in verband met de aanleg, instandhouding en opruiming van ondergrondse infrastructuren (kabels of leidingen), conform de geldende Verordening Ondergrondse Infrastructuur Gemeente Someren 2018 (hierna: VOI). De mandatering van medewerkers voor de afhandeling van de instemmings- en vergunningsaanvragen en de handhaving van het beleid is vastgelegd in de Algemene Mandaatregeling van de gemeente.

De instemming c.q. vergunningverlening heeft als doel zorg te dragen voor de veiligheid, de beperking van overlast, het voorkomen van schade en het borgen van de kwaliteit van de openbare ruimte.

 

Als beheerder van de openbare ruimte voert het college de regie en coördinatie bij de aanleg van kabels of leidingen van netbeheerders. Voor een goede uitoefening van deze taken zijn uitvoeringsvoorschriften vastgelegd in het Handboek Kabels & Leidingen Gemeente Someren 2025 (hierna het Handboek).

Het Handboek is van toepassing in alle gevallen waarin het college toestemming heeft verleend voor werkzaamheden ten behoeve van de aanleg, instandhouding en opruiming van kabels of leidingen in de openbare ruimte.

 

In dit Handboek zijn onder andere uniforme richtlijnen, voorwaarden en eisen gesteld ten aanzien van de voorbereiding en uitvoering van voornoemde werkzaamheden.

 

Doel van het Handboek is:

  • Het borgen en bevorderen van de kwaliteit van de (ondergrondse) openbare ruimte;

  • Het bevorderen van een juiste ordening en een veilige ligging van kabels of leidingen;

  • Het beperken van overlast en het bevorderen van een veilige omgeving voor de burgers tijdens de werkzaamheden aan kabels of leidingen;

  • Het voorkomen van schade.

 

Het Handboek bestaat uit drie onderdelen:

  • Deel A: Algemene en procedurele informatie;

  • Deel B: Technische eisen/voorschriften m.b.t. tracébepaling, ontwerp-, uitvoerings- en beheersvoorschriften.

  • De bijlagen met daarin gemeente-specifieke informatie.

 

De bijlage bevat gemeente specifieke eisen, die afwijken van de overige bepalingen in het Handboek. Voor zover de in de bijlage opgenomen bepalingen in de plaats treden, dan wel wijzigingen, aanvullen of uitbreidingen zijn van de bepalingen in dit Handboek, prevaleren de bepalingen in de bijlage boven die van het Handboek.

 

Rangbepaling van wetten, verordeningen en het Handboek:

  • 1.

    Wettelijke bepalingen zoals onder andere de Telecommunicatiewet en de Wet Informatie-uitwisseling Boven en Ondergrondse Netten en Netwerken (WIBON);

  • 2.

    Lokale regelgeving van de gemeente zoals onder andere de Algemene Plaatselijke Verordening (APV), VOI en legesverordening;

  • 3.

    Het Handboek, met verwijzingen naar verdere relevante regelgeving onder andere de meest recente Standaard RAW bepalingen, CROW-richtlijnen, NEN-normen e.d..

 

DEEL A: ALGEMENE EN PROCEDURELE INFORMATIE

 

 

2. BEGRIPPENLIJST

 

 

De begripsbepalingen van de VOI zijn van toepassing.

 

2.0. Partijen

  • a.

    coördinator

    de door het college van burgemeester en wethouders aangewezen persoon die is belast met het coördineren van alle werkzaamheden ten behoeve van kabels of leidingen namens het college;

  • b.

    college

    het college van burgemeester en wethouders;

  • c.

    grondroerder

    degene, waaronder de netbeheerder, onder wiens verantwoordelijkheid of leiding graafwerkzaamheden worden verricht;

  • d.

    netbeheerder

    de rechtspersoon die handelt als beheerder van een net of netwerk voor de levering van elektriciteit, gas, water, aardwarmte of Warmte Koude Opslag, dan wel aanbieder is van een (al dan niet openbaar) elektronisch communicatienetwerk;

  • e.

    toezichthouder

    de door het college aangewezen persoon die is belast met het houden van toezicht tijdens de uitvoering van alle werkzaamheden aan kabels of leidingen.

 

2.1. Rolverdeling

In de praktijk kan er een rolverdeling bestaan tussen de netbeheerder en de grondroerder. Soms worden die twee rollen door één en dezelfde partij vervuld.

 

Het college zal in het algemeen veel zaken rechtstreeks afhandelen met de grondroerder, echter alleen de netbeheerder is zowel financieel, operationeel als juridisch aansprakelijk en verantwoordelijk voor het (doen) opvolgen van de bepalingen in dit Handboek.

 

Het college behoudt zich wel het recht voor om in dringende gevallen ook handhavingsmaatregelen rechtstreeks met de grondroerder af te handelen en de netbeheerder daarvan op een later moment in kennis te stellen.

 

2.2. Begripsbeschrijvingen

  • a.

    as-built tekening

    ook wel revisietekening, een gewaarmerkte tekening die van kabels of leidingen die gelegd zijn de werkelijk gerealiseerde ligging aangeeft in X-, Y- en waar van toepassing Z-coördinaten volgens het Rijksdriehoek (RD-) stelsel en hoeveel kabels of leidingen gelegd zijn in een sleuf(deel);

  • b.

    bovengrondse voorzieningen

    transformator-, schakel-, verdeel- en onderstations die onderdeel uitmaken van een net of netwerk, als bedoeld in onderdeel u. van dit artikel, die bovengronds in de openbare ruimte worden geplaatst;

  • c.

    boring/persing

    het maken van een holle ruimte in de grond, met behulp van een sleufloze techniek, zonder daarbij de omringende grondslag te verwijderen;

  • d.

    breekverbod

    verbod voor het uitvoeren van breek- en graafwerkzaamheden in de grond, geldend onder andere bij extreme weersomstandigheden of evenementen;

  • e.

    calamiteit

    een incident waarbij de omgeving mogelijk grote gevolgen kan ondervinden, die niet zelfstandig kan worden afgewikkeld en waarbij gecoördineerde inzet van hulpverleningsorganisaties en diensten van verschillende disciplines is vereist om de gevolgen te beperken;

  • f.

    combiwerk

    het gecombineerd coördineren en uitvoeren van werkzaamheden van meerdere netbeheerders tegelijk op een graaflocatie. Dit zorgt voor vermindering van overlast voor burgers en minder schade omdat wegen en straten minder vaak worden opengebroken: alle noodzakelijke kabels of leidingen worden gelijktijdig of direct na elkaar aangelegd;

  • g.

    gesloten verharding

    verhardingsconstructie bestaande uit een bitumen, cement of kunststof gebonden materiaal;

  • h.

    graaflocatie

    de locatie waar (graaf)werkzaamheden worden verricht;

  • i.

    groenvoorzieningen

    het geheel van de aanplant, zoals bomen, beplanting, bosplantsoen, bloemberm, gras en gazon in een gebied;

  • j.

    handholes c.q. distributiepunten

    afsluitbare ondergrondse holle behuizing voor het onderbrengen van telecommunicatie apparatuur met toegangsluik onder de verharding of op maaiveldniveau;

  • k.

    huisaansluiting

    het gedeelte van de kabel of leiding dat een netwerk verbindt met een netwerkaansluitpunt ten behoeve van een onroerende zaak als bedoeld in artikel 16, onderdelen a tot en met e, van de Wet Waardering Onroerende Zaken;

  • l.

    instemmingsbesluit

    besluit van het college op een melding van voorgenomen werkzaamheden aan kabels ten behoeve van een openbaar elektronisch communicatienetwerk, als bedoeld in artikel 5.4, eerste lid van de telecommunicatiewet;

  • m.

    kabel- en leidingentracé

    traject in de lengterichting van de weg waarvan het college heeft bepaald waar kabels of leidingen kunnen worden gelegd;

  • n.

    kabels of leidingen

    kabels of leidingen als onderdeel van een net(werk), daaronder mede begrepen de daarmee verbonden transformator-, schakel-, verdeel- en onderstations, voorzieningen en andere hulpmiddelen, behoudens voor zover deze verbindingen en hulpmiddelen liggen binnen de installatie van een producent of van een afnemer, en ook omvattende lege buizen, ondergrondse ondersteuningswerken en beschermingswerken, elektriciteitskabels, gasleidingen, waterleidingen en kabels en leidingen ten behoeve van industriële netwerken;

  • o.

    Kadaster- sectie Klic

    afdeling van het Kadaster die uitvoering geeft aan de Wet Informatie-uitwisseling Bovengrondse en Ondergrondse Netten (WIBON) en het voorkomen van graafschade als doelstelling heeft en ook zorgdraagt voor de uitwisseling van kabel- of leidinggegevens (Klic-meldingen);

  • p.

    leggen van kabels of leidingen

    het aanbrengen, leggen, onderhouden, omleggen, vernieuwen, herstellen en verwijderen van ondergrondse infrastructuur en het verrichten van de hierbij behorende werkzaamheden;

  • q.

    ligging

    de werkelijke plaats van een kabel of leiding. Deze wordt aangegeven op een as-built tekening;

  • r.

    mantelbuis

    beschermbuis van staal of kunststof om een kabel of leiding;

  • s.

    marktconforme kosten

    kosten zoals deze onder normale omstandigheden in een markteconomie op de desbetreffende markt worden gemaakt;

  • t.

    montagegat c.q. lasgat

    opbreking van maximaal 2 m², die wordt gemaakt t.b.v. de toegang tot een handhole, plaatsen van afsluiters, het opgraven van een kabelrol t.b.v. klantaansluitingen, het maken van aftakkingen, voor het herstellen van kabel c.q. leidingstoringen of voor inspectiedoeleinden;

  • u.

    net of netwerk

    een ondergrondse kabel of leiding, daaronder mede begrepen lege buizen, ondergrondse ondersteuningswerken en beschermingswerken, bestemd voor transport van vaste, vloeibare of gasvormige stoffen, van energie of van informatie;

  • v.

    omwonenden

    de bewoners en bedrijfsmatige gebruikers van alle percelen, grenzend aan het tracé van kabels of leidingen;

  • w.

    openbare gronden

    openbare gronden, als genoemd in artikel 1.1, onder aa, van de Telecommunicatiewet;

  • x.

    open verharding

    verharding bestaande uit elementen, waar onder bijzondere (sier)bestrating, of andere ongebonden materialen al of niet op een puinfundering, waaraan geen bindmiddel is toegevoegd;

  • y.

    opslag

    vrijgekomen sleufmaterialen die tijdelijk worden opgeslagen, meestal naast de sleuf;

  • z.

    opslagterrein

    de tijdelijke stallingsplaats van haspels, vracht-, directie- of materiaalwagens, materialen etc. op openbaar terrein;

  • aa.

    registratiesysteem

    geautomatiseerd systeem van het college waarin instemmingen of meldingen van (graaf)werkzaamheden aan kabels of leidingen en alles wat daarmee samenhangt worden verwerkt door of namens het college of de grondroerder;

  • ab.

    sleuf

    de opening in de ondergrond die ontstaat door het verwijderen van verharding of grond ten behoeve van het leggen van ondergrondse infrastructuur;

  • ac.

    spoedeisende werkzaamheden

    reparatie of onderhoudswerk waarvan uitstel niet mogelijk is als een ernstige belemmering of storing in de dienstverlening via het betreffende net is opgetreden;

  • ad.

    standaarddwarsprofiel

    het door het college vastgestelde en voor de netbeheerder verplichte schema voor de ligging van ondergrondse infrastructuur in de openbare grond;

  • ae.

    uitvoeringsvoorschriften

    uitvoeringsvoorschriften volgens het Handboek

  • af.

    vergunning

    vergunning die op aanvraag verleend kan worden voor voorgenomen werkzaamheden aan kabels of leidingen;

  • ag.

    werken

    een constructie, of werkzaamheden, niet zijnde een gebouw, die op de plaats van bestemming hetzij direct of indirect met de grond verbonden is, hetzij direct of indirect steun vindt in of op de grond;

  • ah.

    werkzaamheden

    handmatige of mechanische (graaf)werkzaamheden, inclusief het opbreken en herstel van de sleufverharding, in de openbare grond in verband met de aanleg, instandhouding en opruiming van kabels of leidingen;

  • ai.

    werkzaamheden van niet ingrijpende aard

    • 1.

      het aanbrengen of verwijderen van kabels of leidingen in reeds aangebrachte voorzieningen; reparaties of onderhoudswerk aan kabels of leidingen met een gezamenlijke lengte van minder dan vijfentwintig (25) meter en niet vallend onder spoedeisende werkzaamheden;

    • 2.

      Het maken van (huis)aansluitingen, waarbij geen verhardingen of groenvoorzieningen worden gekruist, tot een gezamenlijke lengte van vijfentwintig (25) meter;

    • 3.

      Het maken van een montagegat of lasgat, dat wil zeggen; een opbreking met een afmeting van maximaal 2 m², die wordt gemaakt ten behoeve van het plaatsen van een handhole, de toegang tot een handhole, plaatsen van afsluiters, het opgraven van een kabelrol ten behoeve van klantaansluitingen, het maken van aftakkingen, voor het herstellen van kabel- of leidingstoringen of voor inspectiedoeleinden;

  • aj.

    WIBON

    de Wet Informatie-uitwisseling Bovengrondse en Ondergrondse Netten en Netwerken (WIBON) verplicht de grondroerder om, vóór het werk met mechanische grondroeringen begint, de tekeningen van alle aanwezige ondergrondse infrastructuur te raadplegen. De grondroerder doet hiertoe een graafmelding c.q. oriëntatiemelding bij het Kadaster- sectie Klic.

    Tevens verplicht de WIBON de leidingbeheerder en grondroerder om direct na het leggen van ondergrondse infrastructuur de liggingsgegevens van deze leidingen digitaal beschikbaar te hebben voor raadpleging en bij het aantreffen van onbekende kabels of leidingen deze te melden bij het Kadaster- sectie Klic.

 

2.3. Verwijzingen

In dit Handboek wordt op diverse onderdelen verwezen naar normen en richtlijnen die van toepassing zijn op de uit te voeren werkzaamheden. Hieronder een beknopte omschrijving:

 

NEN (Nederlands Normalisatie instituut)

Het Nederlands Normalisatie instituut helpt bedrijven en andere partijen om onderling heldere en toepasbare afspraken te maken. NEN draagt bij aan veiligheid, gezondheid, milieu en innovatie.

Bedrijfsleven en andere partijen maken in normcommissies zelf afspraken over producten en werkwijzen. NEN bemiddelt in het afwegen van de verschillende belangen en zorgt voor neutrale procesbegeleiding. NEN biedt direct toegang tot Europese (NEN-EN) en mondiale normalisatieplatforms.

De NPR (Nederlandse Praktijk Richtlijnen) geeft toelichting op en aanwijzingen voor het verantwoord gebruik van de NEN- (nationaal) en NEN-EN (Europees) normen.

 

CROW (oorspronkelijk: Centrum voor Regelgeving en Onderzoek in de Grond-, Water- en Wegenbouw en de Verkeerstechniek)

 

CROW is het nationale kennisplatform voor infrastructuur, verkeer, vervoer en openbare ruimte. Deze stichting zonder winstoogmerk ontwikkelt, verspreidt en beheert praktisch toepasbare kennis voor beleidsvoorbereiding, planning, ontwerp, aanleg, beheer en onderhoud. Dat gebeurt in de vorm van handleidingen, richtlijnen en aanbevelingen en in samenwerking met alle belanghebbende partijen, waaronder Rijk, provincies, gemeenten, adviesbureaus, uitvoerende bouwbedrijven in de grond-, water- en wegenbouw, toeleveranciers en vervoerorganisaties.

 

RAW (Rationalisatie en Automatisering in de Grond-, Water- en Wegenbouw)

De RAW-systematiek, beheerd en onderhouden door CROW, is sinds jaar en dag de standaard voor bestekken in de grond-, water- en wegenbouw (GWW). Bij de meeste werken in de GWW wordt de systematiek gevolgd.

Alle relevante (technische) eisen uit de meest recente Standaard RAW bepalingen voor o.a. grondwerken, groenvoorzieningen, sleuf- en sleufloze technieken en leiding- en kabelwerk zijn leidend betreffende de uitvoeringsmethodiek.

 

VCA (Veiligheid Checklist Aannemers)

VCA is bedoeld om aannemers veiliger te laten werken en het aantal ongevallen te verminderen. VCA biedt een concrete en praktische invulling van wettelijke regelingen of vult deze aan. Elke VCA gecertificeerde aannemer voldoet aantoonbaar aan een aantal verplichtingen uit de Arbowet.

 

Norminstituut bomen

Het Norminstituut Bomen heeft als doel de kwaliteitszorg rond bomen te verbeteren. Het instituut ontwikkelt en standaardiseert kwaliteitseisen, richtlijnen en normen voor werkzaamheden in, rond en met bomen. De bomenposter 'Werken rond bomen' toont de kwetsbare boomzone direct rond een boom en laat zien welke belangrijke randvoorwaarden er gelden binnen deze kwetsbare boomzone voor de uitvoering van werkzaamheden.

 

3. BEREIKBAARHEID, VERKEERSMAATREGELEN, OVERLASTBEPERKING

 

 

3.1. Bereikbaarheid aangrenzende gebouwen

  • 1.

    De (graaf)werkzaamheden dienen qua tijd en uitvoeringswijze zodanig te worden gepland dat de bereikbaarheid van woningen, bedrijven, winkels en overige gebouwen (verder: objecten) voor (mindervalide) voetgangers, (brom) fietsers, gemotoriseerd (bestemmings-)verkeer en hulp- en afvalophaaldiensten, in overleg met de betrokkenen, altijd zo veel mogelijk in stand gehouden wordt. Dit geldt ook in doodlopende straten of openbare woonerven.

     

    Verder geldt:

    • Verkeer moet in beginsel om het werkvak heen kunnen rijden.

    • Indien het onvermijdelijk is dat een straat toch volledig afgesloten wordt, dan wordt dit tenminste 20 werkdagen voor aanvang van de werkzaamheden afgestemd met de coördinator, na goedkeuring van de coördinator worden de hulpdiensten hierover tenminste 10 werkdagen voor aanvang van de werkzaamheden geïnformeerd;

    • Brandkranen, afsluitingen van water, gas en dergelijke blijven zichtbaar en toegankelijk;

De minimale doorrijbreedte voor hulpvoertuigen is minimaal 3,5 m en wordt altijd gewaarborgd.

  • 2.

    Voor (mindervalide) voetgangers en (brom) fietsers is het toepassen van stevige loopplanken ter plaatse van de toegang en (nood)uitgang naar objecten een minimale vereiste. De loopplanken worden vlak en aansluitend aan elkaar geplaatst. Hierbij wordt tevens rekening gehouden met een goede toegankelijkheid voor hulpmiddelen zoals rollators, rolstoelen en scootmobielen.

  • 3.

    Indien een beperking van de bereikbaarheid onvermijdelijk is en tot gevolg heeft dat:

    • de hulp- en afvalophaaldiensten objecten niet voldoende kunnen naderen;

    • de bevoorrading van winkels en bedrijven anders dan normaal moet worden geregeld;

    • met de betrokkenen, aanwonenden of andere belanghebbenden geen overeenstemming kan worden bereikt over de beperking van de bereikbaarheid;

overlegt de grondroerder minimaal 20 werkdagen vooraf, met de toezichthouder zodat tijdig afspraken gemaakt kunnen worden om de juiste maatregelen te nemen.

 

3.2. Maatregelen in het belang van het verkeer

  • 1.

    Ten behoeve van de verkeersmaatregelen zijn de meest recente Standaard RAW bepalingen van toepassing en de CROW uitgaven 96.

  • 2.

    Als het college het noodzakelijk acht, bijvoorbeeld wanneer vanwege de werkzaamheden een belangrijke verkeersweg moet worden afgesloten, kan de gemeente de grondroerder verplichten om de werkzaamheden zo veel mogelijk in de weekeinden, avonduren of ´s nachts uit te voeren. Indien een straat volledig afgesloten moet worden dient dit tenminste 20 werkdagen voor aanvang van de werkzaamheden afgestemd te worden met de coördinator. Na goedkeuring van de coördinator worden de hulpdiensten, door de Gemeente, hierover tenminste 10 werkdagen voor aanvang van de werkzaamheden geïnformeerd.

  • 3.

    Tijdens de verkeersspits (6:00 tot 9:00 uur en 16:00 tot 18:00 uur) vinden er geen werkzaamheden op of langs hoofdwegen of gebiedsontsluitingswegen (zie bijlage 10.2) plaats. Indien de grondroerder aantoonbaar zorgt voor een goede verkeersdoorstroming en verkeersafwikkeling kan met de toezichthouder anders wordt overeengekomen.

  • 4.

    Ten behoeve van de bereikbaarheid voor gemotoriseerd (bestemmings-)verkeer kan toepassing van tijdelijke verkeersmaatregelen of aanbrengen tijdelijke verkeersvoorzieningen (zoals rijplaten, tijdelijke waterkruisingen of doorsteken door groenstroken en dergelijke) noodzakelijk zijn. Bermen en gazons worden door de grondroerder altijd beschermd tegen spoorvorming.

  • 5.

    De vereiste verkeersmaatregelen t.b.v. omleidingen of werkzaamheden bij stationaire wegafzettingen over een lengte groter dan 250 m¹ of gedurende meer dan 5 werkdagen, bij hoofdwegen, kruispunten, voet- en fietspaden, e.d. worden door de grondroerder vastgelegd in een gedetailleerd verkeers- werk- en tijdsplan en dit wordt ter goedkeuring voorgelegd aan het college, minimaal 20 werkdagen voor aanvang van de werkzaamheden.

  • 6.

    Als de door de grondroerder uit te voeren werkzaamheden begeleid dienen te worden door tijdelijke verkeersregelinstallaties (VRI), dan meldt de grondroerder dit vooraf bij het college. Binnen 15 werkdagen na melding wordt dit door het college beoordeeld. Aanwijzingen e.d. van het college worden door de grondroerder opgevolgd voordat de tijdelijke VRI in gebruik wordt genomen.

  • 7.

    De verkeersvoorzieningen mogen maximaal 72 uur voor aanvang van de werkzaamheden, met de voor- of beeldzijde afgedraaid van het verkeer, worden aangebracht. De verkeersvoorzieningen worden niet aan b.v. lichtmasten bevestigd en ontnemen het zicht op de overige bebording en het zicht van eventuele camera’s niet. De verkeersvoorzieningen worden op de dag van aanvang van de werkzaamheden met de voor- of beeldzijde naar het verkeergeplaatst.

  • 8.

    Verkeersvoorzieningen die (tijdelijk) geen dienst (meer) doen worden meteen verwijderd c.q. afgedraaid of afgedekt tot het tijdstip dat deze weer nodig zijn.

  • 9.

    De (onder)aannemer die de verkeersvoorzieningen op zet of verwijdert is in het bezit van een KOMO-procescertificaat op basis van de BRL-9101 conform het KIWA Reglement voor Procescertificatie.

  • 10.

    Indien tijdelijke verkeersvoorzieningen in een verharding aangebracht moeten worden, wordt het te verwijderen verhardingsmateriaal afgevoerd en na verwijdering van de verkeersmaatregel weer terug aangebracht.

  • 11.

    De grondroerder zorgt voor de instandhouding van de verkeersvoorzieningen, ook buiten de normale werktijden en zorgt, indien van toepassing, voor een zo spoedig mogelijk herstel. Dit geldt ook voor eventueel de het college geplaatste verkeersvoorzieningen. Eventuele aanwijzingen van een toezichthouder met betrekking tot verkeersmaatregelen worden meteen opgevolgd.

  • 12.

    Het college kan vanwege verkeerstechnische redenen de grondroerder verplichten bouwhekken te plaatsen rondom ontgravingen.

  • 13.

    Plaatsing van onverlichte obstakels voldoen aan CROW publicatie 130, “richtlijn voor het markeren van onverlichte obstakels” (ISBN 90 6628 283 5).

  • 14.

    Alle werkzaamheden moeten binnen de verkeersafzetting plaatsvinden.

 

3.3. Maatregelen ten behoeve van de overlastbeperking

  • 1.

    Het is niet toegestaan om op zaterdagen, zondagen en nationale feestdagen geplande werkzaamheden uit te voeren in de openbare ruimte. De sleuf, inclusief verharding, moet volledig afgewerkt zijn en er mag geen puin en/of afval meer binnen de werkomgeving aanwezig zijn.

  • 2.

    Het is niet toegestaan om op werkdagen voor 7.00 uur en na 17.00 uur geplande werkzaamheden uit te voeren in de openbare ruimte.

  • 3.

    Op vrijdag of de dag voorafgaande aan een nationale feestdag of een vakantieperiode van de grondroerder wordt om uiterlijk 12.00 uur het graven van sleuven en het trekken of leggen van kabels of leidingen, etc. gestaakt. De sleuf wordt aangevuld en verdicht en de verharding wordt weer aangebracht. Uiterlijk om 16:00 uur zijn alle werkzaamheden gereed en de werkomgeving is opgeruimd.

  • 4.

    Het derde lid is overeenkomstig van toepassing op de dag voorafgaande aan alle door de burgemeester vergunde evenementen (kermis, (jaar)markt, etc., incl. de opbouw- en afbreekperiode) op de evenementenlocatie en de directe omgeving daarvan.

  • 5.

    Het eerste tot en met het vierde lid gelden, tenzij er met de coördinator of toezichthouder afwijkende afspraken worden gemaakt.

  • 6.

    Voor zonsondergang zijn alle ontgravingen gedicht en ter plaatse van wegkruisingen, inritten e.d. van een provisorische verharding voorzien. Hiervan wordt alleen afgeweken in bijzondere gevallen en uitsluitend met goedkeuring van de toezichthouder. Wanneer sleuven of lasgaten na zonsondergang niet zijn gedicht, worden deze afgezet door een deugdelijke omheining voorzien van de voorgeschreven bebakening en verlichting.

  • 7.

    De grondroerder doet alles wat verwacht mag worden en wat redelijkerwijs mogelijk is om hinder als gevolg van b.v. lawaai, stank, modder, e.d. veroorzaakt door voertuigen, machines, apparaten, etc. tot een aanvaardbaar niveau te beperken.

    In aanvulling op het bepaalde in de ‘Circulaire Bouwlawaai 1991’ van de Minister van Volksgezondheid en Milieuhygiëne geldt het volgende:

    De te gebruiken graafmachines, aggregaten, compressoren etc. worden op ruime afstand van de bestaande bebouwing opgesteld en zodanig zijn afgeschermd, dat de geluidssterkte van 7.00 uur tot 17.00 uur op 7 meter afstand van de geluidsbron niet meer is dan 80 dB(A) en van 17.00 uur tot 7.00 uur, aan de gevel op 1,50 m1 hoogte gemeten niet meer is dan 40 dB(A).

    Bij werkzaamheden in de nabijheid van religieuze gebouwen en begraafplaatsen tijdens erediensten c.q. uitvaarten betracht de grondroerder het nodige respect, beperkt bouwlawaai en zeker geen elektronische muziek. Een en ander in overleg met de toezichthouder. De grondroerder stelt zich vooraf op de hoogte van de plaatselijke gebruiken.

  • 8.

    Indien het grondroerder bij hoge uitzondering door het college wordt toegestaan of verplicht om op zaterdagen, zondagen, nationale feestdagen of ’s avonds c.q. ‘s nachts te werken is de grondroerder verplicht alle nadere aanwijzingen van het college op te volgen en zelf zorg te dragen voor eventuele benodigde aanvullende vergunningen of ontheffingen.

 

4. COMMUNICATIE, MELDINGEN EN BREEKVERBOD

 

 

4.1. Communicatie op de graaflocatie, (bouw)overleg

  • 1.

    Namens de grondroerder dient er altijd één aan te spreken verantwoordelijke persoon beschikbaar te zijn. De naam van deze persoon moet bij alle betrokken partijen bekend zijn. Deze persoon moet controleren en verifiëren of alle gespecificeerde materialen worden toegepast en of de werkzaamheden worden uitgevoerd volgens de tracétekeningen en de gemaakte afspraken, en dat de uitvoering volgens het instemmingsbesluit of de vergunning verloopt. Hij geeft direct informatie en verleend medewerking indien de toezichthouder daarom vraagt.

  • 2.

    De netbeheerder en de grondroerder zorgen ervoor dat de sleutelfunctionarissen in de gehele projectorganisatie de Nederlandse taal voldoende beheersen in woord en geschrift.

  • 3.

    De grondroerder nodigt bij alle bouwvergaderingen die worden gehouden de coördinator of toezichthouder uit. Van deze vergaderingen maakt de grondroerder notulen op en stuurt deze binnen 5 werkdagen naar de deelnemers. Deze notulen worden op de gebruikelijke wijze beoordeeld en vastgesteld door de vergadering.

  • 4.

    Bij (grootschalige) projecten die een bovengemiddelde impact hebben op de openbare ruimte en de veiligheid van de leefomgeving, kan er op initiatief van het college op regelmatige tijden een voortgangsoverleg met alle betrokken partijen worden vereist. Van deze vergaderingen maakt het college notulen op en stuurt deze binnen 5 werkdagen naar de deelnemers. Deze notulen worden op de gebruikelijke wijze beoordeeld en vastgesteld door de vergadering.

  • 5.

    Voorafgaand aan alle werkzaamheden stelt de grondroerder de belanghebbenden en omwonenden schriftelijk op de hoogte met een bewonersbrief. Deze brief wordt minimaal 5 werkdagen voor de start van de werkzaamheden bezorgd. Het college kan vragen om deze bewonersbrief voorafgaand aan de bezorging aan haar te overhandigen.

In de bewonersbrief wordt in ieder geval informatie gegeven over:

  • Het moment van de uitvoering (datum en tijdstippen);

  • De duur van de voorgenomen werkzaamheden;

  • De bereikbaarheid van de woonomgeving;

  • De plaats van de voorgenomen werkzaamheden (straatnamen);

  • De te verwachten hinder en overlast;

  • De opdrachtgever van de voorgenomen werkzaamheden;

  • De contactpersoon van het coördinerend bedrijf incl. contactgegevens.

 

4.2. Melding aanvang en einde werk

  • 1.

    De grondroerder meldt de aanvang van zijn werkzaamheden minimaal 5 werkdagen (conform VOI artikel 2.2, lid 5, c.q. artikel 3.2, lid 4) van tevoren per gemeentelijk digitaal meldsysteem, bij het college, met opgave van graaflocaties en uitvoeringsdatum. Dit geldt tevens voor werkzaamheden waarvoor door het college al een instemmingsbesluit of een vergunning is afgegeven.

  • 2.

    Zodra de werkzaamheden zijn uitgevoerd meldt de grondroerder na (gezamenlijke) oplevering de werkzaamheden per gemeentelijk digitaal meldsysteem, gereed bij het college. De werkzaamheden zijn gereed wanneer:

  • de werkomgeving op een correcte wijze is hersteld en in opgeruimde staat is achtergelaten;

  • de straatwerk bonnen allemaal (digitaal) zijn ingeleverd;

  • de klachten van omwonenden of bedrijven etc. zijn opgelost;

  • 3.

    Spoedeisende werkzaamheden worden per gemeentelijk digitaal meldsysteem, voorafgaand aan de start van de werkzaamheden gemeld. Als een melding vooraf niet mogelijk is, wordt de melding uiterlijk voor 9:00 uur op de eerste werkdag na de start van de uitvoering gemeld. Indien voor spoedeisende werkzaamheden c.q. calamiteiten een wegafsluiting noodzakelijk is worden de hulpdiensten per direct ingelicht door de grondroerder.

  • 4.

    De melding bevat tenminste de volgende gegevens:

    • A.

      Adres van werkzaamheden;

    • B.

      Naam van de grondroerder;

    • C.

      Naam van netbeheerder inclusief naam contact persoon en telefoonnummer.

 

4.3. Breekverbod en Graafverbod

  • 1.

    Behoudens spoedeisende werkzaamheden is het tijdens een breek- c.q. graafverbod niet toegestaan in de openbare ruimte de verharding (in eigendom en beheer van het college) op te breken of aan te brengen dan wel graafwerkzaamheden uit te voeren.

  • 2.

    Het college kan een breek- en/of graafverbod instellen bij weersomstandigheden waarbij de uitvoering van de werkzaamheden tot overlast voor de bewoners of schade voor het college kan leiden, bijvoorbeeld bij vorst, maar ook bij wateroverlast, zware sneeuwval of ijzel. Onder andere breuk van vastgevroren bestratingsmateriaal of niet goed kunnen verdichten van de ondergrond wordt voorkomen door het instellen van het breek- en/of graafverbod.

  • 3.

    Tijdens alle door de burgemeester vergunde evenementen (kermis, (jaar)markt, etc., incl. de opbouw- en afbreekperiode) is het breek- en/of graafverbod op de evenementenlocatie en de directe omgeving daarvan altijd van kracht. De grondroerder houdt hiermee rekening en vraagt daartoe tijdig de evenementenkalender op. Na afloop van het evenement kan de grondroerder zijn werkzaamheden op de gebruikelijke wijze hervatten.

  • 4.

    Het college kan een breek- en/of graafverbod instellen voor beperking van overlast voor bijvoorbeeld winkeliers.

  • 5.

    Behoudens het bepaalde in het derde lid geeft het college in alle gevallen aan wanneer het breek- en/of graafverbod van toepassing is en het college geeft tijdig of in ieder geval 1 werkdag van te voren aan wanneer het breek- en/of graafverbod weer is opgeheven. De grondroerder houdt zich aan het verbod en de werkzaamheden worden na beëindiging van het verbod pas weer hervat.

 

5. AANSPRAKELIJKHEID, SCHADE, VERZEKERINGEN EN VEILIGHEID

 

 

5.1. Aansprakelijkheid

  • 1.

    Ongeacht de instemming- of vergunningsverlening door het college of goedkeuring door andere bevoegde instanties, is de grondroerder tegenover de gemeente of derden aansprakelijk voor schade als gevolg van de uitvoering van het werk.

  • 2.

    De aanleg, instandhouding en de opruiming van kabels of leidingen geschiedt op een zodanige wijze dat het beheer van kabels of leidingen van andere netbeheerders niet in gevaar wordt gebracht of zonder noodzaak wordt bemoeilijkt. Als hiermee in strijd wordt gehandeld neemt de grondroerder maatregelen ten aanzien van de betreffende kabels of leidingen, waaronder zo nodig het verplaatsen daarvan, om aan die strijdigheid direct een einde te maken.

  • 3.

    De grondroerder vrijwaart het college voor alle aanspraken van derden wegens schade, die het gevolg is van het (ver)leggen, verwijderen, repareren en dergelijke van kabels of leidingen.

  • 4.

    De grondroerder is aansprakelijk voor alle schade aan gemeente-eigendommen die het gevolg zijn van het (ver)leggen, verwijderen, repareren en dergelijke van kabels of leidingen. Bij gecombineerde kabel- of leidingaanleg zijn de deelhebbende netbeheerders hoofdelijk aansprakelijk tegenover de gemeente.

  • 5.

    Het bepaalde in het derde en vierde lid geldt ook indien het (ver)leggen c.q. verwijderen van kabels of leidingen wordt uitgevoerd in opdracht of op verzoek van het college.

  • 6.

    Indien een grondroerder een kabel c.q. leidingtracé wil aanleggen in een gebied waarvan vooraf is vastgesteld dat de bodem verontreinigd is, dan vervalt elke aansprakelijkheid van het college. Het college heeft in die situatie geen saneringsplicht.

  • 7.

    Het risico voor het afvoeren en aanvoeren van bouwstoffen ligt altijd bij de grondroerder. De grondroerder voldoet daarbij aan alle eisen en (milieu-)voorschriften.

 

5.2. Schade

  • 1.

    De grondroerder neemt alle redelijkerwijs mogelijke maatregelen om te voorkomen dat schade wordt toegebracht aan eigendommen van de gemeente of derden.

  • 2.

    Wordt er desondanks schade aan eigendommen van de gemeente of derden (bijvoorbeeld: kabels en leidingen van andere netbeheerders, verkeersborden, groenvoorzieningen, eigendommen van particulieren enzovoorts) toegebracht dan geeft de grondroerder dit zo spoedig mogelijk, in elk geval binnen 24 uur, schriftelijk door aan de toezichthouder of aan belanghebbende derden.

  • 3.

    Bij schade aan eigendommen van de gemeente beslist het college of zij de schade laat herstellen op kosten van de grondroerder, of dat de grondroerder de schade voor eigen rekening zelf mag herstellen, of dat de grondroerder de schade aan het college dient te vergoeden.

  • 4.

    Schades die het college als gevolg van kabel- of leidingwerkzaamheden lijdt worden door de grondroerder hersteld c.q. vergoed. De situatie van de ondergrond, de verharding (inclusief bijzondere (sier)bestrating) en groenvoorzieningen wordt teruggebracht in de oorspronkelijke staat. Het college accepteert geen verslechtering.

  • 5.

    Indien binnen 5 jaar na groot onderhoud of herinrichting van openbare gronden een grondroerder werkzaamheden moet uitvoeren, wordt voorafgaand aan de werkzaamheden met de coördinator overlegd over de wijze waarop de grondroerder de vereiste kwaliteit wil bereiken en kan garanderen. Indien de door het college gewenste duurzame kwaliteit niet kan worden gegarandeerd kan het college eisen dat de kabels of leidingen via een ander tracé worden gelegd of dat de verharding over een grotere of volle breedte opnieuw wordt gelegd.

  • 6.

    Niet alle schades die het college als gevolg van kabel- of leidingwerkzaamheden lijdt worden door de vastgestelde hersteltarieven gedekt. Dit is het geval bij:

  • Schade bij groenwerkzaamheden:

  • Werkzaamheden waarbij de overlevingskans van de aanwezige beplanting gering is en dus moet worden vervangen;

  • Werkzaamheden waarbij binnen de kroonprojectie van bomen moet worden gewerkt;

  • Aantasting van de (ecologische) kwaliteit van de groeiplaats.

 

In deze gevallen kunnen al vóór aanvraag van het instemmingsbesluit of de vergunning specifieke afspraken tussen het college en de grondroerder worden gemaakt. Afhankelijk van de omvang van het werk kan in de voorwaarden "het 1e jaaronderhoud groen" en/of "inboet beplanting na het 1e groeiseizoen" worden voorgeschreven. De gemaakte afspraken worden vastgelegd in het instemmingsbesluit of in de vergunning.

 

De schade aan bomen wordt achteraf vastgesteld op basis van de Richtlijnen NVTB (Nederlandse Vereniging van Taxateurs van Bomen). De grondroerder wordt aansprakelijk gesteld voor het schadebedrag.

 

  • Schade die ontstaat buiten de werkomgeving:

Van schade die ontstaat buiten de werkomgeving van de grondroerder is sprake als ten gevolge van werkzaamheden schade ontstaat aan materialen, lichtmasten, verkeersregelinstallaties (VRI’s), geparkeerde auto's, e.d. Voor zover het gemeentelijke eigendommen betreft, zal het college deze schade verhalen op grondroerder. Afhankelijk van de specifieke situatie kan het wenselijk zijn dat er voorafgaand aan de werkzaamheden een gezamenlijke (toezichthouder en grondroerder) schouw van de werkomgeving plaatsvindt. De bevindingen worden vastgelegd door de grondroerder.

 

  • Verborgen gebreken:

Verborgen gebreken zijn bijvoorbeeld buitenproportionele verzakking van opgeleverd en goedgekeurd hersteld straatwerk. In dergelijke gevallen heeft de grondroerder 1 werkweek na eerste aanzegging van het college de tijd om de verharding opnieuw te herstellen. Indien de grondroerder niet tijdig voor herstel heeft zorg gedragen doet het college dit zelf.

Als norm voor "buitenproportioneel" wordt een verzakking aangehouden van meer dan 0,03 m, welke zich binnen 1 jaar na het eerste herstel voordoet (= CROW-norm voor "ernstige schade").

  • 7.

    Aanstootgevende graffiti, leuzen, posters en dergelijke die aangebracht zijn op bovengrondse voorzieningen die eigendom zijn van netbeheerders worden per 1e aanzegging en binnen 24 uur door of in opdracht van de netbeheerder verwijderd.

 

5.2.1. Vergoeding van herstelkosten

  • 1.

    Indien vooraf tussen het college en de grondroerder de afspraak is gemaakt dat het college zelf zorg draagt voor de herstelwerkzaamheden van verharding of groenvoorzieningen brengt het college de marktconforme kosten in rekening bij de grondroerder. Hierin is begrepen inboet, degeneratie, toezicht en onderhoud door het college.

  • 2.

    Indien het college conform hoofdstuk 6 van dit Handboek handhavend optreedt, worden alle kosten die daaruit voortvloeien in rekening gebracht bij de grondroerder.

  • 3.

    De grondroerder draagt de kosten voor herstel- en/of degeneratie- en beheerskosten die berekend worden conform de vigerende hersteltarieven. Nadat de toezichthouder de hoeveelheid hersteld straatwerk of te herstellen asfalt heeft vastgelegd, ontvangt de netbeheerder een factuur voor de vastgestelde kosten. Het hersteltarievenblad wordt jaarlijks geïndexeerd.

  • 4.

    Alle (extra) kosten 1 die door de grondroerder of het college gemaakt moeten worden vanwege werkzaamheden m.b.t. kabels of leidingen, calamiteiten of een gevolg zijn van de voorwaarden en eisen die zijn opgenomen in de VOI, de nadere regels, het instemmingsbesluit of in de vergunning komen altijd voor rekening van de grondroerder c.q. de netbeheerder.

 

5.3. Verzekeringen

  • 1.

    De grondroerder sluit een verzekering af, bijvoorbeeld een Construction All Risk verzekering (CAR), welke voldoende dekking biedt tegen:

    • beschadiging, verlies of vernietiging van het werk, waaronder de voor het werk bestemde materialen;

    • het risico van aansprakelijkheid voor schade aan goederen van derden, en de daaruit voortvloeiende gevolgschade, en voor overlijden of lichamelijk letsel van personen, veroorzaakt door de uitvoering van het werk.

  • 2.

    De dekking van de verzekering loopt minstens vanaf de dag dat het werk start tot het eind van de onderhoudsperiode. Het college hanteert een standaard onderhoudstermijn van 12 maanden.

  • 3.

    Onverminderd het bepaalde in het eerste en tweede lid van dit artikel dragen de grondroerder en haar (onder)aannemers zorg voor de verzekeringen tegen schade als gevolg van Wettelijke Aansprakelijkheid welke voortvloeit uit het gebruik van aannemersmateriaal bij de uitvoering van het werk.

  • 4.

    Rij- of voertuigen waarvoor een verzekeringsplicht krachtens de Wet Aansprakelijkheidsverzekering Motorvoertuigen (WAM) geldt, zijn overeenkomstig de voorschriften van de WAM, en tegen het werkrisico verzekerd. Alleen door de in de vorige zin bedoelde verzekering gedekte rij- of voertuigen worden voor het werk gebruikt.

 

5.4. Veiligheid en Calamiteiten

  • 1.

    Alle werkzaamheden worden uitgevoerd met inachtneming van de geldende wet- en regelgeving ten aanzien van veiligheid en arbeidsomstandigheden (bijvoorbeeld bij extreem lage of hoge gevoelstemperaturen mogen werknemers niet doorwerken). De voorschriften die op dit gebied van kracht zijn (zie: www.arboportaal.nl) zijn op het werk beschikbaar en de betrokken werknemers worden volledig geïnstrueerd. Tevens zijn alle (onder)aannemers VCA gecertificeerd. De grondroerder is verantwoordelijk voor de naleving hiervan.

  • 2.

    Conform de vereisten uit de VCA en de Arbowet is er voor de aanvang van de werkzaamheden een Veiligheids-, Gezondheids- en Milieuplan (VG&M plan) opgesteld door de grondroerder. Wanneer er geen VG&M plan wordt opgesteld door de grondroerder geeft de grondroerder aan het college voorafgaand aan de werkzaamheden onderbouwd aan waarom er geen VG&M plan wordt opgesteld. In het VG&M plan wordt, indien van toepassing, minimaal het volgende opgenomen:

  • de van kracht zijnde veiligheidsvoorschriften;

  • milieuvoorschriften;

  • de wijze waarop de instructie en voorlichting van het personeel wordt geregeld;

  • de wijze waarop het toezicht is geregeld;

  • de wijze waarop verontreiniging van het milieu wordt voorkomen respectievelijk beheerst;

  • een risico-inventarisatie en -evaluatie met betrekking tot de uit te voeren werkzaamheden;

  • de locaties waar bodemverontreiniging aanwezig is en de wijze waarop gewerkt moet worden op die afzonderlijke locaties (zie ook artikel 5.4.1 en artikel 8.8);

  • specifieke veiligheids- en voorzorgsmaatregelen bij werkzaamheden op of in de nabijheid van eigendommen en installaties van derden;

  • de wijze waarop de afhandeling van calamiteiten en ongevallen wordt geregeld.

  • 3.

    Het bij de uitvoering van de werkzaamheden betrokken personeel is op de hoogte van de inhoud van het VG&M plan en leeft dit na.

  • 4.

    Het college kan de grondroerder in het kader van de (verkeers-)veiligheid verplichten bouwhekken te plaatsen rondom ontgravingen. Rondom het opslagterrein van de grondroerder is het plaatsen van bouwhekken altijd verplicht.

  • 5.

    De toezichthouder kan vanuit de publieke taakstelling van het college controleren of het werk veilig wordt uitgevoerd. De toezichthouder is bevoegd om bij onveilige situaties correctieve maatregelen af te dwingen of de werkzaamheden stilleggen. Dit geldt ook als er onveilige situaties aan een bestaand net of netwerk van een netbeheerder worden geconstateerd.

  • 6.

    Wanneer als gevolg van een storing in of toegebrachte schade aan een net of netwerk van een netbeheerder de (verkeers-)veiligheid of de volksgezondheid in gevaar komt is er sprake van een calamiteit.

  • 7.

    Calamiteiten worden direct na signalering bij de coördinator gemeld.

  • 8.

    Storingen of schades aan gas- en stroomvoorzieningen meldt de grondroerder bij het nationale nummer 0800-9009.

  • 9.

    Wanneer de calamiteit van dusdanige aard of omvang is dat er hulpdiensten moeten worden ingeschakeld meldt de grondroerder dit direct bij alarmnummer 112.

  • 10.

    Indien het noodzakelijk is dat, voor de (verkeers-)veiligheid of bescherming van de volksgezondheid, direct afzettingen worden geplaatst of (een deel van) de weg(-en) wordt afgesloten dan wordt dit tevens gemeld bij alarmnummer 112 én bij de coördinator.

 

5.4.1. Bodemkwaliteit

  • 1.

    Bij werkzaamheden in de grond en water is de Omgevingswet (Ow), het daarbij behorende Besluit Activiteiten Leefomgeving (BAL) en het gemeentelijke Omgevingsplan onverkort van toepassing. Het CROW heeft hiervoor de richtlijn “Werken in of met verontreinigde grond en/of verontreinigd (grond)water” (publicatie 400). Om aan de vigerende wet- en regelgeving te voldoen dienen initiatiefnemer en grondroerder in elk geval altijd volgens de meest actuele versie van deze regels en richtlijnen te werken.

  • 2.

    Afhankelijk van de lokale bodemkwaliteit neemt de grondroerder passende maatregelen om negatieve gevolgen voor de medewerkers en de omgeving (passanten, omwonenden enzovoort) te voorkomen. Dit kan alleen als van te voren voldoende bekendheid is over de lokale bodemkwaliteit, hetgeen wordt bereikt door middel van een voorafgaand bodemonderzoek, zoals bedoeld op paragraaf 5.2.2 van het Besluit Activiteiten Leefomgeving (BAL). De grondroerder legt de risico’s ten aanzien van de veiligheid en gezondheid van de medewerkers en de omgeving en de wijze waarmee daarmee wordt omgegaan vast in het VG&M plan (zie ook artikel 5.4. tweede lid van het Handboek).

 

5.5. Peilen en hoofdafmetingen

  • 1.

    Het op de graaflocatie aangeven van peilen en hoofdafmetingen door de toezichthouder beperkt zich tot het eenmalig aangeven van hoofdmeetpunten en eventueel extra punten in bochten en dergelijke. De grondroerder kan daarna zelf d.m.v. eenvoudig meetwerk, zowel qua horizontale als verticale maatvoering, het tracé in detail uitzetten. Het college treedt slechts toetsend c.q. controlerend op. Het gewenste tijdstip van aanwijzing wordt door de grondroerder tenminste 2 weken van te voren aan de toezichthouder kenbaar gemaakt.

  • 2.

    Bij de aanleg van kabels of leidingen in een nieuwbouwplan, waarbij (nog) geen woningen etc. aanwezig zijn om als vast punt voor maatvoering te dienen, zal het college een aantal maten middels piketpaaltjes of krijtmarkeringen aangeven op verzoek van de grondroerder. De grondroerder vraagt dit 2 weken voor aanvang aan bij het college. Dit geldt alleen voor gronden die eigendom zijn van de gemeente. Bij graafwerk in particulier eigendom maakt de grondroerder met betreffende grondeigenaar of projectontwikkelaar rechtstreeks afspraken; het college is hierin geen partij.

  • 3.

    Het in stand houden (borgen/verklikken) van de eenmalig door de toezichthouder aangegeven peilen en hoofdafmetingen vallen onder de verantwoordelijkheid van de grondroerder.

 

5.6. Grondwaterstanden en bronbemaling

  • 1.

    Afwijkingen of veranderingen in de (door het college) opgegeven grondwaterstanden geven de grondroerder geen recht op schadevergoeding of andere financiële tegemoetkomingen.

  • 2.

    Indien naar inzicht van de grondroerder bronbemaling noodzakelijk is om de werkzaamheden uit te kunnen voeren zorgt de grondroerder zelf voor de noodzakelijke vergunning(en). Voor het onttrekken van grondwater en voor lozing op het oppervlaktewater is in veel gevallen een watervergunning van een Waterschap nodig.

  • 3.

    Indien bronneringswater op het gemeentelijke rioolstelsel moet worden geloosd, vraagt de grondroerder voor aanvang van de werkzaamheden daarvoor schriftelijk toestemming bij het college.

  • 4.

    Bij het verlagen van de grondwaterstand binnen de wortelzone van te handhaven bomen of beplanting, word door de grondroerder in het groeiseizoen beschermende maatregelen genomen. De grondroerder geeft in overleg met de toezichthouder de beplanting water. Hiervoor wordt leidingwater gebruikt.

 

6. HANDHAVING

 

 

  • 1.

    De in deze nadere regels gestelde procedures, richtlijnen, voorwaarden, eisen en werkafspraken worden altijd opgevolgd.

  • 2.

    Mondelinge of schriftelijke (hieronder valt ook e-mail) aanwijzingen en geboden die door de vertegenwoordigers van het college m.b.t. de inhoud van deze nadere regels of de Verordening Ondergrondse Infrastructuur worden gegeven worden onverwijld opgevolgd.

  • 3.

    Indien de grondroerder de gemaakte afspraken negeert kan de gemeente de grondroerder een (schriftelijke) waarschuwing geven. Zo nodig wordt het werk tijdelijk stilgelegd zonder dat aanspraak op schadevergoeding mogelijk is.

  • 4.

    Handhaving geschiedt conform de vigerende Verordening Ondergrondse Infrastructuur.

  • 5.

    Indien blijkt dat werknemers van de grondroerder of haar (onder)aannemers zich niet houden aan de gemaakte afspraken of zij zich op de werkvloer onbehoorlijk of overlast gevend gedragen of dat er zich tijdens de uitvoering onregelmatigheden voordoen of dat de werkzaamheden niet naar behoren worden uitgevoerd, kan het college van de grondroerder eisen dat dit personeel de toegang tot het werk wordt ontzegt.

  • 6.

    De grondroerder houdt zelf toezicht op alle werkzaamheden van de (onder)aannemer(s) en voert de nodige controles en steekproeven uit.

  • 7.

    Namens het college ziet de toezichthouder erop toe dat de voorschriften uit het instemmingsbesluit of de vergunning, de VOI en de nadere regels door de grondroerder worden nageleefd.

  • 8.

    Als er bomen worden beschadigd of zonder toestemming van het college worden gerooid, zal aan de grondroerder een boete per boom worden opgelegd, afhankelijk van de waarde van de betreffende boom, berekend volgens de Richtlijnen NVTB (Nederlandse Vereniging van Taxateurs van Bomen).

Het college zal, indien zij dit nodig acht, bij in gebreke blijven van de grondroerder zelf, noodzakelijke (herstel)werkzaamheden uit (laten) voeren. Dit geschiedt tegen marktconforme tarieven vermeerderd met de hierbij gemaakte gemeentelijke kosten. Het college brengt de grondroerder hiervan schriftelijk op de hoogte.

 

DEEL B: (TECHNISCHE) EISEN / VOORSCHRIFTEN

 

 

7. RICHTLIJNEN TEN BEHOEVE VAN DE (TRACÉ)ENGINEERING

 

 

7.1. Tracé inspectie t.b.v. de aanleg van kabels of leidingen

 

  • 1.

    De grondroerder inspecteert het beoogde tracé waarop de voorgenomen werkzaamheden uitgevoerd moeten gaan worden vooraf en onderzoekt of de werkzaamheden (verkeers-)technisch uitvoerbaar zijn t.a.v. de aanwezige wegen, waterlopen, voetpaden, kademuren, viaducten, tunnels, spoorwegen, (waterkerende) dijken, overige kabels of leidingen, bomen, wegmeubilair, taluds en gebouwen. Met inachtname van de terzake geldende technische eisen, NEN normen etcetera.

  • 2.

    De grondroerder inventariseert in de engineeringsfase welke overige netbeheerders belangen hebben in het beoogde tracé en informeert deze tijdig over de voorgenomen werkzaamheden en de gegevens over de aard en ligging van betreffende kabels of leidingen. Daartoe dient de grondroerder een oriëntatiemelding te doen bij het Kadaster- sectie Klic. De grondroerder geeft de overige netbeheerders de gelegenheid tot reactie waarbij de netbeheerders zelf kunnen toetsen of de voorgenomen werkzaamheden geen belemmering zijn voor een ongestoorde exploitatie van hun kabels of leidingen. Zo nodig treden zij in overleg met de grondroerder teneinde nadere afspraken te maken.

  • 3.

    De grondroerder inventariseert zelf of er, behalve het instemmingsbesluit of de vergunning, voor bepaalde uit te voeren activiteiten eventueel een omgevingsvergunning noodzakelijk is, bijvoorbeeld voor het graafwerk in een gebied met landschappelijke of cultuurhistorische waarde al dan niet met nadere voorschriften in het kader van de bescherming van monumentale of archeologische waarden, het kappen van gemeentelijke bomen, het oprichten/plaatsen van bovengrondse voorzieningen, bouwketen of portakabins, materiaalcontainers etc.. Tevens vraagt de grondroerder alle voor het werk benodigde vergunningen, ontheffingen etc. die noodzakelijk zijn vanuit de Algemene Plaatselijke Verordening (APV) aan.

 

7.2. Tracé bepaling t.b.v. de aanleg van kabels of leidingen

 

Bij de tracébepaling van kabels of leidingen zijn twee aspecten van belang:

  • de horizontale ligging;

  • de verticale ligging.

 

Het doel van het vooraf bepalen van deze liggingen is:

  • 1.

    een optimaal gebruik van de openbare ruimte;

  • 2.

    een ongestoorde exploitatie van kabels of leidingen;

  • 3.

    optimaliseren van de veiligheid.

 

7.2.1. Horizontale ligging

 

  • 1.

    Het kabel- en leidingentracé wordt in het algemeen en bij voorkeur in het trottoir gesitueerd.

 

  • 2.

    In het overig deel van de openbare weg wordt de riolering en transportleidingen gesitueerd.

 

  • 3.

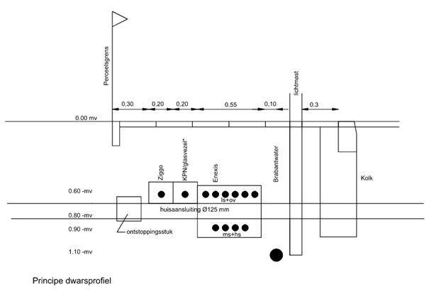
    De minimale afstand tussen het kabel- en leidingentracé en perceelgrens is situatie afhankelijk. De algemene profielen staan in hoofdstuk 10, bijlage 10.1 van het handboek.

 

  • 4.

    Bij de plaatsbepaling van kabels of leidingen in de nabijheid van bomen wordt de afstand tussen het kabel- en leidingentracé en de stam van de boom bepaald door onderstaande minimale afstanden. Zie ook Bomenposter hoofdstuk 10, bijlage 10.4. van het handboek. De leidraad staat in onderstaande tabel:

 

Stam doorsnede

Minimale graafafstand vanuit het hart van de stamvoet

Eenzijdige wortelontwikkeling of scheefstaande boom (trekzijde)

20 cm

> 1,25 m

2,00 m

40 cm

> 1,50 m

2,50 m

60 cm

> 1,75 m

3,00 m

80 cm

> 2,25 m

3,50 m

100 cm

> 2,50 m

4,00 m

150 cm

> 3,50 m

5,00 m

 

  • 5.

    Binnen het kabel- en leidingentracé worden de kabels of leidingen qua horizontale maatvoering volgens een vaste volgorde ten opzichte van elkaar ingedeeld. De horizontale indeling is weergegeven in de algemene profielen, zie bijlage 10.1.

 

  • 6.

    In bermen langs wegen dient de afstand van ligging van de kabels of leidingen tot aan de verharding ten minste gelijk te zijn aan de diepteligging ervan, tenzij anders wordt overeengekomen met de toezichthouder.

 

  • 7.

    Het bovengenoemde basisprincipe wordt zoveel mogelijk nagestreefd. In bijzondere gevallen kan het college een andere indeling toestaan c.q. voorschrijven.

 

  • 8.

    Handholes c.q. distributiepunten mogen niet aangebracht worden in kabel- en leidingtracés, rijbanen, parkeerplaatsen, uitwegen, op kruisingen, ter plaatse van de in- of uitritten van percelen en binnen een afstand van 5,00 m vanaf bomen en niet binnen de kroonprojectie. De handholes c.q. distributiepunten worden bij voorkeur geplaatst in voetpaden, bermen of groenvoorzieningen. In overleg met de toezichthouder kunnen andere afspraken worden gemaakt over deze voorschriften.

 

  • 9.

    De grondroerder vraagt vooraf aan het college toestemming om (mede)gebruik te maken van voorzieningen die eigendom zijn van de gemeente. Bijvoorbeeld voor het gebruik van mantelbuizen, kabelgoten of holle ruimten die onder een weg of in een kunstwerk (b.v. bruggen, tunnels, viaducten en dergelijke) van de gemeente aanwezig zijn.

 

7.2.2. Aanvullende eisen horizontale ligging

 

  • 1.

    Werkzaamheden aan of bij bomen of andere groenvoorzieningen worden zoveel mogelijk vermeden. Hiermee wordt bij de engineering terdege rekening gehouden en waar mogelijk worden bij voorkeur alternatieve routes gekozen. Is het werken aan- of bij bomen of andere groenvoorzieningen toch onvermijdelijk dan wordt er eerst overleg met de toezichthouder gevoerd.

 

  • 2.

    Voorafgaand aan de engineering wordt door de grondroerder bij het college de (digitale) bomenkaart opgevraagd. Indien er zich in het tracé te handhaven (monumentale) bomen bevinden worden die, inclusief kroonprojectie) op de instemmings- of vergunningstekening weergegeven.

 

  • 3.

    Wegkruisingen die d.m.v. een persing of gestuurde boring worden gerealiseerd worden op minimaal 5,00 m vanaf de stam van een boom gesitueerd.

 

  • 4.

    Bij wegkruisingen bij gescheiden rijbanen of fietspaden met tussenliggende groenstroken bestaat de mantelbuis (indien mogelijk) uit één lengte. De mantelbuizen worden alleen aangebracht buiten de tangentpunten van de aansluitende bochten van wegen, niet in de kruisingsvlakken van wegen.

 

  • 5.

    Als het onvermijdelijk is dat er in de nabijheid van bomen of andere groenvoorzieningen moet worden gewerkt, dan worden er een aantal voorzorgsmaatregelen getroffen (Hoofdstuk 9) dat schade aan de betreffende boom, groenvoorziening en aan de te leggen kabel of leiding voorkomt. Indien de afstand tot de bomen minder is dan bepaald in artikel 7.2.1 vierde lid worden er in ieder geval beschermende maatregelen toegepast of er worden (gestuurde) boringen gemaakt.

 

7.2.3. Verticale ligging

 

  • 1.

    Binnen het kabel- en leidingentracé worden de kabels of leidingen ten opzichte van het maaiveld qua verticale maatvoering volgens een vaste volgorde ingedeeld. De verticale indeling is weergegeven in het standaarddwarsprofiel, zie hoofdstuk 10, bijlage 10.1

 

  • 2.

    Uitgangspunten bij verticale ligging:

    • Distributiekabels en -leidingen liggen ondieper dan transportleidingen;

    • Vrijverval leidingen hebben voorrang boven drukleidingen;

    • Kabels of leidingen worden niet binnen het ontgravingsprofiel van de riolering aangelegd. Het ontgravingsprofiel is bekend bij de rioolbeheerder van de gemeente;

    • Bij kruisingen van kabels of leidingen bedraagt de onderlinge tussenruimte (verticale afstand) tenminste 0,20 m;

    • Er wordt een strook tussen 0,60 m -mv en 1,0 -mv vrijgehouden i.v.m. kruisende vrijverval rioolaansluitingen.

 

  • 3.

    Het bovengenoemde basisprincipe wordt zoveel mogelijk nagestreefd, mede in verband met kruisende rioolaansluitingen. In bijzondere gevallen kan de gemeente een andere verticale ligging toestaan c.q. voorschrijven.

 

7.2.4. Aanvullende eisen voor verticale ligging

 

  • 1.

    Bij boringen/persingen, in welke vorm ook, is de diepteligging afhankelijk van de situatie ter plaatse. De minimale verticale afstand ten opzichte van de te kruisen kabels of leidingen bedraagt ten minste 0,50 m, waarbij de te boren/persen leiding onder de bestaande leiding dient te worden gevoerd.

 

  • 2.

    Bij het kruisen van watergangen wordt een minimale gronddekking van 1,00 m ten opzichte van de ontwerpdiepte van de bodem van de watergang aangehouden.

 

  • 3.

    Indien de aanwezige bodem van de watergang lager ligt dan de ontwerpdiepte wordt een gronddekking van 1,00 m ten opzichte van de aanwezige bodem aangehouden.

 

  • 4.

    Indien het onvermijdelijk is dat een kabel of leiding door een groenvoorziening wordt gelegd of er onderdoor wordt geperst dan bedraagt de gronddekking van die kabel of leiding (of mantelbuis) minimaal 1,00 m.

 

  • 5.

    Kabels of leidingen mogen alleen onder een overbouwing worden gesitueerd, indien de verticale afstand tussen de onderzijde van de overbouwing en het ter plaatse vastgestelde uitgiftepeil minimaal 2,50 m bedraagt. Dit in verband met de benodigde werkruimte voor mechanisch- en ander materieel.

 

  • 6.

    Kabels of leidingen worden alleen boven een onderbouwing (kelder, duiker etc.) gesitueerd, indien de verticale afstand tussen de bovenzijde van de onderbouwing en het ter plaatse vastgestelde maaiveld ten minste 1,00 m bedraagt. Dit in verband met benodigde gronddekking voor de kabels of leidingen.

 

  • 7.

    Koppelbalken t.b.v. funderingen worden alleen gekruist als de verticale afstand tussen de bovenkant van de koppelbalken en het maaiveld ten minste 1,00 m bedraagt en de te overbruggen ruimte tussen de koppelbalken is voorzien van een gewapende betonplaat waarboven de kabels of leidingen een veilige ligging verkrijgen.

 

8. VOORWAARDEN EN TECHNISCHE EISEN T.A.V. DE UITVOERING

 

 

8.1. Werkafspraken en voorwaarden m.b.t. de uitvoering

 

  • 1.

    De grondroerder zorgt ervoor dat een afschrift van het instemmingsbesluit of de vergunning incl. de tekening(en), de nadere regels, en de afschriften van de toestemmingen van derden incl. de voorwaarden en de gegevens van de Klic-melding op de graaflocatie aanwezig zijn; deze worden desgevraagd aan de coördinator of toezichthouder getoond.

 

  • 2.

    De grondroerder houdt zich aan de CROW-richtlijnen “Schade voorkomen aan kabels en leidingen” (CROW publicatie 500) en de VOI, nadere regels en WIBON.

 

  • 3.

    Indien het voor aanvang bekend is dat er kabels of leidingen van meerdere netbeheerders in het trace, in de directe nabijheid daarvan of aansluitend aan een te roeren tracé gelegd of gerooid moeten worden, dan worden deze werkzaamheden zoveel mogelijk gecombineerd, maar in ieder geval aansluitend aan elkaar in een werkgang, uitgevoerd. De grondroerder(s) moet(en) dit als zodanig onderling of met de betreffende netbeheerder(s) afstemmen (combiwerk).

 

  • 4.

    Verder kunnen ook projecten aan de orde zijn waarbij werkzaamheden van het college en netbeheerder(s) binnen een gezamenlijk afgesproken tijdvak uitgevoerd moeten worden. Deze afspraken zijn voorafgaand aan de instemmings- of vergunningsaanvraag bekend.

 

  • 5.

    De grondroerder biedt overige kabel- of leidingeigenaren altijd de mogelijkheid om eventuele werkzaamheden aan hun kabels of leidingen onbelemmerd uit te voeren.

 

  • 6.

    De locatie van het opslagterrein van de grondroerder wordt in overleg met het college bepaald. De grondroerder zorgt zelf voor de benodigde vergunning dan wel toestemming van de betreffende perceeleigenaar.

 

  • 7.

    Per dag mag geen grotere sleuflengte worden opengemaakt, dan op die dag weer volledig kan worden dichtgemaakt. Ook worden alle montage- c.q. lasgaten dichtgemaakt tenzij anders overeengekomen met de toezichthouder.

 

  • 8.

    Bij de uitvoering van het herstel en onderhoud van de verharding geldt dat het herstel van de verharding in één of meerdere centrumgebieden (zie hoofdstuk 10, bijlage 10.2) op dezelfde dag en in de rest van de gemeente binnen 2 werkdagen uitgevoerd wordt door de grondroerder met een onderhoudstermijn van 12 maanden.

 

  • 9.

    Indien herstel van de verhardingen niet conform de termijnen in art 8.1 achtste lid gerealiseerd is of niet van dezelfde kwaliteit voor aanvang van de werkzaamheden is, laat het college op kosten van de grondroerder het herstel verrichten.

 

  • 10.

    Tijdens het werk worden (bestratings-)materialen naast de sleuf opgetast. Zand, grond en eventueel funderingsmateriaal wordt gescheiden ontgraven, gescheiden opgeslagen en gescheiden teruggebracht in de sleuf.

 

  • 11.

    Als er direct naast de sleuf geen ruimte is wordt de plaats van tijdelijke opslag van (bestratings-) materialen vooraf in overleg met de toezichthouder bepaald. Na beëindiging van het werk of op eerste aanzegging van het college worden deze (bestratings-)materialen verwijderd. Indien van toepassing wordt de ondergrond hersteld in de staat zoals vooraf aanwezig was.

 

  • 12.

    Alle (bestratings-)materialen worden onbeschadigd herplaatst. De grondroerder zorgt bij beschadiging zelf voor herstel of vervangend (bestratings-)materiaal. Uitzondering hierop zijn situaties waarbij in gezamenlijke vooropname van het tracé met de toezichthouder nadere afspraken zijn gemaakt over het leveren van (bestratings-)materiaal door de gemeente.

 

  • 13.

    Al het te gebruiken (bestratings-)materiaal is van dezelfde soort en minimaal dezelfde kwaliteit als het oorspronkelijk aanwezige (bestratings-)materiaal en de door de gemeente gebruikelijk toe te passen (bestratings-)materialen.

 

  • 14.

    Nadat de werkzaamheden gereed zijn wordt het tracé volledig hersteld en de werkomgeving opgeruimd achtergelaten. Bermen en onverharde grond zijn vrij van stenen en dergelijke en indien van toepassing ingezaaid. Al het overtollige puin, grond, zand, beplantingsresten of afval van de werkzaamheden wordt afgevoerd naar een erkende, gecertificeerde verwerker. Er mag ook geen zand of vuil achterblijven in (mol)goten, lijnafwatering, beplanting en straat- en trottoirkolken (indien nodig dient de grondroerder deze te reinigen). Eventueel gemaakte bronneringsgaten worden weer opgevuld. De werkomgeving wordt opgeleverd in tenminste de oorspronkelijke staat. De grondroerder en toezichthouder leveren het tracé gezamenlijk op. Het opleverdocument wordt door beide partijen ondertekend.

 

  • 15.

    De bepalingen in artikel 7.2.1 t/m 7.2.4 zijn tevens van toepassing voor de uitvoering. Indien tijdens de uitvoering afgeweken wordt van het ingestemde tracé (in horizontale of verticale zin) is hiervoor goedkeuring van de toezichthouder vereist. De grondroerder stuurt daarna binnen 5 werkdagen een gewijzigde tracétekening met afwijkingsrapport naar het college t.b.v. het instemmings- of vergunningsdossier.

 

  • 16.

    Toezichthouder meldt aan grondroerder wanneer straatwerk gevaar oplevert voor de omgeving. De grondroerder herstelt dit na deze melding binnen 2 uur. Indien dit wordt nagelaten wordt dit op kosten van de grondroerder door het college gedaan.

 

  • 17.

    In de gebieden als aangegeven in bijlage 10.3 wordt het werkgebied, na beëindiging van elke kalenderdag, afgesloten met een afrastering. Alle materialen en hulpmiddelen worden of binnen deze afrastering geplaatst of worden afgevoerd.

 

8.2. Eisen t.a.v. opbreken en (i.v.t.) herstellen open verharding

 

  • 1.

    Wegkruisingen in wegen met een open verharding met een (gebonden) puinfundering of met een waterdoorlatende verharding en -fundering opbouw worden altijd gerealiseerd d.m.v. een persing of (gestuurde) boring conform artikel 8.5, tenzij met de toezichthouder anders wordt overeengekomen.

 

  • 2.

    Wegkruisingen in wegen met een open verharding met een zandfundering mogen in open ontgraving (per rijbaan) gerealiseerd worden. Ter plaatse van de wegkruising wordt een mantelbuis gelegd waardoorheen de kabel of leiding wordt gevoerd. De mantelbuis dient minimaal 0,50 m (bij kabels) of 1 m (bij leidingen) aan weerszijden van het te kruisen vlak door te lopen. Tenzij met de toezichthouder anders wordt overeengekomen.

 

  • 3.

    Het opbreken van de open verharding gebeurt handmatig en zorgvuldig, machinaal opnemen van de open verharding is niet toegestaan. Indien tijdens het opbreken van open verharding elementen breken of beschadigen vervangt de grondroerder deze zelf door elementen van gelijke samenstelling en hoedanigheid. Indien voorradig kunnen deze eventueel worden geleverd door het college. Indien tijdens een vooropname gezamenlijk (toezichthouder en grondroerder) geïnventariseerd en vastgelegd is dat een verharding van een nog op te breken tracé een bovengemiddeld aantal (> 5%) gebroken of beschadigde elementen bevat kan het vervangende materiaal mogelijk door het college beschikbaar worden gesteld. Hierover dienen afspraken gemaakt te worden met de toezichthouder.

 

  • 4.

    Lijnafwatering heeft vaak een fundering van (stamp)beton of gestabiliseerd zand en wordt nooit verwijderd. De lijnafwatering inclusief funderingsconstructie moet in tact blijven. Ook trottoirbanden die gefundeerd zijn worden niet verwijderd. Wanneer een lijnafwatering of een gefundeerde trottoirband gekruist moet worden dient over de toe te passen werkwijze overlegd te worden met de toezichthouder.

 

  • 5.

    Bij waterdoorlatende verhardingen wordt de werkwijze m.b.t. het opbreken en herstel en de eventueel toe te passen voegvulling altijd vooraf afgestemd met de toezichthouder.

 

  • 6.

    Het opbreken en herstellen van bijzondere (sier)bestrating (onder andere natuursteen en gepolijste tegels) kan een specifieke werkwijze vereisen. Om ervoor te zorgen dat het zichtoppervlak van het bestratingsmateriaal niet beschadigt neemt de grondroerder de nodige beschermende maatregelen waarbij aanwijzingen van de toezichthouder altijd opgevolgd worden.

 

  • 7.

    Bij herbestrating worden de elementen onderling en ten opzichte van de ongeroerde elementen even hoog gestraat. Binnen het terug aangebrachte straatwerk komen geen oneffenheden voor. Het straatwerk wordt onder hetzelfde profiel en verband gestraat als voor de werkzaamheden aanwezig was. Er worden geen klinkers op zijn kant terug gestraat.

 

  • 8.

    Uitgevoerd straatwerk wordt schoongeveegd afgetrild en daarna, meerdere keren en met tussenpozen van minimaal 24 uur, ingeveegd met schoon brekerzand (bij klinkers), schoon straatzand (bij tegels) of schoon split (bij gebakken bestratingsmateriaal). Alle voegen in het straatwerk zijn in de eindsituatie voldoende met de ter plaatse toe te passen voegvulling gevuld.

 

  • 9.

    De werkomgeving wordt opgeleverd zoals omschreven in artikel 8.1 veertiende lid.

 

8.3. Eisen t.a.v. opbreken en (i.v.t.) herstellen gesloten verhardingen

 

  • 1.

    Wegkruisingen in wegen met een gesloten verharding worden altijd gerealiseerd d.m.v. een persing of (gestuurde) boring conform artikel 8.5.

 

  • 2.

    Het is in beginsel verboden ontgravingen te verrichten in wegen met een gesloten verharding. Behoudens in het geval wanneer er in deze wegen al kabels of leidingen aanwezig zijn die moeten worden gerepareerd of dat er aansluitingen op moeten worden gemaakt. In die gevallen wordt er gewerkt met voorafgaande (schriftelijke) toestemming van het college.

 

  • 3.

    Voordat een asfaltconstructie wordt verwijderd, worden de grenzen van het betreffende uit te breken gedeelte op steenmaat tot de gewenste diepte ingezaagd.

 

  • 4.

    Bij mechanisch te verrichten grondwerk dient de asfaltsleuf minimaal 0,50 m breder te zijn dan de bakbreedte van de graafmachine. Het ondergraven van de asfaltverharding is niet toegestaan.

 

  • 5.

    De vrijgekomen materialen worden (voor zover dit mogelijk is) gescheiden naar:

  • teerhoudend

  • niet teerhoudend

Beiden worden afgevoerd conform de CROW publicatie 210: 'Richtlijn omgaan met vrijkomend asfalt'.

Indien van toepassing zorgt de grondroerder zelf voor de benodigde afvalstroomnummers. Een kopie van de acceptatie- of stortbonnen van een erkend en gecertificeerd verwerkingsbedrijf wordt direct overhandigd aan de coördinator of toezichthouder.

 

  • 6.

    Sleuven in de asfaltverharding worden nadat de kabels of leidingen zijn gelegd, over de volle breedte opgevuld en verdicht en de oorspronkelijke funderingsconstructie wordt hersteld met menggranulaat 0/31,5 mm. De ondergrond van de fundering en de fundering voldoet na verdichting aan de technische eisen uit de meest recente Standaard RAW bepalingen.

 

  • 7.

    De te herstellen asfaltsleuf wordt dicht gestraat in een zandbed van 30 tot 50 mm brekerzand met betonstenen (zo mogelijk in de kleur van het aanwezige asfalt) in elleboogverband op een wijze die geen gevaar oplevert. De bovenzijde van de stenen dienen gelijk te liggen met het ingezaagde asfalt. De stenen dienen vlak ten opzichte van elkaar te worden gestraat. Indien er vooraf afspraken met de toezichthouder over zijn gemaakt kunnen de betonstenen mogelijk worden afgehaald op de gemeentewerf.

 

  • 8.

    Indien het dichtstraten van een sleuf niet op deugdelijke wijze wordt uitgevoerd kan dat tot gevolg hebben dat de aansluitende verhardingen als gevolg van het gebruik door het verkeer verzakken of beschadigd worden. Dergelijke schade dient door de grondroerder, binnen 5 werkdagen op aanzeggen van de gemeente, te worden hersteld.

 

  • 9.

    De werkomgeving wordt opgeleverd zoals omschreven in artikel 8.1 veertiende lid.

 

  • 10.

    Het definitieve asfaltherstel laat het college achteraf uitvoeren.

 

8.4. Eisen t.a.v. opbreken en herstellen bermen en gazons

 

  • 1.

    Bij opname van een sleufbedekking van gazon en daarmee vergelijkbare grasvelden en -stroken worden ter breedte van de sleuf regelmatige zoden gestoken. De graszoden worden “groen op groen” opgetast.

 

  • 2.

    Indien afgesproken is dat het college zelf zorg draagt voor het herstel van de sleufbedekking (artikel 5.2.1 eerste lid) worden de vrijkomende zoden onderin de sleuf gelegd.

 

  • 3.

    In bermen waar het steken van regelmatige zoden niet mogelijk is wordt de sleufbedekking (graspollen e.d.) onderin de sleuf gelegd. Nadat de kabels of leidingen zijn gelegd en de sleuf tot op de juiste hoogte is aangevuld en verdicht wordt de berm, vrij van stenen en dergelijke, gefreesd en ingezaaid met een door het college goedgekeurd grasmengsel. Bepaling type grasmengsel in overleg met de toezichthouder.

 

  • 4.

    De werkomgeving wordt opgeleverd zoals omschreven in artikel 8.1 veertiende lid.

 

  • 5.

    De gedragscode Flora en Fauna wet Ruimtelijke ontwikkeling en inrichting is van toepassing op dit werk. De gedragscode is verkrijgbaar via Stadswerk te Ede. Op basis van de gedragscode dient een plan van aanpak opgesteld te worden over hoe om te gaan met de aanwezige beschermde flora en fauna. De grondroerder dient dit plan te hanteren bij de uitvoering van de werkzaamheden.

 

8.5. Weg- of boomkruising d.m.v. persen of (gestuurd) boren

 

  • 1.

    Indien bij een wegkruising de aanleg van kabels of leidingen door middel van een persing of (gestuurde) boring onder het wegdek wordt gerealiseerd, wordt dit haaks op de wegas,

    minimaal 1 m uit de tangentpunten en zodanig uitgevoerd dat er geen verzakkingen in de verharding optreden. De persing of (gestuurde) boring wordt bij voorkeur voorafgaand aan het graven van de sleuf voor het hoofdtracé gerealiseerd. Het aanbrengen van een (stalen) mantelbuis is daarbij verplicht.

 

  • 2.

    De minimale verticale afstand tussen de bovenkant van de te persen buis en de onderkant van de wegfundering bedraagt minimaal 0,50 m. De mantelbuis heeft een minimale dekking van 0,80 m.

 

  • 3.

    De minimale verticale afstand tussen de bovenkant van de te persen buis en de onderkant van een te kruisen kabel of leiding bedraagt minimaal 0,50 m. De te boren of te persen buis wordt onder de bestaande kabel of leiding doorgevoerd.

 

  • 4.

    Bij een wegkruising loopt de aangebrachte mantelbuis minimaal 0,50 m (bij kabels) of 1 m (bij leidingen) aan weerszijden van het te kruisen vlak door, tenzij met de toezichthouder anders is overeengekomen.

 

  • 5.

    Indien de locatie van een persing of (gestuurde) boring binnen de kroonprojectie van de boom ligt stemt de grondroerder de wijze van uitvoering af met de toezichthouder.

 

  • 6.

    De methode van boren of persen behoeft vooraf de goedkeuring van het college. Ongestuurde raketboringen zijn in de openbare ruimte niet toegestaan, tenzij met de toezichthouder anders is overeengekomen.

 

  • 7.

    Indien een boomkruising middels een zogenaamde boomboring met een mantelbuis wordt uitgevoerd, dan kunnen aan de uitvoeringseisen van de boring en de materiaalkeuze van de mantelbuis door de gemeente nadere eisen gesteld worden. De mantelbuis heeft een minimale dekking van 0,80 m. De boring wordt bij voorkeur voorafgaand aan het graven van de sleuf voor het hoofdtracé gerealiseerd.

 

  • 8.

    Van een gerealiseerde persing of (gestuurde) boring die niet direct in gebruik genomen wordt, wordende kopeinden van de mantelbuis afgedicht met kunststof deksels.

 

  • 9.

    Van een gerealiseerde persing of (gestuurde) boring die in gebruik genomen is wordt de ruimte tussen de kabels of leidingen aan de kopeinden van de mantelbuis deugdelijk afgedicht met daartoe bestemd middel (bijvoorbeeld Stopaq).

 

8.6. Eisen t.a.v. de graaf- en grondwerkzaamheden

 

  • 1.

    Het college hanteert de technische eisen uit de meest recente Standaard RAW bepalingen m.b.t. graafwerkzaamheden als bindend.

 

  • 2.

    Te ontgraven grond, zand, teelaarde, funderingsmateriaal enz. wordt gescheiden ontgraven, vervoerd of in depot, van de grondroerder, gezet of aangevuld. Het opbreken van een waterdoorlatende verharding en -fundering opbouw vereist vaak een speciale werkwijze die afgestemd wordt met de toezichthouder. De aanwijzingen van de toezichthouder worden altijd opgevolgd.

 

  • 3.

    Bij het graven van sleuven wordt het talud aangepast aan de sleufdiepte, de eventuele bemaling en de grondsoort, zodat de sleufwanden niet instorten of uitzakken. Zo nodig wordt de sleufwand met schotten gestut.

  •  

  • 4.

    Er mag geen zand of vuil achterblijven in (mol)goten en straat- en trottoirkolken. In overleg met de toezichthouder kunnen straat- en trottoirkolken eventueel tijdelijk worden afgedekt, ter voorkoming hiervan.

 

  • 5.

    Nadat de kabels of leidingen gelegd zijn wordt de sleuf aangevuld en verdicht. Alle werkzaamheden vinden in een droge sleuf plaats. Om de oorspronkelijke profielopbouw van de ondergrond zo optimaal mogelijk te herstellen wordt het uitgegraven materiaal, vrij van stenen en dergelijke, over de volle breedte van de sleuf laagsgewijs en met zorg in de juiste volgorde terug in de sleuf gebracht. De dikten van grond-, fundering- en zandlaag of de laag teelaarde zijn gelijk aan de oorspronkelijke laagdikten. Bermen en groenstroken worden met voldoende overhoogte aangevuld. Bevroren grond of zand, sneeuw, (groen)afval en puin wordt niet verwerkt in de aanvulling.

 

  • 6.

    Om de juiste verdichtingsgraad te verkrijgen wordt de aanvulling uitgevoerd in lagen van maximaal 0,30 m waarbij elke laag, bij voorkeur met een mechanisch verdichtingsapparaat, wordt verdicht.

 

  • 7.

    Daar waar open verharding aanwezig is wordt het oorspronkelijke zandbed direct onder de verharding, de straatlaag, hersteld. Indien de aangetroffen dikte van de straatlaag kleiner is dan 40 mm zal de grondroerder het te kort komende zand leveren en aanbrengen.

 

  • 8.

    De proctordichtheid van de aanvullingen onder verhardingen wijkt na verdichting niet meer dan 3% af van de oorspronkelijke proctordichtheid, zoals deze op korte afstand naast de sleuf wordt aangetroffen.

 

  • 9.

    De grondroerder controleert de verdichting van het grondwerk met behulp van sonderen. De meting van de verdichting geschiedt met behulp van een sondeerapparaat met een conusoppervlak van 100 mm² en een tophoek van 60 graden. Het meetbereik bedraagt tenminste 5 MPa en het dieptebereik is tenminste 0,60 m. De conuswaarde wijkt maximaal 3% naar beneden af van de conuswaarde die direct naast de sleuf is vastgesteld.

 

  • 10.

    Aanvullingen in beplantingsvakken of onder gazon op een diepte van minder dan 80 cm heeft na verdichting een sondeerwaarde van maximaal 1,5 MPa. De laag met teelaarde wordt niet verdicht.

 

  • 11.

    De controle op het aanvullen en verdichten van de sleuven vindt plaats door of namens de grondroerder. De grondroerder meet de verdichtingswaarden en legt dit vast. Indien de toezichthouder hierom vraagt overlegt de grondroerder deze gegevens. De toezichthouder voert steekproeven uit.

 

  • 12.

    Indien de toezichthouder constateert dat de aanvulling c.q. verdichting niet aan de door het college gestelde eisen voldoet, herstelt de grondroerder dit binnen 5 werkdagen.

 

  • 13.

    Indien de oorzaak is, dat de uitgekomen grond niet voor aanvulling of verdichting geschikt is wordt deze afgevoerd. De grondroerder levert dan nieuwe voor aanvulling benodigde grond of zand op het werk en verwerkt dit opnieuw. Daarna vindt wederom een controle door de toezichthouder plaats.

 

  • 14.

    Indien na de termijn van 5 werkdagen herstel uitblijft c.q. onvoldoende is uitgevoerd laat het college het herstel verrichten door een door het college geselecteerde aannemer.

 

8.7. Eisen t.a.v. de kabel- of leidingwerkzaamheden

 

  • 1.

    De grondroerder overtuigt zich van de plaats van alle reeds in het werk gelegen leidingen. Hiertoe worden in het beoogde tracé proefsleuven gegraven door de grondroerder.

 

  • 2.

    Van de gemaakte proefsleuven en de maatvoeringen van de daarin aangetroffen kabels of leidingen houdt de grondroerder een actuele registratie bij die op eerste aanzeggen aan de coördinator of toezichthouder wordt overhandigd. Indien afwijkingen van het vigerende standaarddwarsprofiel dan wel het door het college aangewezen standaard tracé worden geconstateerd bepaalt de grondroerder in overleg met de coördinator of toezichthouder voor de te leggen kabel of leiding een nieuw tracé.

 

  • 3.

    Er worden geen kabels of leidingen, handholes c.q. distributiepunten of andere (bovengrondse) voorzieningen boven bestaande kabels of leidingen geplaatst waardoor deze niet meer bereikbaar zijn voor onderhoud, reparatie en dergelijke. Indien geen andere oplossing mogelijk is dan kan in overleg met en met goedkeuring van de betreffende netbeheerder onder voorwaarden of met het nemen van maatregelen eventueel toch tot aanleg c.q. plaatsing worden overgegaan.

 

  • 4.

    Kabels of leidingen die tijdens de werkzaamheden blijvend buiten gebruik worden gesteld of kabels of leidingen die de afgelopen 10 jaar niet in gebruik zijn geweest, worden zoveel mogelijk gelijktijdig met de uit te voeren werkzaamheden verwijderd of, na overleg, op een door het college aan te geven tijdstip.

 

  • 5.

    Voor tijdelijk aan te brengen voorzieningen (zoals b.v. damwanden, sleufbekisting, etc.) ten behoeve van werkzaamheden aan kabels of leidingen in de openbare ruimte is de goedkeuring van de coördinator vereist. Deze tijdelijke voorzieningen worden na het voltooien van de werkzaamheden verwijderd, tenzij in overleg met de coördinator anders wordt besloten.

 

  • 6.

    Bij de aanleg van kabels of leidingen en voorzieningen nabij bomen en in of nabij andere groenvoorzieningen worden de bepalingen uit Hoofdstuk 9 van dit Handboek strikt in acht genomen.

 

  • 7.

    Alle te leggen kabels of leidingen zijn duidelijk voorzien van een codering of label waaruit blijkt wat de functie of wie de eigenaar van deze kabel of leiding is. Optioneel

 

  • 8.

    (Voorbereide) huisaansluitingen worden zo veel mogelijk tegelijk met de aanleg van het hoofdtracé aangelegd en haaks op het distributienet om geen extra beslag te leggen op de ondergrondse ruimte.

 

  • 9.

    Voorbereide huisaansluitingen, waarbij de voor de huisaansluiting bedoelde buis of kabel op de benodigde lengte in de openbare grond wordt opgeborgen (vooral bij CAI en FttX) worden zo strak mogelijk opgerold en gebundeld. De bovenkant van de rol ligt op dezelfde hoogte als de kabel en evenwijdig aan en tegen de perceelgrens.

 

  • 10.

    De exacte locaties van handholes c.q. distributiepunten en bovengrondse voorzieningen worden in overleg met de toezichthouder bepaald. Conform het bepaalde in tweede en derde lid van dit artikel wordt door de grondroerder vooraf vastgesteld of de gekozen locatie vrij is van overige kabels of leidingen. Indien de toezichthouder constateert, óf dat op een later moment blijkt, dat een handhole c.q. distributiepunt of bovengrondse voorziening bezwarend is geplaatst dan verplaatst de grondroerder deze binnen 5 werkdagen.

 

  • 11.

    Bovengrondse voorzieningen worden in overleg met het college zoveel mogelijk uit het zicht - liefst inpandig of ondergronds- geplaatst of direct naast andere, reeds aanwezige, bovengrondse voorzieningen.

 

  • 12.

    Bij plaatsing van bovengrondse voorzieningen in een straatprofiel worden deze zoveel mogelijk langs gevels of in lijn met het bestaande straatmeubilair geplaatst.

 

  • 13.

    Bij plaatsing van bovengrondse voorzieningen van grotere afmeting in of nabij een groenvoorziening kan de gemeente nadere eisen stellen. Er kan bijvoorbeeld aanplant van extra beplanting gewenst zijn om de bovengrondse voorziening zoveel als mogelijk aan het zicht te onttrekken. Deze extra voorwaarden worden door het college zoveel mogelijk opgenomen in het instemmingsbesluit of in de vergunning, echter de aanwijzingen van de coördinator of toezichthouder worden eveneens altijd opgevolgd.

 

  • 14.

    Bovengrondse voorzieningen worden voorzien van een anti-graffiti voorziening (coating of strips), tenzij anders overeengekomen.

 

  • 15.

    De in- en uitgaande kabels bij handholes c.q. distributiepunten en bovengrondse voorzieningen worden zodanig gelegd dat verweving met kabels of leidingen van andere netbeheerders wordt voorkomen.

 

  • 16.

    Bij ondergrondse plaatsing worden handholes c.q. distributiepunten zodanig geplaatst dat het deksel een minimale dekking heeft van 0,50 m onder het maaiveld.

 

  • 17.

    Het deksel van handholes c.q. distributiepunten die op maaiveldniveau worden geplaatst voldoet minimaal aan verkeersklasse D400(NEN-EN 124) en ligt altijd gelijk met de aanwezige bestrating of (berm)verharding. Aanwezige elementenverharding rond de handhole worden geknipt in het bestaande verband. Indien een handhole door verzakking op enig moment niet meer gelijk ligt met de bestrating of (berm)verharding herstelt de grondroerder dit op eerste aanzegging van het college.

 

  • 18.

    Nadat alle werkzaamheden gereed zijn meet de grondroerder de ligging gegevens van de kabels of leidingen, inclusief (voorbereide) huisaansluitingen, handholes c.q. distributiepunten en bovengrondse voorzieningen (digitaal) in en deze op een As-Built tekening digitaal beschikbaar te hebben voor raadpleging door derden (conform WION).

 

8.8. Werken in of met verontreinigde grond

 

  • 1.

    De grondroerder werkt volgens de CROW- richtlijn “Werken in of met verontreinigde grond en verontreinigd (grond)water” (publicatie 400).

 

  • 2.

    Om na te gaan of de voorgenomen graafwerkzaamheden mogelijk zullen plaatsvinden in verontreinigde bodem, voert de grondroerder ten minste een historisch vooronderzoek uit conform de NEN 5725 en in sommige gevallen tevens een bodemonderzoek.

 

  • 3.

    Indien bij werkzaamheden in de bodem (tijdelijk) verontreinigde grond of grondwater wordt verplaatst, dan is hiervoor goedkeuring nodig van het Bevoegd Gezag. Meldingen dan wel Vergunningen worden gedaan via het digitaal stelsel omgevingswet (DSO).

 

  • 4.

    De initiatiefnemer bepaalt zelf of ze haar kabels en/of leidingen in de verontreinigde bodem wil leggen. De verantwoordelijkheid voor de veiligheid van de werknemers (Arbowetgeving) en voor eventuele aantasting van de kabels en/of leidingen door bodemverontreiniging ligt bij de initiatiefnemer.

 

  • 5.

    Indien bij de werkzaamheden in de bodem (tijdelijk) verontreinigde grond of grondwater tegenkomt die niet bekend was bij het college, dan wordt dit direct gemeld bij de Coördinator en worden de werkzaamheden direct gestaakt. Daarna worden er passende maatregelen getroffen in samenspraak met de toezichthouder Omgevingswet (Ow).

 

  • 6.

    Overtollige grond wordt op kosten van de grondroerder afgevoerd naar een erkende verwerker of hergebruikslocatie. Verwerken van de overtollige grond in de directe omgeving van het werk is alleen toegestaan binnen de regels van het Besluit Bodemkwaliteit. Indien (aanvul)grond wordt aangevoerd van buiten de locatie, wordt dit op grond van het Besluit Bodemkwaliteit vooraf gemeld bij het omgevingsloket. Dit geldt ook voor de eventuele tijdelijke opslag van (aanvul)grond op het werkterrein of op een ander terrein.

 

9. WERKEN AAN OF NABIJ GROENVOORZIENINGEN

 

 

Het bepaalde in dit hoofdstuk geldt voor groenvoorzieningen, behoudens bermen en gazons.

Daarvoor geldt het bepaalde in artikel 8.4.

 

9.1. Werkafspraken en voorwaarden m.b.t. groenvoorzieningen

 

  • 1.

    In relatie tot werkzaamheden t.b.v. kabels of leidingen kan het noodzakelijk zijn dat er ook werkzaamheden (verwijderen of snoeien) aan groenvoorzieningen worden uitgevoerd. Dit kan voorafgaand aan of tijdens de werkzaamheden van de grondroerder nodig zijn, maar het kan ook binnen de onderhoudstermijn van de werkzaamheden van de grondroerder vallen. De afspraken daarover worden vooraf met de toezichthouder gemaakt.

 

  • 2.

    Als het tracé door beplanting loopt wordt de beplanting door de grondroerder verwijderd en afgevoerd. Het college zorgt in een gunstig jaargetijde voor nieuwe beplanting.

 

  • 3.

    De gedragscode Flora en Fauna wet Ruimtelijke ontwikkeling en inrichting is van toepassing op dit werk. De gedragscode is verkrijgbaar via Stadswerk te Ede. Op basis van de gedragscode dient een plan van aanpak opgesteld te worden over hoe om te gaan met de aanwezige beschermde flora en fauna. De grondroerder dient dit plan te hanteren bij de uitvoering van de werkzaamheden.

 

9.2. Werkafspraken en voorwaarden m.b.t. bomen

 

  • 1.

    Bij het passeren van bomen worden door de grondroerder voorzorgsmaatregelen getroffen die schade aan de betreffende boom voorkomt. De maatregelen en aanwijzingen zijn aangegeven in hoofdstuk 10, bijlage 10.4 Bomenposter; werken rond bomen (uitgave van Stadswerk).

 

  • 2.

    Indien de afstand van te leggen kabels of leidingen tot de bomen minder is dan bepaald in artikel 7.2.1 derde lid worden er beschermende maatregelen toegepast of er worden (gestuurde) boringen gemaakt. Als er op een specifieke locatie een gestuurde boring een te groot risico vormt in verband met bijvoorbeeld de beschadiging van bestaande kabels en/of leidingen, dan is op deze locatie in overleg handmatig graven of het inzetten van een zandzuiger een optie. Daarbij moeten alle wortels vanaf 40 mm worden gespaard (zie ook onderstaand lid 3).

 

  • 3.

    In het wortelgestel van bomen wordt slechts bij hoge uitzondering handmatig gegraven. Dit is echter alleen toegestaan met goedkeuring van de toezichthouder. Wortels dikker dan 40 mm in diameter worden nooit verwijderd of beschadigd. Wortels kleiner dan 40 mm in diameter worden verwijderd d.m.v. zagen zonder de wortels te breken of eraan te trekken. Ontgraven wortels worden beschermd tegen uitdrogen, vorst en beschadiging.

 

  • 4.

    Wanneer een boom wordt beschadigd wordt dit direct gemeld bij de toezichthouder. De schade wordt dan conform de NVTB methode in rekening gebracht bij de veroorzaker/opdrachtgever. Wanneer de beschadiging tot gevolg heeft dat er een nieuwe boom geplant moet worden wordt dit in een gunstig jaargetijde door het college gedaan. De gehele schade (incl. rest-/taxatiewaarde van de boom) wordt in dat geval in rekening gebracht bij de veroorzaker/opdrachtgever conform 5.2.1. van dit handboek.

 

  • 5.

    Het rooien van bomen door de grondroerder geschiedt pas na toestemming van het college.

 

  • 6.

    De gedragscode Flora en Fauna wet Ruimtelijke ontwikkeling en inrichting is van toepassing op dit werk. De gedragscode is verkrijgbaar via Stadswerk te Ede. Op basis van de gedragscode dient een plan van aanpak opgesteld te worden over hoe om te gaan met de aanwezige beschermde flora en fauna. De grondroerder dient dit plan te hanteren bij de uitvoering van de werkzaamheden.

 

 

 

 

 

 

Aldus besloten in de vergadering van het college van burgemeester en wethouders van de gemeente Someren,

de secretaris,

J. Weekers

wnd. burgemeester,

P.J.M.G. Blanksma

10 Bijlagen

 

10.1 Dwarsprofiel (artikel 7.2.1 lid 3)

 

10.1.1 Standaard profiel incl. Gas

 

 

10.1.2 Standaard profiel Gasloos

 

 

10.2 Hoofdwegen (artikel 3.2 lid 3)

 

 

10.3 Centrumgebied (artikel 8.1 lid 17)

 

 

10.4 Bomenposter werken rond bomen (artikel 9.2, lid 1)

 

 

10.5 Contactgegevens

 

Gemeente Someren

Bezoekadres

Wilhelminaplein 1

5711 EK Someren

 

Postadres

Postbus 290

5710 AG Someren

 

Telefoon 0493-4943888

E-mail gemeente@someren.nl

Website www.someren.nl

 

 

 

Naar boven