Beleidsplan Vergunningverlening, Toezicht en Handhaving omgevingsrecht

 

1 Achtergrond van het beleidsplan

1.0 Leeswijzer

In dit hoofdstuk gaan we in op de achtergrond van ons Beleidsplan VTH omgevingsrecht.

We beschrijven de functie, status en wettelijke vereisten. Tevens is de totstandkoming van dit plan toegelicht. Het beleidsplan is gebaseerd op de situatie vanaf 1 januari 2024 waarbij de Omgevingswet en de Wet kwaliteitsborging voor het bouwen in werking zijn getreden.

 

Hoofdstuk 2 bevat onze visie op vergunningverlening, toezicht en handhaving op basis van het omgevingsrecht. In hoofdstuk 3 staat de inhoud van ons VTH-beleid. Daarin komen de prioriteiten en doelstellingen terug en beschrijven we de doorwerking naar ons jaarlijkse uitvoeringsprogramma en jaarverslag. Hoofdstuk 4 geeft een korte toelichting op onze uitvoeringsstrategie die in bijlage A uitgebreid is beschreven. De wijze waarop we de kwaliteit van onze taakuitvoering borgen staat in hoofdstuk 5.

 

In bijlage A is onze uitvoeringsstrategie beschreven. Die bevat de wijze waarop we preventie inzetten, hoe we vergunningaanvragen en meldingen beoordelen, hoe we toezicht uitvoeren en hoe we omgaan met sanctioneren bij het constateren van overtredingen.

 

Bijlage B bevat onze omgevingsanalyse. Dit is een onderbouwing voor de prioriteiten en doelen die we in dit beleidsplan vastleggen.

 

1.1 Keuzes in de uitvoering van VTH-taken

Vergunningverlening, toezicht en handhaving (VTH) zijn instrumenten om de gezondheid, veiligheid, cultuurhistorische waarden en leefbaarheid in onze gemeente te beschermen en een duurzame ontwikkeling te borgen. Bij de uitvoering van onze VTH-taken moeten we keuzes maken: waar liggen onze opgaven/prioriteiten en hoe strikt willen we activiteiten in de fysieke leefomgeving regelen en controleren?

 

Bij onze prioriteitstelling spelen drie afwegingen een rol.

  • De omvang van de risico’s die samenhangen met activiteiten en de effectiviteit waarmee we met de inzet van VTH-instrumenten de risico’s kunnen beheersen.

  • De mate van eigen verantwoordelijkheid van inwoners en ondernemers in relatie tot de kaderstellende, regelende en controlerende rol van de overheid.

  • De omvang van onze personele capaciteit en middelen.

Dit beleidsplan beschrijft een werkbare balans in de genoemde afwegingen voor een zo effectief mogelijke inzet van de VTH-instrumenten.

 

1.2 Reikwijdte van het beleidsplan

Dit beleidsplan Omgevingsrecht schetst onze visie en uitgangspunten voor de komende jaren. Voorliggend beleidsplan richt zich op de VTH-taken die onder andere gebaseerd zijn op de Omgevingswet (Ow).

 

Omdat de vergunningverlening op grond van de Algemene Plaatselijke Verordening (APV) en in het kader van drank en horecawetgeving een sterke relatie hebben met de fysieke leefomgeving en met de Alphense VTH-organisatie zijn deze taken meegenomen in de omgevingsanalyse en de uitvoeringsstrategie en maken daarmee onderdeel uit van dit beleidsplan.

 

Dit betekent dat het beleidsplan gaat over preventie, vergunningverlening, toezicht en handhaving van ons omgevingsplan, bouw-, sloop-, milieu- en brandveiligheidsregels en regels ten aanzien van cultureel erfgoed en monumenten, reclame, rooien van bomen, terrassen, natuurbescherming, aanlegactiviteiten.

 

Dit beleidsplan heeft geen betrekking op:

  • Taken die door verbonden partijen worden uitgevoerd en die zelf uitvoeringsbeleid opstellen. Dit betreft de Omgevingsdienst Midden-Holland (ODMH) en de Veiligheidsregio Hollands Midden (VRHM), die uitvoeringsbeleid voor de (basis)taken opstellen die aan hen zijn opgedragen. Overigens kan de ODMH zelfstandig handhavend optreden en bereidt de VRHM een handhavingsadvies voor het college voor dat door onze eigen organisatie wordt opgepakt, als zij constateren dat overtredingen voortduren.

  • Taken in de openbare ruimte. De taken die betrekking hebben op de Omgevingswet én de openbare ruimte krijgen vanuit meerdere perspectieven aandacht. Taken die betrekking hebben op de openbare ruimte liggen primair bij het team Toezicht en Handhaving. Sommige regels zullen onder de Omgevingswet verschuiven van de Algemene Plaatselijke Verordening (waar de boa’s met name op controleren en handhaven) naar het nieuwe omgevingsplan (waar de VTH-toezichthouders en handhavers met name op controleren). In het jaarlijks uitvoeringsprogramma en in de dagelijkse uitvoering wordt bepaald hoe de werkzaamheden op elkaar worden afgestemd.

Dit beleidsplan vervangt ons “Beleidsplan Vergunningverlening, Toezicht en Handhaving WABO 2018-2021”.

 

1.3 Status

Voor vergunningverlening, toezicht en handhaving is een beleidsplan verplicht en vastgelegd in de Omgevingswet (afdeling 18.3) en in het Omgevingsbesluit (afdeling 13.2).

Het VTH-beleid wordt vastgesteld door het college en ter kennisname aangeboden aan de gemeenteraad. Daarmee is het VTH-beleid een richtinggevend document voor het college van burgemeester en wethouders bij de uitvoering van de wettelijke taken in het kader van de Omgevingswet.

 

De VTH-beleidscyclus gaat over het beleidsplan (omgevingsanalyse, prioriteiten, doelen), een uitvoeringsprogramma met de planning van in te zetten VTH-instrumenten en capaciteit, de uitvoering en tenslotte monitoring van de uitvoering ( verslaglegging en evalueren).

 

De landelijke procescriteria, die zijn vastgelegd in het Omgevingsbesluit, zijn leidend voor het VTH-beleid en bevatten eisen die gesteld worden aan de sluitende beleidscyclus.

 

Naast de procescriteria gelden er landelijke kwaliteitscriteria die betrekking hebben op de gemeentelijke organisatie.

 

Dit beleidsplan heeft betrekking op de bovenste drie stappen van de zogenaamde BIG 8-cyclus en is richtinggevend voor de operationele beleidscyclus.

 

In de figuur zijn deze beleidsfasen bovenin weergegeven. Deze strategische beleidscyclus wordt over het algemeen iedere 4 jaar doorlopen, maar kan op basis van omgevingsfactoren, wetten of beleidsambities een andere frequentie hebben.

 

 

De provincie ziet, in het kader van het Interbestuurlijk Toezicht (IBT), toe op de implementatie van de VTH-beleidscyclus door onze gemeente. We versturen jaarlijks onze documenten aan de provincie en ontvangen een beoordeling.

 

In de Omgevingswet staat de kwaliteit van de leefomgeving centraal, waarbij initiatieven uit de samenleving invloed hebben op die kwaliteit. Uitvoering betreft activiteiten van inwoners, bedrijven of overheden als initiatiefnemer. De zorg van de overheid is erop gericht de leefomgeving te verbeteren waar deze tekortschiet en kwaliteiten te behouden waar ze goed zijn. Nieuwe instrumenten zoals de omgevingsvisie en het omgevingsplan worden leidend.

 

De vervlechting van de beleidscyclus voor de VTH-taken en de instrumenten en werkwijze van de Omgevingswet (die samen de beleidscyclus van de Omgevingswet vormen) gaat de komende jaren verder vorm krijgen. Voor dit beleidsplan is al zoveel mogelijk geanticipeerd op de nieuwe werkwijze onder de Omgevingswet.

 

In dit beleidsplan sluiten we aan bij de principes van de Omgevingswet: eenvoudiger en beter met meer afwegingsruimte door een actieve en flexibele aanpak. Dit zal niet van de ene op de andere dag doorgevoerd zijn in alle werkprocessen. In de praktijk moeten deze principes ‘groeien’. Met de komst van de Omgevingswet wijzigt ook een deel van de procedurele kaders. De wijzigingen als gevolg van de inwerkingtreding van de Omgevingswet en van de Wet kwaliteitsborging voor het bouwen per 1 januari 2024 zijn meegenomen in dit beleid.

 

1.4 Totstandkoming

De totstandkoming van dit beleidsplan is begeleid door een stuurgroep met teammanagers en een projectgroep van bij de VTH-taken betrokken medewerkers. De inhoud is tot stand gekomen door middel van werksessies met VTH-medewerkers en bij de betreffende gebieden betrokken medewerkers, zoals boa’s, gebiedsadviseurs en inhoudelijk specialisten op diverse gebieden (bijvoorbeeld met betrekking tot het landelijk gebied en de bedrijventerreinen).

 

In de werksessies is gekomen tot de omgevingsanalyse, de uitvoeringsstrategie en is de vertaling gemaakt naar prioriteiten en doelen voor de VTH-taken.

2 Visie op de VTH-taken

Dit hoofdstuk beschrijft onze visie op de VTH-taken in het kader van het omgevingsrecht. De visie bestaat uit de volgende bouwstenen:

  • Gebiedskwaliteiten als basis

  • Dienstverlenend

  • Integraal samenwerken

  • Ruimte voor initiatief en eigen verantwoordelijkheid

  • Risicogericht

  • Datagestuurd

  • Flexibel en toekomstgericht

2.1 Gebiedskwaliteiten als basis

Voor de VTH-taken ligt de wettelijke basis in onder andere de Omgevingswet en de Algemene Maatregelen van Bestuur die direct werkende regels stellen aan activiteiten in de fysieke leefomgeving. Daarnaast zijn de kenmerkende kwaliteiten van onze gebieden een belangrijke basis voor de prioriteiten die we stellen en de invulling van onze taken. De gebiedskwaliteiten zijn beschreven in onder andere onze omgevingsvisie. Deze kwaliteiten worden geborgd in onze verordeningen, beleidsregels, ons omgevingsplan. Zowel de wettelijke basis als de lokale basis vormen een belangrijk kader voor onze dagelijkse taakuitvoering.

 

Onze prioriteiten zijn gericht op het behoud van de kwaliteiten van de gebieden. We zetten ons in om risico’s te beperken én een bijdrage te leveren aan de bestuurlijke ambities vanuit de verschillende beleidsterreinen. Onze prioriteiten stellen we vast met bijbehorende doelstellingen. We geven concreet aan wat we willen bereiken en welke VTH-instrumenten we daartoe inzetten.

 

2.2 Dienstverlenend

Initiatiefnemers en belanghebbenden krijgen inzicht in regels voor de fysieke leefomgeving via het landelijk Digitale Stelsel Omgevingswet, het Omgevingsloket. Door vragenbomen en vergunningchecks bieden we initiatiefnemers de hulpmiddelen om zelf te beoordelen of een voorgenomen activiteit is toegestaan, aan regels is gebonden en of een vergunningaanvraag nodig is. In aanvulling op de ‘digitale dienstverlening’ hechten we aan persoonlijke dienstverlening.

 

We bieden de mogelijkheid om een conceptverzoek/verzoek om omgevingsoverleg in te dienen dat we bekijken op haalbaarheid en wenselijkheid. Hiervoor zijn verschillende vormen van vooroverleg gedefinieerd, variërend van eenvoudig tot complex. Het doel is om in een zo vroeg mogelijk stadium te bepalen of het initiatief haalbaar is. Dat wil zeggen: past het initiatief bij de omgevingsvisie en is het kansrijk om verder te ontwikkelen? Daarnaast wordt waar nodig een advies over participatie gegeven en worden aandachtspunten meegegeven waar een initiatiefnemer op moet letten bij het indienen van een vergunningaanvraag. We maken in bepaalde gevallen gebruik van onze omgevingstafel voor beoordeling van een initiatief. Daarbij zijn de initiatiefnemer en de benodigde expertises van alle van belang zijnde overheidsorganisaties al in een vroeg stadium betrokken. Vanuit de gedachte van ‘één-overheid’ betekent dit dat we de betrokkenheid organiseren van andere bevoegde gezagen (zoals rijksoverheid, provincie, waterschap, wettelijke adviseurs) en ketenpartners (zoals ODMH, VRMH, GGD).

 

De reguliere periode voor behandeling van een vergunningaanvraag is acht weken onder de Omgevingswet. Voor de buitenplanse omgevingsplanactiviteit en milieuaanvragen is dit een verkorting van de huidige termijn die maximaal 26 weken bedraagt. We richten onze dienstverlening zo in dat we samen met de initiatiefnemer tot een complete aanvraag kunnen komen die binnen de termijn van 8 weken kan worden behandeld. In uitzonderlijke gevallen, bijvoorbeeld wanneer de raad gebruik maakt van haar bevoegdheid tot het verlenen van een bindend advies en daarover een debat wil voeren, zal verlenging van de beslistermijn nodig zijn. Het uitstel bedraagt maximaal 6 weken.

 

2.3 Integraal samenwerken

Onder de Omgevingswet neemt het belang van integraal samenwerken verder toe. Dit geldt voor het onderling afstemmen van regels en procedurevereisten en voor samenwerking bij het behandelen van initiatieven. De initiatiefnemer en belanghebbende(n) moet kunnen rekenen op de gedachte van ‘één overheid’. Bij de uitvoering van onze VTH-taken werken we samen met een groot aantal partners die medeverantwoordelijk zijn voor de fysieke leefomgeving: Omgevingsdienst Midden-Holland, provincie, politie, RIEC, Rijkswaterstaat, Veiligheidsregio (brandweer), GGD, waterschap, Inspectie Leefomgeving en Transport, Openbaar Ministerie.

 

De samenwerking met deze partners gebeurt thema- of projectgericht. Met sommigen structureel, met anderen op incidentele basis. Samenwerking vindt op drie niveaus plaats:

  • Strategisch niveau: afstemming over beleid en uitvoering, handhavingsprojecten, zoals een handhavingsestafette of een regionaal samenwerkingsprogramma.

  • Tactisch niveau: doelgroep- en ketengericht, analyses, trends, inzet van handhavingsinstrumenten, aanpak probleem, informatie en kennisdeling.

  • Operationeel niveau: casusbesprekingen, acties, projecten, integrale aanpak.

2.4 Ruimte voor initiatief en eigen verantwoordelijkheid

We werken volgens de principes van de Omgevingswet om burgers en ondernemers eigen verantwoordelijkheid te geven en hen ruimte te bieden om met oplossingen te komen. Waar de eigen verantwoordelijkheid onvoldoende leidt tot het gewenste effect, faciliteren we onze inwoners en ondernemers. Onze Leidraad participatie kan daarbij een hulpmiddel zijn. Uiteindelijk is participatie echter vormvrij en kan een initiatiefnemer zelf bepalen in welke vorm participatie wordt gegoten. Onze gemeenteraad heeft voor bepaalde plannen bepaald dat participatie verplicht is.

 

Door alert te zijn op mogelijke conflicten bij klachten of meldingen proberen we escalatie te voorkomen. En door bekendheid te geven aan regels en voorschriften proberen we te voorkomen dat inwoners en bedrijven onnodige overtredingen begaan. Met voorlichting bieden we inzicht in de regels die van toepassing zijn. Op het moment dat de eigen verantwoordelijkheid niet wordt waargemaakt en er sprake is van (bewuste) overtredingen, gaan we waar nodig over tot sanctioneren om de overtredingen op te heffen.

 

2.5 Risicogericht

De VTH-taken voeren we uit volgens een risicogerichte benadering die in dit beleidsplan is vastgelegd qua methodiek en uitkomsten. We richten ons op activiteiten met de grotere risico’s en waar we onze VTH-instrumenten en onze capaciteit effectief kunnen inzetten. Daar ligt onze prioriteit. De prioriteiten bepalen in welke mate we specifiek inzetten op preventie (zoals voorlichting), de diepgang van beoordeling van vergunningaanvragen of meldingen en de intensiteit van ons toezicht. Dit kan worden aangevuld met prioriteiten voor de VTH-taken die voorvloeien uit landelijke wetgeving of verplichtingen die worden aangedragen door of afgestemd zijn met onze partners.

 

2.6 Datagestuurd werken

Datasturing en monitoring zijn instrumenten om gebruik te maken van beschikbare data om beleidskeuzes te onderbouwen, om effecten te volgen en om ambities en maatregelen gericht bij te kunnen sturen. Voor de VTH-taken maken we gebruik van deze instrumenten bij het opstellen van het jaarlijkse verslag en uitvoeringsprogramma. De informatie heeft betrekking op de bedrijfsvoering: aantallen vergunningen, meldingen, klachten, controles.

 

We hebben minder ervaring met het vastleggen en benutten van data over onze gebiedskwaliteiten en over het effect van de inzet van onze VTH-instrumenten. Dit zal de komende jaren verder ontwikkeld worden, mede in samenhang met de verplichte monitoring onder de Omgevingswet en de gemeentebrede ambities op datagestuurd werken.

 

2.7 Flexibel en toekomstgericht

We zijn een wendbare VTH-organisatie die flexibel in kan spelen op interne en externe ontwikkelingen, wij zijn toekomstbestendig en duurzaam. Door de gefaseerde uitrol van de Omgevingswet en Wet kwaliteitsborging voor het bouwen zal de organisatie de komende jaren nog veranderen.

 

Naar verwachting zal in 2025 een eerste fase van het nieuwe omgevingsplan worden vastgesteld. De keuzes die worden gemaakt in het kader van dat omgevingsplan hebben effect op de aantallen te verwerken producten en de inhoud van de functies in de VTH-organisatie. Zo kan er een verschuiving plaatsvinden van vergunningplichten naar algemene regels en naar meer doelvoorschriften met ruime interpretatiemogelijkheden. Dat zou een kleiner volume vergunningen kunnen betekenen en een andere manier van werken voor vergunningverleners en toezichthouders. Na 2025 zal het nieuwe omgevingsplan verder doorontwikkeld worden. Uiteindelijk zal er in 2032 een volledig, gebiedsdekkend nieuw omgevingsplan voor de gemeente vastgesteld moeten zijn.

 

Vijf jaar na de inwerkingtreding van de Omgevingswet staat de evaluatie van de Wet kwaliteitsborging voor het bouwen gepland. Volledige implementatie van de Wkb (al het toezicht gaat over naar de kwaliteitsborger, ook de risicovolle bouwprojecten) heeft eveneens een effect op het volume en op de inhoud van de functies.

 

De langdurige transitieperiode vraagt om flexibel en wendbaar organiseren. Met het afronden van de Veranderopgave VTH in 2023 hebben we organisatorisch stappen gezet richting deze flexibele organisatie. Dat houdt in dat niet alle formatie structureel wordt ingezet en er de eerste jaren wordt gewerkt met een flexibele schil (inhuurkrachten).

 

De organisatie en inzet van mensen en middelen leggen we vast in onze begroting. We onderbouwen hierbij de inzet die we plegen in het kader van de Kostendekkende Exploitatie Leges, geven inzicht in de benodigde kosten om de doelen uit dit beleidsplan te bereiken en leggen de beschikbare personele en financiële middelen inzichtelijk vast.

3 Prioriteiten en doelen

Een verplicht onderdeel van het beleidsplan VTH is het stellen van doelen en prioriteiten voor de uitvoering en handhaving. In dit hoofdstuk wordt uiteengezet hoe wij onze prioriteiten bepalen en welke doelen wij stellen.

 

3.1 Omgevingsanalyse

Dit beleidsplan bevat onze omgevingsanalyse (bijlage B), die is gebaseerd op een methode die veel gemeenten hanteren en die uitgaat van het effect van activiteiten en de kans dat de effecten zich voordoen. Op basis van deze ‘Kans en Effect’ benadering volgt een risicoscore van alle activiteiten. De risicoscore is vervolgens beoordeeld op de mate waarin we met onze VTH-instrumenten invloed kunnen uitoefenen op de activiteiten en de capaciteit die ingezet kan worden. Dit leidt tot onze prioriteiten. De methode en werkwijze is als volgt toegepast:

 

 

Uitgangspunt hierbij is dat bij de uitvoering van de VTH-taken de prioriteit ligt bij de grootste risico’s en opgaven en dat we passende VTH-instrumenten en capaciteit kunnen inzetten om de risico’s en opgaven effectief kunnen aanpakken.

 

Om invulling te geven aan de beleidscyclus in het kader van de Omgevingswet is bij het maken van de omgevingsanalyse aansluiting gezocht bij de gebiedstypen uit de omgevingsvisie; Alphen Stad, de kernen, bedrijventerreinen en het buitengebied.

 

De omschrijving en nadere toelichting op scores zijn uitgebreid beschreven in bijlage B. Voor de volledigheid volgt hier in het kort een beschrijving van de effecten en wijze van scoren.

 

Effecten

Onze omgevingsanalyse bevat acht typen effecten. Deze effecten zorgen voor een volledige en evenwichtige bepaling van de risico’s van de activiteiten. De effecten zijn:

 

Effect

Typering

Voorbeeldomschrijving

Veiligheid

persoonlijk en lichamelijk letsel

instortingsgevaar, explosie, brandoverslag, vluchtbeperkingen

Gezondheid

gezondheid en welbevinden

bodem- en luchtverontreiniging, ventilatie, waterkwaliteit, lichttoetreding

Leefbaarheid

kwaliteit van leefomgeving

geluid, trillingen, geur, licht

Duurzaamheid

natuurlijke bronnen en milieukwaliteit op (lange) termijn

energieverbruik, grondstofverbruik, uitstoot

Natuur

flora- en faunasoorten en natuurgebieden

stikstofuitstoot, verstoren leefklimaat, verstening

Cultuurhistorie

archeologische en monumentale waarden

sloop en verbouwing van monumenten, grondwerkzaamheden in archeologisch waardevol gebied

Financieel

financiële gevolgen voor de samenleving

opruim- en herstelkosten, bodemsaneringen, vermijden legeskosten, concurrentievervalsing

Bestuurlijk

risico’s voor het openbaar bestuur

Rechtsongelijkheid, imagoschade, negatieve publiciteit en afnemend vertrouwen in de overheid

 

Scores

Per activiteit is een score toegekend op elk van de effecttypen die loopt van 0 (geen effect) tot 5 (erg groot effect). Dit is ook gedaan voor de kans van 1 (komt niet voor, zeer goed naleefgedrag) tot 5 (komt vaak voor, beperkt naleefgedrag).

Voor elke activiteit is het gemiddelde effect bepaald en vermenigvuldigd met de kans.

Dit geeft de risicoscore. De risicoscore is berekend door 2x het gemiddelde effect te vermenigvuldigen met de kans. Bij een gemiddeld effect van 3 en een kans van 4 is de score dan 3*2 *4 = 24. Vervolgens zijn de scores ingedeeld naar laag, gemiddeld en hoog.

De risicoscore is vervolgens gecorrigeerd voor de mate waarin onze VTH-instrumenten effectief zijn om het risico te beheersen en de capaciteit die we kunnen inzetten op die VTH-instrumenten. Dit leidt uiteindelijk tot een indeling naar prioriteiten.

 

3.2 Prioriteiten

Onze prioriteiten zijn in de omgevingsanalyse zoals aangegeven ingedeeld naar gebiedstypen (Alphen Stad, kernen, bedrijventerreinen en buitengebied) zoals die in onze Omgevingsvisie zijn benoemd. De prioriteiten zijn onderverdeeld in activiteiten met een hoge, gemiddelde en lagere prioriteit.

 

Uit de omgevingsanalyse komen de volgende activiteiten naar voren die een hoge prioriteit hebben gekregen. Deze activiteiten zullen de komende jaren in het kader van prioriteit gestuurde werkzaamheden centraal staan in onze uitvoeringsprogramma’s.

 

Voor een volledige uitwerking van de prioriteiten per gebied wordt verwezen naar de omgevingsanalyse in Bijlage B.

 

Activiteiten met hoge prioriteit

  • Productie synthetische drugs of hennep / ondermijnende activiteiten

  • Illegale bewoning

  • Omgevingsveiligheid bij bouwen en slopen

  • Aantasting cultuurhistorische waarden

  • Evenementen categorie B+ en C

  • Realisatie of gebruik zonder benodigde vergunning

  • Horeca-activiteiten (waaronder paracommercie / strijdige alcoholverstrekking)

 

3.3 Doelen

Onze doelen met betrekking tot uitvoering en handhaving verdelen we onder in drie categorieën. We benoemen doelen:

  • voor onze algemene dienstverlening aan burgers en bedrijven

  • aan de hand van de activiteiten met een hoge prioriteit uit onze omgevingsanalyse

  • op basis van de doorwerking van andere visies en programma’s (zoals de omgevingsvisie) naar de VTH-taken.

In de volgende paragrafen benoemen we de doelen die we per categorie hebben gesteld.

3.3.1 Doelen voor onze dienstverlening in het kader van VTH-taken

  • Begeleiden van initiatieven vanuit een ‘ja, mits’ houding met aandacht voor:

    • o

      burgerparticipatie volgens ons participatiekader ‘Iedereen aan zet’

    • o

      de belangen van initiatiefnemers en belanghebbenden

    • o

      de bijdrage van een initiatief aan de doelen van onze omgevingsvisie

  • Actieve communicatie over regels en voorschriften om de bekendheid van regels en voorschriften te vergroten en naleving te bevorderen. De actieve communicatie bestaat uit heldere informatie via onze website, gerichte communicatie naar doelgroepen bij verandering van regels/voorschriften en het verstrekken van informatie bij voorgenomen initiatieven

  • Tijdige, klantgerichte en kwalitatieve behandeling van vergunningaanvragen binnen de wettelijke termijnen

  • Intrekken van vergunningen waarvan twee jaar na afgifte geen gebruik is gemaakt door uitvoering van de aangevraagde en vergunde activiteiten

  • Besluitvorming op handhavingsverzoeken binnen de wettelijke termijn en met oog voor alle belangen

  • Controlebezoeken op naleving van regels en voorschriften in omgevingsplan, vergunningen en algemene regels op de aspecten van de fysieke leefomgeving

  • Overgaan tot sanctioneren conform onze sanctiestrategie bij het constateren van voortdurende overtredingen waar geen concreet zicht is op legalisatie

  • Voldoen aan de eisen van de Wet open overheid en de Omgevingswet voor wat betreft actieve openbaarmaking van gemeentelijke VTH-besluiten

  • Opvolgen van landelijke wetgeving, eisen en veranderingen in besluiten die invloed hebben op de fysieke of bebouwde omgeving

  • Digitalisering van diensten en werkprocessen door het optimaal inrichten van het landelijke Digitale Stelsel Omgevingswet en onze gemeentelijke applicaties

3.3.2 Doelen op basis van onze omgevingsanalyse

  • Het leveren van een bijdrage aan het opsporen en aanpakken van ondermijnende activiteiten (productie en opslag drugs, heling, illegale activiteiten) door het opvolgen van meldingen door burgers en bedrijven, tijdelijke sluiting van panden indien productie of opslag wordt aangetroffen en door het actief controleren van leegstaande of verdachte panden

  • Tegengaan van illegale bewoning in panden waar dat niet is toegestaan volgens ons omgevingsplan en aanverwant beleid (woningsplitsing, overbewoning, arbeidsmigranten) door adresonderzoek en gerichte controles

  • Borgen van omgevingsveiligheid bij bouw- en sloopwerkzaamheden door beoordeling van het veiligheidsplan en controles ter plaatse

  • Behoud van cultureel erfgoed (monumenten, waardevolle panden) door communicatie met eigenaren en gebruikers en door zorgvuldige beoordeling van initiatieven voor aanpassingen aan cultureel erfgoed

  • Voorlichting geven over regels voor het realiseren, aanpassen en gebruiken van bouwwerken om te voorkomen dat er activiteiten zonder benodigde vergunning worden verricht.

  • Plaats laten vinden van evenementen die voldoen aan de regels en bepalingen om de veiligheid te garanderen en om hinder en overlast te reduceren

  • Voorlichting geven over de regels die op horeca en paracommerciële inrichtingen van toepassing zijn

3.3.3 Doelen op basis van doorwerking gemeentelijke visies en beleid

  • Inrichten van capaciteit, werkwijze en werkprocessen om de woningbouwversnelling voor nieuwbouw te faciliteren onder de Omgevingswet en rekening houdend met de gevolgen op onze rol en taken als gevolg van de Wet kwaliteitsborging voor het bouwen.

  • Bijdragen aan de bouw van woningen in combinatie met de sloop van agrarische gebouwen

  • Leveren van kennisinbreng in gebiedsinitiatieven of gebiedsprojecten

  • Leveren van kennisinbreng in initiatieven of projecten van de agrarische sector voor verbreding met natuurbeheer, recreatie/toerisme en productie van duurzame energie

  • Beoordelen van de constructieve risico’s voor bouwwerken als gevolg van bodemdaling in gebieden die daarvoor kwetsbaar zijn

3.4 Uitvoeringsprogramma

De realisatie van de doelen volgen we aan de hand van indicatoren. Deze indicatoren werken we uit in ons uitvoeringsprogramma en de realisatie volgen we in ons jaarverslag.

Ons uitvoeringsprogramma bevat de geplande inzet van VTH-instrumenten. De inzet is vertaald naar in te zetten capaciteit door de medewerkers binnen onze organisatie.

 

In het uitvoeringsprogramma wordt een onderscheid gemaakt in:

  • Dienstverlenende taken: dit betreft onze klantgestuurde taakuitvoering die is gebaseerd op vergunningaanvragen, meldingen, controles en landelijk voorgeschreven uitvoering.

  • Risicogestuurde taken: dit betreffen prioriteiten op basis van onze omgevingsanalyse zoals uitgewerkt in voorgaande paragraaf.

  • Beleidsgestuurde taken: dit betreft de inzet van VTH-instrumenten om uitvoering te geven aan vastgesteld gemeentelijk beleid of landelijke prioriteiten.

3.5 Monitoring en jaarverslag

De uitvoering leidt tot resultaten. In hoeverre deze resultaten bijdragen aan het bereiken van de doelstellingen, is onderwerp voor monitoring, evaluatie en verantwoording. Door het meten van prestaties en van indicatoren krijgen we inzicht in de mate waarin we onze prioriteiten en doelstellingen realiseren. De resultaten van de monitoring nemen we op in ons jaarverslag. Dit wordt vastgesteld door het college van B&W en ter kennisname aan de raad voorgelegd.

4 Uitvoeringsstrategie

In hoofdstuk 2 en 3 is ons beleid vastgelegd. De wijze waarop we dagelijks werken staat in onze uitvoeringsstrategie die is opgenomen als bijlage A.

Onze uitvoeringsstrategie kent een aantal onderdelen:

  • Preventie

  • Vergunningen

  • Toezicht

  • Sanctioneren

Bij preventie benoemen we hoe we zoveel mogelijk trachten om naleving van regels en voorschriften te bevorderen door onder meer voorlichting en het bieden van inzicht in onze regels.

 

In het onderdeel vergunningen beschrijven we op welke wijze we vergunningen verlenen en meldingen beoordelen. Naast een hoofdbeschrijving van het proces, beschrijven we de toetsingsniveaus.

 

Net als bij de toetsing (na ontvangst van aanvragen en meldingen), onderscheiden we ook bij toezicht verschillende uitvoeringsniveaus. Deze niveaus worden vastgelegd in het onderdeel toezicht. We sanctioneren bij overtredingen op basis van de Landelijke Handhaving Strategie Omgevingsrecht. Deze strategie is op onderdelen overgenomen en waar wenselijk nader uitgewerkt.

 

Ditzelfde geldt voor de landelijke gedoogstrategie. Dit is vastgelegd in het onderdeel sanctioneren.

5 Kwaliteitsborging

Kwaliteit is voor ons het realiseren van de doelstellingen die we met elkaar afspreken. Deze doelstellingen worden opgenomen in ons uitvoeringsprogramma en geven in de kern aan wat we vanuit VTH bijdragen aan onze bestuurlijke ambities, gebiedskwaliteiten en maatschappelijke opgaven.

 

Vanuit landelijke eisen is er aandacht voor de organisatie en kwaliteit van gemeentelijke VTH-taken. Deze eisen komen overeen met ons uitgangspunt dat de inhoudelijke kennis en expertise op orde dient te zijn. Landelijk zijn hiervoor kwaliteitscriteria vastgesteld. Door middel van zelfevaluatie beoordelen we in welke mate onze organisatie voldoet aan de kwaliteitscriteria. Onze verordening ‘Uitvoering en Handhaving omgevingsrecht Alphen aan den Rijn 2023’ bevat bepalingen over de kwaliteit van onze uitvoering en handhaving van het omgevingsrecht.

 

Onze kwaliteitsborging voor de VTH-taken is gevisualiseerd aan de hand van het OverheidsOntwikkelModel (OOM-model) met zes organisatiegebieden en vier resultaatsgebieden. Onderstaand is uitgewerkt wat we op de gebieden concreet doen.

 

 

Beleid en strategie:

  • Benoemen van de risico’s, prioriteiten en doelen voor vergunningverlening, toezicht en handhaving in dit beleidsplan en in ons jaarlijks uitvoeringsprogramma.

Management:

  • Samenwerking met partners om gezamenlijk de benodigde capaciteit, deskundigheid en continuïteit van de taakuitvoering te garanderen.

  • Communiceren en inbedden (richting medewerkers) van doelen uit beleid en strategie.

  • Afstemmen van prioriteiten en werkwijzen van vergunningverlening enerzijds en inspectie en toezicht anderzijds, zodat aandacht bij dezelfde aspecten ligt.

  • Verantwoorden op realisatie van doelstellingen uit beleid en strategie in ons jaarverslag.

Medewerkers:

  • Borging van continuïteit en deskundigheid voor uitvoering van taken, waarbij de deskundigheidseisen uit de landelijke kwaliteitscriteria een basis vormen.

  • Functiescheiding tussen vergunningverlener en toezichthouder/handhaver.

  • Rouleren van medewerkers die gedurende lange tijd verbonden zijn aan bepaalde aanvragers, ontwikkelaars, bedrijven of gebieden/wijken.

  • Bijhouden van functiebeschrijvingen waarin functie-eisen zijn opgenomen.

  • Periodiek voeren van functionerings- en beoordelingsgesprekken op basis van vaste bespreekpunten, rekening houdend met landelijke kwalificaties.

  • Scholing in relatie tot competenties, inhoudelijke opgaven/thema’s en opleidingsnormen.

Financiën (middelen):

  • Vertalen van beleid en strategie in jaarlijks uitvoeringsprogramma met een concrete uitwerking van in te zetten VTH-instrumenten en capaciteit en deze capaciteit duidelijk herkenbaar vastleggen in de begroting.

  • Borging benodigde middelen in begroting voor o.a. scholing, ICT, materiaal en materieel

Informatie:

  • Registreren van zaak- en procesgegevens in één registratiesysteem, gebaseerd op de werkprocessen die we hebben afgesproken.

  • Registreren van gegevens van objecten in een registratiesysteem met gebruik van authentieke gegevens uit basisregistraties.

  • Uitwisselen van relevante gegevens tussen zaak- en procesregistratie, documentregistratie en objectregistratie.

Processen:

  • Bijhouden van procesbeschrijvingen, protocollen en werkinstructies die zijn gebaseerd op ons operationeel beleid. Ter voorbereiding op de komst van de Omgevingswet en de Wet kwaliteitsborging voor het bouwen zijn onze processen herzien.

  • Gebruik van standaard sjablonen die juridisch en communicatief zijn getoetst.

  • Bereikbaarheids- en beschikbaarheidsregeling buiten kantoortijden.

  • Vier-ogen principe: toets door collega van niet gestandaardiseerde besluiten.

Waardering en eindresultaten:

Het verkrijgen van inzicht in de vier resultaatgebieden in de afbeelding van het OOM-model (waardering en eindresultaten) doen we voor de VTH-taken op de volgende wijze:

  • Jaarlijkse verslaglegging over realisatie van doelen en realisatie van geplande prestaties via de gemeentebrede Planning & Control cyclus.

  • Periodieke beoordeling of het werkproces en inhoudelijke beoordelingen plaatsvinden volgens afspraken door overleg tussen betrokken medewerkers over de opvolging van afspraken en werkinstructies en het uitdiepen van inhoudelijke onderwerpen of casussen.

  • Bij bezwaar- en beroepsprocedures, waarbij vakinhoudelijke en procedureel / juridische aspecten getoetst worden en verbeterpunten kunnen worden benoemd.

  • Door het doen van steekproeven in het kader van klantwaardering.

  • Bij het doorlopen van klachtenprocedures, waarbij verbeterpunten voor de organisatie worden aangereikt door de klachtencommissie.

  • Jaarlijkse controle op rechtmatigheid van de accountant.

  • Horizontaal toezicht door de raad.

  • Beoordeling van de interbestuurlijk toezichthouder (provincie) op wettelijke vereisten ten aanzien van beleid, organisatie en uitvoering van VTH-taken

Bijlage A Uitvoeringsstrategie Vergunningverlening, Toezicht en Handhaving BIJLAGE A bij Beleidsplan VTH omgevingsrecht

 

1 Inleiding

In deze uitvoeringsstrategie voor vergunningverlening, toezicht en handhaving (VTH-taken) leggen we onze werkwijze vast. Onze uitvoeringsstrategie sluit aan op de Landelijke Handhavingsstrategie Omgevingsrecht (LHSO, versie oktober 2022) en is aangevuld met onze gemeentelijke werkwijze.

 

Het vaststellen van een uitvoeringsstrategie is verplicht voor vergunningverlening en voor handhaving. Onder de Omgevingswet is in artikelen 13.5 en 13.6 van het Omgevingsbesluit opgenomen dat het bevoegd gezag een uitvoerings- en handhavingsstrategie vaststelt met:

  • Criteria bij het beoordelen en beslissen op aanvragen voor omgevingsvergunningen en bij het beoordelen van meldingen

  • Afspraken over samenwerking bij handhaving

  • De wijze waarop toezicht wordt gehouden

  • De wijze waarop bestuurlijke sancties en termijnen worden gehanteerd

  • De wijze waarop wordt gehandeld na geconstateerde overtredingen.

Afbakening

Deze uitvoeringsstrategie gaat over de gemeentelijke VTH-taken die onder de Omgevingswet vallen, inclusief onderdelen van onze lokale verordeningen die deel gaan uitmaken van het omgevingsplan. Concreet gaat het om preventie, vergunningverlening, toezicht en handhaving voor: omgevingsplan, evenementen, milieu, bouw, sloop, brandveiligheid, monumenten, reclame, rooien van bomen, natuurbescherming, in- en uitritten.

 

Deze strategie heeft twee functies. Ten eerste kan deze als motivering dienen voor besluiten. Ten tweede wordt vastgelegd hoe er met bevoegdheden wordt omgegaan. Met deze strategie legt de gemeente zichzelf verplichtingen op. De gemeente is in beginsel verplicht te handelen volgens haar eigen beleidsregels.

 

Deze uitvoeringsstrategie en het ‘Beleidsplan omgevingsrecht VTH’, vertalen we door in ons jaarlijks uitvoeringsprogramma. Daarin leggen we elk jaar vast welke instrumenten we inzetten, in welke intensiteit en welke gevolgen dit heeft voor de personele inzet.

 

Opbouw

De onderdelen van deze uitvoeringsstrategie zijn in onderstaand figuur gevisualiseerd.

 

Figuur: samenhang

 

In hoofdstuk 2 is onze preventiestrategie uitgewerkt en in hoofdstuk 3 de vergunningstrategie. De toezichtstrategie, sanctie- en gedoogstrategie staan in de hoofdstukken 4, 5 en 6.

 

2 Preventiestrategie

We bieden zoveel mogelijk inzicht in de regels aan onze burgers en bedrijven. Daarmee kunnen we overtredingen voorkomen die goedwillende en onbewuste overtreders kunnen maken. Het doel is om burgers en bedrijven van de juiste informatie en kennis te voorzien, zodat zij bij hun activiteiten op de hoogte zijn van de regels die gelden.

 

2.1 Voorlichting

We zetten voorlichting in om te voorkomen dat overtredingen ontstaan uit een gebrek aan informatie en kennis. Burgers en bedrijven worden door ons geïnformeerd over verandering van wet- en regelgeving, indieningsvereisten en mogelijkheden voor aanvragen:

  • Informatieverstrekking over beleid, wetgeving, regels en indieningsvereisten via onze gemeentelijke website, telefonisch, aan de balie en in gemeentelijke publicaties.

  • Benutten en vullen van het landelijk Digitale Stelsel Omgevingswet waar aanvragers een vergunningcheck, conceptverzoek, vergunningaanvraag of melding kunnen doen en waar de regels voor een locatie of gebied worden getoond.

  • Vooroverleg over indieningsvereisten, globaal inzicht in kansrijkheid van initiatieven en informatie over de mogelijkheden voor indiening van aanvragen.

  • Bespreken van (beoordelings)resultaten na indiening van een conceptverzoek of verzoek tot omgevingsoverleg.

  • Informatieverstrekking tijdens controles. Sommige controles kondigen we vooraf aan waardoor voorzieningen toegankelijk en benodigde documenten beschikbaar zijn.

Voorlichting is een dienstverlening van onze gemeente zonder bijkomende kosten. Voor de toetsing van een conceptverzoek (omgevingsoverleg) heffen we leges.

 

2.2 Verzoek omgevingsoverleg

Een initiatiefnemer kan op basis van een conceptverzoek/inidienen van een initiatief een verzoek tot omgevingsoverleg doen via het Digitaal Stelsel Omgevingswet (DSO) of onze gemeentelijke website. Onze werkwijze met betrekking tot conceptverzoeken en het omgevingsoverleg is vastgelegd en de werkprocessen zijn opgenomen in ons systeem Blue Dolphin.

 

Onder de Omgevingswet gebeurt de beoordeling van conceptverzoeken/initiatieven door verschillende vakspecialisten en waarbij de initiatiefnemer uitgenodigd kan worden voor een opbouwende dialoog. Door de kortere besluitvormingstermijn voor aanvragen onder de Omgevingswet wordt het omgevingsoverleg veelal vóór indiening van de aanvraag gevoerd. Indien nodig worden ketenpartners en adviseurs betrokken bij de complexere en omvangrijke initiatieven. Het eindresultaat van het omgevingsoverleg op basis van een conceptaanvraag betreft een indicatie van de haalbaarheid van een initiatief op bepaalde maatgevende facetten zoals ruimtelijke inpassing (incl. welstand), wonen, milieu, brandveiligheid, cultureel erfgoed, gebieds-en en soortenbescherming en mobiliteit. De aanvrager kan zijn initiatief zo nodig aanpassen en verder uitwerken en loopt zodoende in het formele vergunningentraject niet meer tegen onverwachte aspecten aan.

 

2.3 Participatie

Onze gemeenteraad stelt vast voor welke vergunningprocedures participatie verplicht is. Verder stimuleren we initiatiefnemers om een participatieproces te doorlopen. De initiatiefnemer kan met participatie zorgdragen voor voldoende bekendheid van het initiatief bij belanghebbenden en inbreng verkrijgen van die belanghebbenden. Dit kunnen wij als gemeente meenemen bij onze beoordeling van het initiatief of de uiteindelijke vergunningaanvraag (al kunnen we een aanvraag niet weigeren vanwege het ontbreken van prticipatie). Wij kiezen als gemeente voor een neutrale rol in het participatieproces; we stimuleren de initiatiefnemer tot een participatieproces en stellen op verzoek feitelijke kennis en informatie beschikbaar aan alle partijen. Voor evenementen nemen we als vergunningvoorwaarde op dat de organisator alle betrokkenen informeert.

 

2.4 Actieve openbaarmaking

Bij de publicatie en actieve openbaarmaking van alle besluiten (waaronder het intrekken van vergunningen) volgen we de wettelijke basis van de Omgevingswet (o.a. artikel 16.6), de Algemene wet bestuursrecht (artikelen 3:41, 3:44 en 3:45) en de Wet open overheid:

  • Bekendmaken van het besluit aan de aanvrager / vergunninghouder

  • Mededeling van het besluit aan degenen die zienswijzen hebben ingebracht en aan de adviseur als het besluit afwijkt van het advies

  • Kennisgeving en ter inzagelegging in een door onze gemeente uitgegeven publicatie

2.5 Samenwerking bij preventie

Bij veranderende wetgeving of ontwikkelingen werken we samen met partners zoals het waterschap, de brandweer, ODMH, branchevereniging bij het verstrekken van kennis en informatie. Dit doen we met die partners door informatie op te nemen op websites, organiseren van bijeenkomsten of het gericht uitdoen van mailings.

 

3 Vergunningstrategie

We verstaan onder vergunningverlening:

  • verlenen, weigeren, wijzigen of (gedeeltelijk) intrekken van een vergunning, inclusief de buitenplanse omgevingsplanactiviteit;

  • behandelen van een melding 1 ;

  • besluiten over maatwerk en/of gelijkwaardigheid;

  • (bindende) adviezen van de gemeenteraad bij buitenplanse afwijkingen;

  • besluit nemen over het al dan niet vereisen van een MER (m.e.r.-beoordeling).

3.1 Basiswerkwijze

De Omgevingswet leidt tot veranderingen in het vergunningenproces. Zo is de reguliere procedure met een termijn van 8 weken de standaard. Ook vervalt de vergunning van rechtswege als de termijn is verstreken. De gemeente dient altijd een besluit te nemen op de vergunningaanvraag; bij het overschrijden van de termijn kan de initiatiefnemer een beroep doen op de Wet dwangsom en beroep bij niet tijdig beslissen.

 

Uitgangspunten bij vergunningverlening en het behandelen van meldingen zijn:

  • Initiatiefnemers zijn zelf verantwoordelijk voor het indienen van goede en volledige aanvragen/meldingen conform landelijke en lokale indieningsvereisten;

  • We houden ons bij de taakuitvoering aan de algemene beginselen van behoorlijk bestuur: zorgvuldigheid, rechtszekerheid, gelijkheid;

  • Vergunningen zijn afgestemd op wet- en regelgeving (landelijk, provinciaal en lokaal) en op lokaal en provinciaal beleid;

  • Vergunningen zijn afgestemd op landelijke standaarden;

  • Vergunningen zijn zo begrijpelijk mogelijk geformuleerd, naleefbaar en beoordeeld op handhaafbaarheid;

  • Inzichten vanuit de bezwaarcommissie worden actief gedeeld om de kwaliteit van de vergunningen verder te verbeteren;

  • Besluiten op vergunningaanvragen worden tijdig genomen, conform de wettelijke termijnen;

  • Er is afstemming met andere bestuurs- of adviesorganen indien een instemmings- of adviesplicht van kracht is.

We hebben de taak om de belangen vanuit verschillende disciplines te coördineren. Bij aanvragen van een omgevingsvergunning wordt gewerkt met de rol van casemanager. Bij een aanvraag waarvoor meerdere disciplines betrokken zijn wordt de casemanager betrokken. De aanvrager en belanghebbenden hebben een vast aanspreekpunt. De casemanager dan wel vergunningverlener krijgt vanuit de betrokken disciplines adviezen aangereikt en ziet toe op het integrale karakter van de vergunning.

 

Ons hoofdproces voor het beslissen op een vergunningaanvraag en het beoordelen van een melding volgt onderstaande stappen. Daarbij volgen wij voor vergunningaanvragen de wettelijke reguliere of uitgebreide procedure zoals vastgelegd in de Awb en de Omgevingswet.

 

Hoofdproces:

  • 1.

    Inboeken, registreren en eventueel digitaliseren van de aanvraag;

  • 2.

    Sturen ontvangstbevestiging;

  • 3.

    Beoordelen:

    • a.

      Bevoegd gezag;

    • b.

      Uitgebreide of reguliere procedure;

    • c.

      Meervoudige of enkelvoudige aanvraag;

    • d.

      Publiceren aanvragen en (concept)beschikkingen;

    • e.

      Overzicht bewaken over lopende procedures en de voortgang.

  • 4.

    Toetsen:

    • a.

      Toets volledigheid en ontvankelijkheid op basis van indieningsvereisten en samenloop met andere vergunningen/meldingen;

    • b.

      (Vak)inhoudelijke toets aan alle relevante beoordelingskaders (waaronder het omgevingsplan en het Besluit bouwwerken leefomgeving);

    • c.

      Uitzetten bij interne- en externe adviseurs;

    • d.

      Bewaken van de termijn;

    • e.

      Aanspreekpunt voor de aanvrager en informeren aanvrager;

    • f.

      Opstellen (concept)beschikking;

    • g.

      Opstellen legesfactuur;

    • h.

      Registratie (behandelstappen en documenten).

  • 5.

    Archiveren beschikkingen (analoog en/of digitaal). Een afschrift van de beschikking en/of melding, wordt verstuurd aan alle adviserende externe adviseurs in verband met toezicht en handhaving op die beschikking.

  • 6.

    Mogelijk zienswijze, bezwaar, beroep en hoger beroep, eventueel gecombineerd met een voorlopige voorziening.

Een aantal onderdelen van het hoofdproces wordt uitgevoerd door administratief medewerkers of de deelnemers in het Omgevingsloket Alphen (OLA). De vergunningverlener is hoofdverantwoordelijk voor het proces van afhandelen van de aanvraag.

 

Vergunningaanvragen worden digitaal behandeld. We sturen op digitale indiening. Aanvragen die op papier worden ingediend, worden door ons gedigitaliseerd. De werkprocessen zijn vastgelegd in ons systeem Centric Leefomgeving, werkinstructies zijn vastgelegd in Blue Dolphin. De processtappen worden doorlopen en er wordt aangegeven wie waarvoor verantwoordelijk is. De meest voorkomende correspondentie, beschikkingen, adviezen en vergunningvoorschriften zijn gestandaardiseerd.

 

Bij ontvangst van meldingen, zoals voor brandveilig gebruik vindt een beoordeling plaats of de melding compleet is. Er volgt op een melding geen besluit. Het toezicht op de meldingen wordt primair uitgevoerd door de Brandweer. Indien toezicht van gemeentewege nodig is, om wat voor reden dan ook, wordt dat werkproces gestart en wordt overleg gevoerd met de Brandweer. Er bestaat een mogelijkheid om, indien nodig, maatwerkvoorschriften op te leggen of een gelijkwaardigheidsbesluit te nemen.

 

Meldingen in het kader van de Wet kwaliteitsborging voor het bouwen worden beoordeeld op volledigheid. Bij de bouwmelding volgt daarop een korte beoordeling van de risicoanalyse en het door de kwaliteitsborger ingediende borgingsplan. Uitgangspunt is dat de verantwoordelijkheid voor de uitvoering ligt bij de kwaliteitsborger. Mocht de risicoanalyse of het borgingsplan aanleiding geven tot het vragen van extra informatie, zullen wij om die informatie verzoeken op grond van de ons daartoe gegeven wettelijke mogelijkheden. Ook houden we mogelijkheid open om informatie- en stopmomenten op te leggen.

Dit zal verder invulling krijgen als de Wkb en Omgevingswet in werking zijn getreden.

Gelijktijdig aan de bouwmelding moet de indiener een risicomatrix in het kader van bouw- en sloopveiligheid aanleveren. Indien nodig vragen we om een bouwveiligheidsplan. Zonder aanlevering van de risicomatrix mag niet worden gestart met bouwen, ook al is de Bouwmelding compleet.

 

3.2 Ontvankelijkheid

Een complete beoordeling van aanvragen is mogelijk als de vereiste stukken aanwezig zijn. Gelet op de korte afhandeltermijn van de reguliere procedure is het van belang om de aanvraag zo snel mogelijk compleet te hebben. De marges voor het toestaan van uitzonderingen zijn gering. Het consequent toetsen van een aanvraag op ontvankelijkheid op basis van de wettelijke vereisten voorkomt dat in het vervolg van het proces de toetsing niet (geheel) kan worden uitgevoerd.

 

We verrichten een ontvankelijkheidstoets bij alle aanvragen voor een omgevingsvergunning. Als richtlijn geldt dat binnen vier weken na ontvangst van de aanvraag schriftelijk om aanvullende gegevens wordt verzocht. Als de situatie daarom vraagt kan hiervan afgeweken worden. Als de gevraagde stukken niet, niet op tijd of niet volledig worden aangeleverd, wordt de aanvraag buiten behandeling gelaten. Dit wil zeggen dat de aanvrager een besluit krijgt dat zijn aanvraag om een omgevingsvergunning buiten behandeling blijft, waartegen bezwaar kan worden ingediend.

 

Indien voor het verlenen van een vergunning een toestemming van een andere overheid nodig is om een bepaalde activiteit uit te voeren en deze niet of onvolledig is ingediend, kan de aanvraag om een omgevingsvergunning niet in behandeling worden genomen. Daarbij wordt gelegenheid gegeven om binnen een bepaalde termijn de aanvraag aan te vullen. In het kader van de coördinatieregeling bekijken wij, of voor het realiseren van de aangevraagde activiteit ook overige vergunningen of meldingen nodig zijn en informeren we de aanvrager.

 

3.3 Bibob -toets

We voeren een Bibob-toets uit conform onze recent vastgestelde beleidsregels voor toepassing van de Wet bevordering integriteitsbeoordelingen door het openbaar bestuur (Bibob). De Bibob-toets start met het doen van een eigen onderzoek, in de gevallen aangewezen in het Bibob-beleid. Dit betreft in ieder geval bouwplannen met een bouwsom groter dan € 500.000 en als sprake is van concreet aanwezen risicocategorieën. Indien er aanleiding is kan het onderzoek opgeschaald worden.

 

Indien een advies wordt gevraagd aan het Landelijk Bureau Bibob, conform de Wet Bibob, dan wordt de wettelijke behandeltermijn opgeschort. Het landelijke bureau Bibob brengt binnen 4 weken advies uit (verlenging met 4 weken is mogelijk).

 

3.4 Inwerkingtreding vergunning

In de Omgevingswet is vastgelegd dat bij een reguliere procedure de omgevingsvergunning van kracht is na de dag waarop het besluit bekend is gemaakt. De Omgevingswet geeft een mogelijkheid om gevallen aan te wijzen waarbij sprake is van uitgestelde inwerkingtreding. Binnen onze gemeente geldt uitgestelde inwerkingtreding bij activiteiten die kunnen leiden tot een wijziging van een bestaande toestand die niet kan worden hersteld (onomkeerbaarheid).

 

Het betreft:

  • 1.

    Kappen

  • 2.

    Slopen in beschermd stadsgezicht en op grond van ruimtelijke regels

  • 3.

    Wijzigingen aan (gemeentelijke-, provinciale- en Rijks)monumenten

  • 4.

    Aanleg (in de meeste gevallen)

3.5 Intrekken van de vergunning

Verleende vergunningen kunnen worden ingetrokken. Bijvoorbeeld vergunningen voor werken die niet zijn gestart of langer dan 6 maanden stilliggen. Daarmee wordt voorkomen dat activiteiten gerealiseerd worden volgens verouderde normen in wetgeving, dat werken voor langere tijd onnodig blootstaan aan de elementen of dat omwonenden of belanghebbenden na lange tijd geen mogelijkheden meer hebben om tegen een onherroepelijke vergunning de gebruikelijke rechtsmiddelen aan te wenden. De Omgevingswet kent een termijn van minimaal een jaar waarna de gemeente de vergunning kan intrekken, we hanteren een termijn van twee jaar.

 

In de volgende gevallen zal aan de vergunninghouder een nadere termijn (van maximaal 1 jaar) worden gegund waarbinnen met de werkzaamheden een aanvang moet zijn gemaakt:

  • a.

    de vergunninghouder met documenten (offerte van bouwondernemer, facturen bestelde bouwmaterialen en/of hiermee gelijk te stellen documenten) zijn intentie tot bouwen kan aantonen;

  • b.

    de vergunninghouder persoonlijke omstandigheden opvoert die tot uitstel van bouwwerkzaamheden leiden.

3.6 Rechtsbescherming

De Algemene wet bestuursrecht is van toepassing op besluiten op vergunningen onder de Omgevingswet. Voor belanghebbenden staan de mogelijkheden voor zienswijzen, bezwaar of beroep open. De mogelijkheden voor besluiten zijn als volgt (met enkele specifieke uitzonderingen die zijn vastgelegd in de Awb), waarbij we tevens het handhavingsbesluit weergeven:

 

Besluit

Zienswijze

Bezwaar

Beroep rechtbank

Beroep RvS

Omgevingsvergunning regulier

 

X

X

X

Omgevingsvergunning uitgebreid

X

 

X

X

Maatwerkvoorschrift

 

X

X

X

Handhavingsbesluit

X

(voornemen)

X

X

X

 

Bij een handhavingsbesluit en afwijzing van een vergunningaanvraag wordt een voornemen verzonden waarop zienswijzen kunnen worden ingediend. De zienswijzen worden meegenomen bij de belangenafweging.

Een reactie op een melding Wkb of brandveilig gebruik is geen besluit. Hiertegen staat geen rechtsgang open.

 

3.7 Beoordelingskader omgevingsplanactiviteit

Omgevingsplan

Ons omgevingsplan bevat onze lokale regels voor de fysieke omgeving. In combinatie met de landelijke regels blijkt welke activiteiten in de fysieke omgeving mogelijk zijn, voor welke een informatieplicht of melding nodig is, voor welke activiteiten een vergunning nodig is en welke activiteiten niet mogelijk zijn zonder een vergunning die toestemming geeft of zonder dat het omgevingsplan wort gewijzigd voor die activiteit.

 

Aanvragen worden getoetst aan het omgevingsplan. Als blijkt dat een aanvraag niet voldoet dan beoordelen we of een vergunning voor een buitenplanse omgevingsplanactiviteit (bopa) of wijziging omgevingsplan voor dat initiatief mogelijk is. Pas nadat een procedure geheel doorlopen is (en ook eventuele ingediende zienswijzen zijn beoordeeld en hierover besluiten zijn genomen) kan de omgevingsvergunning worden verleend.

 

Op de datum van inwerkingtreding van de Omgevingswet beschikken we over een omgevingsplan van rechtswege, ons tijdelijke omgevingsplan. Dit bestaat uit de bestemmingsplannen van onze gemeente en de Bruidsschat.

Vervolgens is er een transitieperiode tot 2032 om ons omgevingsplan voor het grondgebied vast te stellen waarin alle regels zijn opgenomen voor de fysieke omgeving. De Omgevingswet kent geen actualisatieplicht. Wel is er de verplichting om de gemeentelijke omgevingsvisie, landelijk en provinciale instructieregels, beleid voor de fysieke omgeving en verleende vergunningen te vertalen naar en op te nemen in het omgevingsplan. In de regel moet een vergunning voor een buitenplanse omgevingsplanactiviteit binnen 5 jaar nadat hij onherroepelijk is geworden verwerkt worden in het omgevingsplan.

 

De gemeente Alphen aan den Rijn is in april 2023 gestart met de eerste fase van het nieuwe omgevingsplan; het opstellen van een casco en het omgevingsplan voor één gebied, de kernen. Naar verwachting is deze eerste fase in 2025 afgerond. Daarna volgen de andere gebieden.

 

Onder de Omgevingswet kan de gemeenteraad verklaren dat een omgevingsplan wordt voorbereid voor een gebied (voorbereidingsbesluit). Een voorbereidingsbesluit beschermt een gebied tegen (bouw)activiteiten die een gewenste ontwikkeling in dat gebied onomkeerbaar in de weg staan. Daarnaast kan op basis van een voorbereidingsbesluit medewerking worden verleend aan (bouw)activiteiten die geen invloed hebben op de gewenste ontwikkeling van een gebied, of daarmee in overeenstemming zijn.

 

Afwijkingen

Initiatieven die afwijken van de regels in het omgevingsplan kunnen gebruik maken van de reguliere vergunningprocedure voor een buitenplanse omgevingsplanactiviteit. Voor sommige ontwikkelingen is de procedure tot het wijzigen van het omgevingsplan beter passend of noodzakelijk. Hiervoor neemt de gemeenteraad een besluit (tenzij de raad delegeert aan college). Voor de vergunningprocedure is het college bevoegd. De gemeenteraad wijst gevallen aan waarvoor zij (bindend) adviesrecht heeft en advies geeft aan het college voordat een besluit op de vergunningaanvraag wordt genomen. In die gevallen is het advies van de gemeenteraad bindend en mag het college daar niet van afwijken.

 

Elk plan wordt getoetst aan de regels van het omgevingsplan om na te gaan of er sprake is van strijdigheden met de voorschriften. Dit gebeurt op een grondige manier. Voor bouwactiviteiten wordt beoordeeld op de evenwichtige toedeling van functies aan locaties, welstandseisen en technische aspecten waarvoor de gemeente verantwoordelijk is en er regels zijn opgenomen in het omgevingsplan. Voor activiteiten zonder bouwen ligt de prioriteit op de landschappelijke voorwaarden of milieubelastende activiteiten.

 

Aanlegactiviteiten

Bij de beoordeling van aanvragen voor de activiteit ‘aanleg’ (uitvoeren werken of werkzaamheden) zoals afgraven of ophogen ligt de prioriteit op archeologie, bodem, natuurwaarden, cultuurhistorie en landschappelijke waarden. Ons omgevingsplan bevat de gebiedswaarden waarop we beoordelen.

 

Parkeerbeleid

Een van de beoordelingskaders voor ruimtelijke toestemmingen / plannen is de toetsing aan het gemeentelijk parkeerbeleid. In dit beleid zijn, per functie, normen voor parkeren opgenomen. Hiervoor wordt advies gevraagd aan de parkeeradviseur.

 

Welstand

Indien een aanvraag voor een omgevingsplanactiviteit aan het omgevingsplan voldoet, of duidelijk is dat de omgevingsvergunning voor strijdig gebruik kan worden verleend, wordt het plan getoetst aan redelijke eisen van welstand. Welstand is ook een belang dat al wordt meegenomen in de ruimtelijke afweging. Concreet houdt dit in dat het bouwplan moet voldoen aan de criteria die zijn opgenomen in de Welstandsnota. De regels voor de welstandstoets zijn opgenomen in de Bruidsschat en maken onderdeel uit van het tijdelijk omgevingsplan. De toetsing aan welstand gebeurt door de adviescommissie omgevingskwaliteit.

 

3.8 Beoordelingskader bouwtechnische activiteit

Voor bouwen is de preventieve toets een ‘aannemelijkheidstoets’: een vergunning voor de activiteit bouwen wordt verleend als voldoende aannemelijk is dat het bouwplan voldoet aan de technische voorschriften. Hiermee stelt de wetgever dat de gemeente bij het toetsen van de bouwaanvraag niet de verantwoordelijkheid overneemt van de vergunninghouder of bouwer.

 

De toetsingsstrategie voor (bouw)aanvragen heeft tot doel te komen tot een uniforme manier van toetsen door een kwaliteitsniveau vast te leggen. Ongeacht de behandelend medewerker vindt een eenduidige toetsing plaats. Tevens wordt aan de hand van de toetsingsstrategie gekomen tot een zo efficiënt en effectief mogelijke inzet van de beschikbare middelen.

 

Aanvragen voor vergunningsplichtige bouwwerken toetsen we aan de volgende onderdelen:

  • Bouwtechnisch (niet vallend onder Wkb) conform Besluit bouwwerken leefomgeving

  • Bibob conform gemeentelijke beleidsregels

  • Beleidsregels inzake gelijkwaardigheid

Bouwtechnische toetsing

De landelijke bouwtechnische regels zijn opgenomen in het Besluit bouwwerken leefomgeving (Bbl) (voorheen Bouwbesluit). De bouwtechnische toetsing die de gemeente uitvoert is voor bouwwerken die niet onder gevolgklasse 1 van de Wkb vallen (en tot minimaal 1 juli de verbouwplannen die vallen onder gevolgklasse 1). Het is praktisch onmogelijk om alle voorschriften uitputtend te toetsen. Hiervoor ontbreken de (financiële) middelen en capaciteit. Bovendien vraagt niet elk bouwwerk om deze toetsing. Voor de technische toetsing van aanvragen voor een omgevingsvergunning voor het bouwen is het noodzakelijk tot een lokaal kader te komen waarin we aannemelijk maken of aan de regelgeving wordt voldaan.

 

Toetsingsniveaus

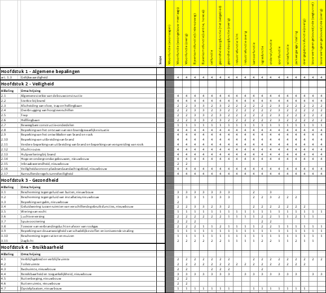
De toetsing van een aanvraag met een bouwactiviteit baseren we op de landelijke toetsingsmatrix. Deze werkt met vier niveaus van toetsing. Per type bouwwerk is afhankelijk van het risico bepaald op welk niveau ieder van de aspecten getoetst wordt.

 

De toetsingsniveaus beschrijven de diepgang van de beoordeling. Bij de keuze en omschrijving van de toetsingsniveaus is aangesloten bij de definities vanuit het landelijk project Collectieve Kwaliteitsnorming Bouwvergunningen (CKB). Doel is om de toetsingskwaliteit van aanvragen te waarborgen: vastleggen van een toetsingsniveau waaraan wordt getoetst en waardoor inzicht wordt verschaft in hetgeen is getoetst.

 

Er zijn vier toetsingsniveaus waarbij de diepgang oploopt van 1 naar 4. Er is voor gekozen om de toetsingsniveaus algemeen te beschrijven en niet voor elk individueel voorschrift te definiëren wat onder het toetsingsniveau moet worden verstaan. In de werkprocessen wordt bevorderd dat de hantering van de toetsingsniveaus op uniforme wijze wordt toegepast.

 

Cat

Werkniveau

Toetsniveau

1

Sneltoets

Toetsen op de compleetheid van de (technische) informatie:

  • aanwezigheid tekeningen/berekeningen;

  • vereiste voorzieningen op tekening aangegeven en globale inschatting plausibel dat aan eisen worden voldaan

2

Globaal

 

Toetsen of uitgangspunten conform norm zijn:

  • controle door na te gaan of uitgangspunten uit tekeningen/berekeningen zijn te halen door bijvoorbeeld:

    • o

      maten of meten

    • o

      controle andere specificaties (bv. certificaat)

    • o

      controle rekenmethode

  • wordt er voldaan aan de gestelde eisen; tekeningen en berekeningen worden naast de eis gelegd en met elkaar vergeleken.

3

Representatief

Toetsen of berekeningen correct zijn weergegeven:

  • controle door aantal representatieve onderdelen (vooral de constructieve- en brandveiligheid) op tekening en/of in berekening rekenkundig te controleren.

4

Grondig

 

Toetsen op alle onderdelen

  • voorschrift integraal controleren;

  • berekeningen narekenen;

  • zo nodig complexe berekeningen (laten) beoordelen.

 

Toetsingsmatrix

Het toetsingsprotocol is een matrix. Horizontaal, in de rijen, zijn de thema’s/aspecten aangegeven en verticaal de gebruiksfuncties. De matrix is opgenomen in bijlage 1.

 

Wet kwaliteitsborging voor het bouwen ( Wkb )

Bij inwerkingtreding van de Wet kwaliteitsborging voor het bouwen per 1 januari 2024 vervalt de toetsing en het toezicht op een groot deel van het huidige Bouwbesluit voor nieuwbouwbouwwerken in gevolgklasse 1 (minder complexe bouwwerken zoals woningen, eenvoudige bedrijfsgebouwen en risicodragende verbouwingen).

 

Onze toetsings- en toezichtstrategie geldt voor de bouwwerken die niet vallen onder gevolgklasse 1 (GK1) van de Wet kwaliteitsborging voor het bouwen. Bouwwerken die vallen onder GK1 worden door ons niet meer bouwtechnisch getoetst; wel blijft bij deze bouwwerken de toetsing aan ons omgevingsplan via de vergunning voor de omgevingsplanactiviteit.

 

Van de GK1 bouwwerken ontvangen we voorafgaand aan de bouw een melding bouwactiviteit met een borgingsplan, risicobeoordeling en gegevens over de kwaliteitsborger evenals een risicomatrix in het kader van bouwveiligheid. Na afloop van de bouw ontvangen we een melding met een verklaring van de kwaliteitsborger. Deze documenten worden op volledigheid getoetst en steekproefsgewijs vindt verdieping op specifieke aspecten plaats.

 

Verder voeren we een administratieve check uit op de kwaliteitsborger en de te gebruiken instrumenten door die kwaliteitsborger. Deze check is om te beoordelen of de kwaliteitsborger en de instrumenten in het register zijn opgenomen van de landelijke Toelatingsorganisatie Kwaliteitsborging Bouw.

 

Bij bouwwerken in Gevolgklasse 1 (GK1) ontvangen we een borgingsplan. Bij de beoordeling van dit plan bekijken we of de wettelijk en lokaal bepaalde eisen ook zijn opgenomen (volledigheidstoets).

 

Onze beoordeling van de meldingen of het borgingsplan kan ertoe leiden dat we contact opnemen met de kwaliteitsborger om gezamenlijk toezicht uit te oefenen tijdens de realisatie. Daarbij kunnen we als gemeente de aspecten beoordelen die niet onder de reikwijdte van de kwaliteitsborger vallen.

 

Er kan een bouwmelding worden ingediend zonder gelijkwaardige oplossing, terwijl tijdens de bouw afwijkend wordt gebouwd met een gelijkwaardige oplossing. Dit kan tot gevolg hebben dat niet langer sprake is van een gevolgklasse 1 bouwwerk en er onterecht een melding is ingediend, terwijl een vergunning is vereist. Wanneer dit gebeurt zal de kwaliteitsborger contact op dienen te nemen met de gemeente. Wij dienen te beoordelen welke vervolgstappen nodig zijn en de uitkomst daarvan koppelen we terug aan de kwaliteitsborger en initiatiefnemer. Stillegging van de bouwwerkzaamheden is daarbij een van de mogelijkheden.

 

3.9 Beoordelingskader sloop

Voor slopen geldt bij karakteristieke panden (vastgelegd in omgevingsplan), monumenten en panden gelegen in een stads- en dorpsgezicht een vergunningplicht. Voor overige panden geldt een meldingsplicht. De sloopvergunning (gemeente) wordt beoordeeld op ontvankelijkheid en inhoudelijk beoordeeld met bijzondere aandacht voor monumentale waarden en asbest. De melding sloopactiviteit op grond van het Besluit bouwwerken leefomgeving wordt beoordeeld door de Omgevingsdienst Midden Holland.

 

3.10 Beoordelingskader brandveiligheid

Het toetsen van meldingen voor alle typen gebouwen in relatie tot brandveiligheid gebeurt op basis van een 100% toets aan wettelijke regelgeving, zowel ten aanzien van volledigheid als inhoud. In sommige gevallen (wanneer er bijvoorbeeld sprake is van een gelijkwaardigheid of als het gaat om bluswatervoorzieningen en bereikbaarheid) wordt advies gevraagd aan de Veiligheidsregio.

Voor niet-bouwwerken, zoals tenten, podia, kermissen wordt gewerkt volgens het Besluit brandveilig gebruik en basishulpverlening overige plaatsen en het gemeentelijk beleid voor evenementen.

 

3.11 Beoordelingskader monumenten en archeologie

Het omgevingsplan legt de beschermingsgraad vast van ons bebouwd en onbebouwd erfgoed. De rijksmonumenten zijn aangewezen op grond van de Erfgoedwet en we hoeven deze niet op te nemen in ons omgevingsplan om ze te beschermen.

 

De omgevingsvergunning voor monumenten en archeologie voorkomt onomkeerbare schade aan het erfgoed. Naast de beoordeling van de aanvraag voor monumenten over bouwhistorische onderdelen via de gemeentelijke adviescommissie ruimtelijke kwaliteit wordt bij de toetsing van aanvragen voor een vergunning voor monumenten aangesloten bij het beoordelingskader bouwen. Als ingrijpende wijzigingen, reconstructies, herbestemming en sloop plaatsvindt aan rijksmonumenten dan wordt advies aangevraagd bij Rijksdienst voor Cultureel Erfgoed (RCE).

 

3.12 Beoordelingskader milieu

De taken voor het behandelen van vergunningen of meldingen voor milieubelastende activiteiten zijn opgedragen aan de Omgevingsdienst Midden-Holland. De ODMH draagt zorg voor behandeling van vergunningaanvragen, meldingen en ook het toezicht. De ODMH heeft regionaal uitvoeringsbeleid opgesteld voor de (basis)taken die zijn opgedragen; daar gaan we in deze strategie niet op in.

 

Met de Bruidsschat komt de bevoegdheid van honderden rijksregels over naar gemeenten en vallen zij niet meer onder het basistakenpakket van omgevingsdiensten. Deze regels komen in het omgevingsplan en we hebben de keuze om de regels ongewijzigd te laten, aan te passen of te schrappen. Er zitten ook milieuregels in de bruidsschat. Dat kan betekenen dat milieuregels deel gaan uitmaken van onze beoordeling van initiatieven met een omgevingsplanactiviteit. Bijvoorbeeld regels met betrekking tot zwerfafval verhuizen van een AMvB naar het omgevingsplan.

 

Advies

Bij een omgevingsvergunning komen milieu-aspecten aan bod. Bij een groot gedeelte van de aanvragen wordt een advies aan de ODMH gevraagd. De meest voorkomende aspecten zijn:

  • Meldingsplicht of vergunningsplicht vanuit het Besluit activiteiten leefomgeving (Bal)

  • Bodem (bodemonderzoek nodig)

  • Wet geluidhinder (akoestisch onderzoek)

  • Externe veiligheid

  • Milieuzonering

  • Wet natuurbescherming (Aerius berekening nodig of een vergunning)

Onderdeel het advies over de milieuaspecten die op de betreffende casus van toepassing is het beoordelen van de aangeleverde onderzoeken en rapporten. Mocht blijken dat deze niet correct zijn zullen ze aangepast en herbeoordeeld worden.

 

Bodem, geluid, geur, externe veiligheid

Naast de adviezen komen er vragen binnen van burgers, bedrijven en andere organisaties. Deze vragen hebben betrekking op bodem, geluid, geur, externe veiligheid en andere aspecten die vallen onder het milieubeleid. Dit varieert van vragen over het bestaande beleid, advies vragen hoe ze zaken het beste kunnen aanpakken/oplossen tot informatie vanuit ons archief.

 

Informatie website

Er staan voor burgers en bedrijven een aantal middelen ter beschikking om achter informatie te komen met betrekking tot milieu-aspecten. Zo is er een bodeminformatiesysteem waarin geschiedenis van de bodem is terug te vinden. Het bodeminformatiesysteem dient iedere keer aangevuld te worden met de bodemonderzoeken die binnenkomen bij de gemeente.

Daarnaast is er het Web BVB waarin de laatste vergunningen, dieraantallen en uitstoot is terug te vinden van veehouderijen. Als er een melding of vergunning voor een veehouderij wordt afgegeven moet het veehouderijbestand van Web BVB aangevuld worden. De trend is dat er steeds meer informatie via een landelijk systeem beschikbaar moet worden gesteld. Het is de taak van het bevoegd gezag om de informatie actueel te houden.

 

3.13 Beoordelingskader aanleg weg, kap, reclame, uitweg

Onze APV bevat bepalingen en regels voor activiteiten in de fysieke leefomgeving. De bepalingen gaan – op termijn – over naar ons omgevingsplan. Naast publiekrechtelijke toetsing, worden privaatrechtelijke afspraken gemaakt als activiteiten plaatsvinden op publieke gronden (bijvoorbeeld aanleg van uitwegen/inritten).

 

Afstemming vindt plaats met de wegbeheerders. Binnen onze gemeente zijn dit de gemeente, het waterschap of de provincie. In de APV is opgenomen in welke gevallen voor het kappen/vellen van bomen een vergunning nodig is. In aanvulling hierop zijn ook karakteristieke landschapselementen (waaronder bomen) in ons omgevingsplan aangewezen.

 

Verzoeken tot het plaatsen van reclames in de openbare ruimte worden getoetst aan de algemene regels die gelden voor reclame-uitingen.

 

Overige aanvragen worden getoetst aan de bepalingen van eventueel vastgesteld beleid omtrent het specifieke onderwerp.

 

3.14 Beoordelingskader evenementen

Er vinden jaarlijks grote evenementen plaats en talrijke kleinere. De evenementen vragen ieder om een eigen aanpak. Op basis van de vergunningaanvraag wordt een risicoscan gedaan om het evenement in te delen in een risicoklasse. De vier klassen zijn gebaseerd op de richtlijnen van de veiligheidsregio en betreffen:

  • A: regulier evenement met weinig risico

  • B-: regulier evenement met enig risico

  • B+: aandacht evenement

  • C: risicovol evenement

De lokale hulpdiensten geven advies voor evenementen A en B-. Het regionale evenementenloket geeft advies over evenementen B+ en C . Dit loket kan eveneens de personele inzet bij hulpdiensten coördineren. Onze werkwijze is vastgelegd in ons evenementenbeleid. Daarin zijn ook de locaties benoemd die benut kunnen worden voor (middel)grote evenementen. Onze APV legt vast voor welke evenementen een vergunningplicht of meldingsplicht van toepassing is en bevat onze lokale regels voor evenementen. In ons omgevingsplan worden de locaties voor evenementen vastgelegd en kunnen aanvullende regels voor evenementen gesteld worden, gericht op de fysieke leefomgeving.

 

3.15 Beoordelingskader bodem, bouwstoffen en grond

Alle meldingen en vergunningen in het kader van bodem, bouwstoffen en grondstromen worden beoordeeld door de Omgevingsdienst Midden-Holland conform het regionale beleid.

 

3.16 Beoordelingskader natuurbescherming en flora & fauna

We vragen instemming aan het betreffende bevoegd gezag (ministerie of provincie) indien een vergunningaanvraag de activiteit handelen in een natuurbeschermingsgebied bevat, of de activiteit nadelige gevolgen kan veroorzaken voor de aanwezige flora en fauna. De inhoudelijke toetsing ten aanzien van natuurbescherming en/of flora en fauna vindt plaats door deze overheden.

 

3.17 Alcoholwet en terrassen

In onze APV is opgenomen dat er een vergunning is vereist voor het exploiteren van een openbare inrichting. Op basis van de Alcoholwet dient de exploitant een drank- en horecavergunning aan te vragen om een horecabedrijf of slijtersbedrijf uit te oefenen. Dergelijke aanvragen toetsen we aan de bepalingen in onze APV en de Alcoholwet.

 

In de APV is opgenomen dat een vergunning is vereist voor het exploiteren van een terras bij een openbare inrichting. We hebben nadere regels vastgesteld voor een terras; er kan worden volstaan met een melding indien de exploitant voldoet aan de nadere regels. De regels met betrekking tot terrassen zullen te zijner tijd worden opgenomen in ons omgevingsplan.

 

3.18 Beoordelingskader kansspelen

In onze APV is opgenomen dat een vergunning is vereist voor het exploiteren van een speelgelegenheid zoals bedoeld in de Wet op de kansspelen en onze lokale verordening speelautomatenhallen. Tevens is opgenomen dat kansspelautomaten niet zijn toegestaan in laagdrempelige inrichtingen en dat er maximaal twee zijn toegestaan in hoogdrempelige inrichting waarvoor een vergunning wordt verstrekt met een maximale duur van 5 jaar.

 

3.19 Samenwerking bij vergunningverlening

De casemanager of vergunningverlener beoordeelt of collegiaal overleg nodig is, onder andere om andere benodigde disciplines te laten beoordelen of een toetsing noodzakelijk is of collega’s met specialistische kennis te betrekken.

 

In het werkproces zijn de contactmomenten met externe en interne adviseurs benoemd. Samenwerking bij vergunningverlening vindt onder andere plaats met:

  • OD Midden-Holland: uitvoering van de basistaken voor milieubelastende activiteiten en specialistische taken zoals bodem, geluid, energie en asbest

  • Brandweer: beoordelen van meldingen op brandveiligheid en advisering van aanvragen voor een vergunning voor een bouwtechnische activiteit

  • Provincie of waterschap voor beoordeling/toetsing op onderdelen die nodig zijn voor afhandeling van een aanvraag

  • Gemeentelijke adviescommissie ruimtelijke kwaliteit: beoordeelt aanvragen aan de eisen van welstand en voor monumenten, beschermde dorpsgezichten en karakteristieke panden

4 Toezichtstrategie

We zetten onze toezichtcapaciteit zo effectief mogelijk in. Zo vindt toezicht plaats op basis van vooraf gemaakte keuzes. De planning is vastgelegd in een uitvoeringsprogramma. Niet alles is echter vooraf in te plannen. Ongewone voorvallen of klachten kunnen toezicht noodzakelijk maken.

 

Onze toezichtstrategie is gericht op het op eenzelfde wijze uitvoeren van toezicht in overeenkomstige gevallen. De doelen hiervan zijn tweeledig. Enerzijds het bereiken van transparantie, professionaliteit, rechtszekerheid en rechtsgelijkheid voor diegenen waarop het toezicht zich richt. Anderzijds het voorzien in een hoge mate van effectiviteit, zodat zo hoog mogelijke maatschappelijke effecten tegen zo laag mogelijke inspanningen en kosten worden bereikt. Zodra een overtreding is geconstateerd, wordt overgegaan op een andere strategie: waarschuwen, sanctioneren of alleen in uitzonderlijke gevallen gedogen.

 

4.1 Vormen van toezicht

Toezicht vindt plaats naar aanleiding van:

  • het uitvoeringsprogramma waarin prioriteiten voor het toezicht zijn verwerkt;

  • verleende vergunningen en ontvangen meldingen;

  • specifieke thema’s of projecten;

  • meldingen, handhavingsverzoeken en ongewone voorvallen;

  • waarnemingen in het vrije veld: oog en oor.

Het uitvoeren van toezicht is gericht op bescherming van de leefomgeving, veiligheid, gezondheid en leefbaarheid. Daarnaast is het toezicht van belang voor onze bedrijfsvoering doordat we de registratie actualiseren in de Basisregistratie Adressen en Gebouwen (BAG) en waar onder andere de Waardering van onroerende zaken (WOZ) gebruik van maakt.

 

Het houden van toezicht kent verschillende vormen. Vormen van toezicht zijn:

  • visuele controle op basis van een verleende vergunning of ingediende melding

  • administratief toezicht (bijvoorbeeld certificaten bij keuringen);

  • routinematige controles: periodiek toezicht op vergunningen en meldingen. In de regel worden alle aspecten (de vergunning) getoetst;

  • ad hoc toezicht vanwege bijzondere omstandigheden (zoals de adresaanpak);

  • thematische controles: deze worden geformuleerd in het uitvoeringsprogramma;

  • gebiedsgerichte controles, bijvoorbeeld in het landelijk gebied of wijktoezicht;

  • hercontroles: vinden plaats aan de hand van een brief die is verzonden naar aanleiding van een controle of op basis van een controlerapport / ingevulde checklist.

Voor deze vormen is in het VTH-registratiesysteem een hoofdproces ingericht waarin de stappen worden doorlopen. Van de controle waarbij één of meerdere overtredingen zijn geconstateerd wordt een rapportage opgemaakt. Daarin staan de feitelijke bevindingen en administratieve gegevens.

 

Bij het uitvoeren van toezicht gaan we zorgvuldig om met de belangen van de rechthebbende(n). In beginsel worden de toezichtbevoegdheden uitgeoefend met medewerking ofwel toestemming van burger of bedrijf. Als toestemming wordt geweigerd wordt gebruik gemaakt van de bevoegdheden van inspecteurs en toezichthouders volgens de Algemene wet bestuursrecht en/of Algemene wet op het binnentreden als dit redelijkerwijs voor de invulling van de taak nodig is. Op basis van een analyse van de situatie vooraf, wordt bepaald of de controle aangekondigd of onaangekondigd plaatsvindt.

 

4.2 Omgevingsplan

Het toezicht op de ruimtelijke aspecten vindt met name plaats naar aanleiding van een verleende vergunning en op basis van meldingen. Daarnaast wordt bekeken of activiteiten plaatsvinden conform de regels van het omgevingsplan. Verder houden we toezicht op specifieke bepalingen in ons omgevingsplan indien die zijn opgenomen in de vergunning voor een omgevingsplanactiviteit.

 

4.3 Bouwactiviteiten

Net als bij het toetsen van bouwplannen in de vergunningfase geldt ook dat tijdens de bouw- of realisatiefase keuzes moeten worden gemaakt wat we controleren en hoe dit wordt gecontroleerd. Voor deze fase hebben we het toezichtprotocol uitgewerkt. Het toezicht op bouwen verandert met de inwerkingtreding van de Wet kwaliteitsborging voor het bouwen.

 

Vergunningsvrije bouwwerken

We controleren niet actief op de bouw van vergunningsvrije bouwwerken. In samenwerking met collega’s van BAG en Belastingen wordt wel getracht zoveel mogelijk inzichtelijk te krijgen welke bouwwerken zonder vergunning zijn gebouwd.

 

Bouwwerken onder GK1 ( meldingplichtige bouwwerken)

Op de realisatie van bouwwerken die vallen onder Gevolgklasse 1 (GK1) van de Wet kwaliteitsborging voor het bouwen vindt door ons geen bouwtechnisch toezicht meer plaats. Onze beoordeling van het borgingsplan kan ertoe leiden dat we contact hebben opgenomen met de kwaliteitsborger om gezamenlijk toezicht uit te oefenen tijdens de realisatie. Zo kunnen we aanvullend toezicht uitoefenen op onderdelen waar we bevoegd voor zijn (omgevingsveiligheid, bouwveiligheid, welstand).

 

De kwaliteitsborger treedt niet handhavend op; deze taak blijft bij de gemeente. Dit betekent dat de gemeente een signaal krijgt van de kwaliteitsborger als deze overtredingen constateert die de initiatiefnemer niet oplost. De gemeente vult haar handhavende rol in op signalen van de kwaliteitsborger. De wijze van opvolging is op basis van de ervaringen met het nieuwe stelsel; in beginsel zal de gemeente per geval beoordelen welke opvolging passend is. Uitblijven van de verklaring van de kwaliteitsborger betekent dat de gemeente in beginsel geen goedkeuring geeft aan de ingebruikname van het bouwwerk. Er is dan sprake van een verbod op ingebruikname en dan is controle vanuit toezicht noodzakelijk.

 

Wel blijft bij de GK1 bouwwerken het toezicht op basis van het omgevingsplan (waaronder welstand) gelden. Wanneer er bij GK1 bouwwerken sprake is van werkzaamheden met een onomkeerbaarheid of wanneer door de werkzaamheden verder onderzoek onmogelijk wordt, zeggen we een onderzoek aan. Er mogen dan geen werkzaamheden plaatsvinden die het onderzoek belemmeren. Dit kan leiden tot het opleggen van een bouwstop.

 

Overige bouwwerken (GK2/3; vergunningplichtige bouwwerken)

Bij werken die niet onder GK1 van de Wet kwaliteitsborging voor het bouwen vallen, moeten tijdens de bouw- of realisatiefase keuzes gemaakt worden over de intensiteit van ons toezicht. Voor deze fase hebben we het toezichtprotocol uitgewerkt. Het landelijke toezichtprotocol© van de Vereniging BWT Nederland heeft als basis gediend voor het gemeentelijk protocol.

 

Het toezichtprotocol is een matrix waarin per bouwfase en gebruiksfunctie is aangegeven hoe we controleren. Deze is opgenomen in bijlage 2.

Daarbij onderscheiden we:

  • S:

    Steekproefsgewijze controle

  • 1:

    Visuele controle

  • 2:

    Beoordeling van hoofdlijnen en hoofdaspecten

  • 3:

    Beoordeling van hoofdlijnen en enkele kenmerkende details

  • 4:

    Integrale controle van alle onderdelen

Met het toezichtprotocol leggen we de diepgang en aandachtspunten vast van onze controles. De verdeling naar de categorieën werkt als voorbeeld als volgt voor de controle van brandblussers:

  • S:

    Controle op aanwezigheid brandblussers bij deel van te controleren panden.

  • 1:

    Visuele controle of er brandblussers zijn.

  • 2:

    Beoordeling of er voldoende brandblussers zijn.

  • 3:

    Controle van een brandblusser in detail (druk, datum, etc)

  • 4:

    Controle van alle aanwezige brandblussers in detail.

Uit de matrix blijkt dat het om verschillende fasen in het bouwproces gaat en dat op een groot aantal onderdelen is aangegeven met welke diepgang de controle plaatsvindt. Het verder uitwerken van het exacte controleniveau kan door middel van checklisten. Daarin kan gedetailleerder worden benoemd waarop gecontroleerd dient te worden en per inspectie kan de inspecteur vastleggen waarop is gecontroleerd en met welke mate van diepgang.

 

Bij het toezicht ondervinden we in toenemende mate dat we aandacht moeten geven aan het inspecteren van bestaande panden op landelijke aandachtspunten. De afgelopen jaren zagen we onder meer landelijke eisen om te inspecteren op energielabel, breedplaatvloeren en brandveiligheid van gevels. Dergelijke landelijke eisen nemen we op in ons jaarlijks uitvoeringsprogramma.

 

4.4 Sloopactiviteiten

Het toezicht op de sloopvergunning voor karakteristieke panden, monumenten en panden in stads- of dorpsgezicht vindt plaats aan de hand van verleende vergunningen met betrekking tot monumentale of beschermde aspecten. Het toezicht op de sloopmelding (inclusief asbest) ligt bij ODMH en die houdt toezicht op een veilige wijze van slopen en het verwerken en afvoeren van sloopafval. Dit toezicht maakt onderdeel uit van het verplichte basistakenpakket van de omgevingsdiensten. De ODMH heeft zelf handhavingsbevoegdheid.

 

4.5 Brandveiligheid

Het toezicht op de meldingen voor brandveilig gebruik ligt bij de brandweer. De Veiligheidsregio Holland Midden stelt jaarlijks een toezichtsplan op waarin zij aangeven hoe zij vorm en inhoud geven aan het brandveiligheidstoezicht. Dit plan wordt door het college vastgesteld als aanvulling op het jaarlijkse uitvoeringsprogramma. We hebben werkafspraken met de brandweer over hun bijdrage aan controles op brandveiligheidsaspecten in ons toezicht op bouwwerken en bouwtechnische aspecten voor nieuwbouw. De brandweer heeft geen handhavingsbevoegdheid, overtredingen worden voorwoord in een handhavingsadvies en doorgestuurd naar ons cluster handhaving dat daarop een onderzoek start.

 

4.6 Monumenten en archeologie

Nadat een omgevingsvergunning voor de activiteit bouw en monumenten (rijksmonumentenactiviteit dan wel gemeentelijke omgevingsplan activiteit) is afgegeven of een aanpassing aan een monument vergunningsvrij plaatsvindt, nemen we de monument specifieke en cultuurhistorische aspecten mee in de reguliere bouwinspecties.

 

De eigenaar is zelf verantwoordelijk voor het voldoen aan de onderhoudsverplichtingen voor monumenten of beschermde panden. We reageren op meldingen uit ons algemene vrije veld toezicht als dat aan de orde is.

 

Bij bouwwerken in archeologisch waardevol gebied wordt toezicht gehouden op basis van de vergunningvoorschriften

 

4.7 Milieu

Het toezicht op milieubelastende activiteiten ligt bij ODMH voor vergunningen en meldingsplichtige activiteiten. Voor deze basistaken heeft de ODMH uitvoeringsbeleid vastgesteld. De ODMH is 24/7 bereikbaar en beschikbaar voor en behoeve van de milieu-incidenten .

 

4.8 Aanleg weg, kap, reclame, uitweg

Voor de activiteiten vindt toezicht plaats op basis van meldingen en handhavingsverzoeken. In dit kader gaan wij uit van de eigen verantwoordelijkheid van de uitvoerder van de werkzaamheden. Zo ligt het toezicht bij de aanleg van een weg bij de betreffende wegbeheerder. Daar waar bepaalde onderdelen speciale aandacht behoeven nemen we dit op in het uitvoeringsprogramma.

 

Toezicht op vergunningen voor een uitweg wordt uitgevoerd door onze inspecteurs. Vaak worden deze aangevraagd in combinatie met een andere activiteit.

 

4.9 Evenementen

Voor de (grotere) evenementen maken we een risico-analyse per evenement en op basis van het risico zetten we de passende vorm en intensiteit van toezicht in. Voor de B+ en C evenementen houden we met name toezicht op de constructieve veiligheid en verankering (bijvoorbeeld van podia, tribune, tenten, attracties). De intensiteit, diepgang van de controles en onderlinge rolverdeling wordt in overleg met politie, brandweer en boa’s voorafgaand aan het evenement bepaald.

 

Bij kleinschalige, reguliere en weinig risicovolle evenementen vindt toezicht in eerste instantie plaats door de BOA’s en tevens op basis van klachten en meldingen.

 

4.10 Bodem, bouwstoffen en grond

Dit toezicht is opgedragen aan de ODMH en wordt uitgevoerd op basis van het regionale beleid.

 

4.11 Natuurbescherming

Het toezicht op de bescherming van natuur, flora en fauna vindt plaats naar aanleiding van klachten en meldingen die we doorzetten naar de provincie als bevoegd gezag.

 

4.12 Meldingen en handhavingsverzoeken

Meldingen kunnen per telefoon, schriftelijk, e-mail of via de website van de gemeente binnenkomen. Allereerst wordt beoordeeld of er sprake is van een publiekrechtelijk grondslag en of de gemeente bevoegd is. Indien het privaatrechtelijk is dan zal er in principe geen behandeling plaatsvinden.

 

Bij een melding van een burger wordt contact opgenomen. Vervolgens wordt besproken wat de aanleiding en het doel van de melding is en wat verwacht wordt van de gemeente. Wanneer er aanleiding toe is wordt in overleg met alle partijen gezocht naar een oplossing. Dit kan betekenen dat een locatiebezoek plaatsvindt om inzicht te krijgen in de oorzaak van de melding.

Het streven is om de melder binnen vijf werkdagen op de hoogte te stellen dat de melding is ontvangen en te informeren over het vervolg.

 

Van alle constateringen wordt een rapportage opgesteld. Bij meldingen wordt schriftelijk of per mail gecommuniceerd. Door in een vroeg stadium in overleg te gaan worden ieders verwachtingen duidelijk voor behandeling.

 

Bij anonieme meldingen wordt de impact ingeschat. Afhankelijk van deze inschatting wordt eventueel verdere actie ondernomen. Bij een anonieme melding is het logischerwijs niet mogelijk om te communiceren met de melder.

 

Een verzoek om handhaving heeft een wettelijke beslistermijn. Op basis van de Algemene wet bestuursrecht wordt een afhandeltermijn van 8 weken als redelijk beschouwd. De werkwijze die gevolgd wordt is beschreven en ligt vast in Blue Dolphin. In beginsel wordt dezelfde werkwijze als bij een melding gehanteerd. Op een verzoek om handhaving wordt altijd een besluit genomen dat vatbaar is voor bezwaar (en beroep). Dit geldt uiteraard niet wanneer het handhavingsverzoek tijdens de behandeling wordt ingetrokken.

 

Anonieme verzoeken om handhaving worden niet als zodanig in behandeling genomen. Het is dan niet mogelijk om een volledige belangenafweging te maken en om te bepalen of er sprake is van belanghebbenden. Afhankelijk van het verzoek wordt deze al dan niet (ambtshalve) opgepakt en wordt handhavend opgetreden. Verzoeken om handhaving die zijn ingediend door iemand die geen belanghebbende is worden niet-ontvankelijk verklaard.

 

Milieuklachten en verzoeken om handhaving milieu worden behandeld door de ODMH, ook in spoedeisende gevallen.

 

De gemeente heeft een 24-uurs bereikbaarheidsregeling met een piketdienst voor incidenten die ook wordt verzorgd voor de gemeenten Nieuwkoop en Kaag en Braassem.

 

4.13 Gebiedscontroles

De gebiedscontrole (of vrije veld toezicht of wijktoezicht) vindt plaats op specifieke thema’s of gebieden door onze toezichthouders. Het zijn observerende controles om een beeld te vormen of wordt voldaan aan de regels en voorwaarden vanuit ruimtelijk gebruik, bouwen, (brand)veiligheid, omgevingsverordening of bijzondere wetten.

 

4.14 Samenwerking bij het toezicht

Er is onder andere overleg met instanties als de politie, regionale brandweer, OD Midden-Holland, Openbaar Ministerie, Inspectie Sociale Zaken en Werkgelegenheid, Douane, Nederlandse Voedsel en Warenautoriteit, de Algemene Inspectiedienst en het Waterschap. Er vindt georganiseerd en structureel overleg plaats met politie, ODMH (milieu) en de regionale brandweer (brandveiligheid).

 

Toezichtprogramma’s worden afgestemd om te voorkomen dat bedrijven in een beperkte periode voor zowel milieu als brandveiligheid bezocht worden. Periodieke controles (milieu, bouw, brandveiligheid) tijdens de gebruiksfase worden in beperkte mate integraal uitgevoerd met andere partners.

 

5 Sanctie- en gedoogstrategie

We volgen de sanctiestrategie die we in dit hoofdstuk beschrijven als een we een overtreding constateren. Daarbij onderschrijven we de landelijke handhavingsstrategie omgevingsrecht (LHSO). Het doel van de sanctiestrategie is om uitvoering te geven aan:

  • beginselplicht tot handhaven

  • passend interveniëren bij iedere bevinding

  • in vergelijkbare situaties vergelijkbare keuzes maken

  • interventies op vergelijkbare wijze kiezen en toepassen.

De essentiële onderdelen van de LHSO zijn in onderstaande alinea’s uitgewerkt en aangevuld met eigen overwegingen.

 

We zoeken contact met de overtreder. Dit kan ertoe leiden dat handhaving niet hoeft plaats te vinden. In het contact moet vertrouwen ontstaan dat de overtreding wordt opgeheven. Hiervoor wordt een termijn afgesproken. Er zijn uitzonderingen waarbij een sanctie wordt opgelegd. Bijvoorbeeld wanneer een overtreding om onmiddellijke actie vraagt. Dan is de beginselplicht tot handhaving de basis.

 

5.1 Gelijkwaardige oplossing bij afwijken van voorschriften

Er kan sprake zijn van een formele afwijking van voorschriften en dat maatregelen zijn getroffen die het beschermde belang in dezelfde mate of beter waarborgen. Indien op een andere wijze dezelfde veiligheid, bescherming van de gezondheid, bruikbaarheid, energiezuinigheid en bescherming van het milieu wordt gerealiseerd, kan deze oplossing voldoen en is geen vervolgactie noodzakelijk.

 

5.2 Formele, legaliseerbare overtreding

Is sprake van een formele overtreding en is geen sprake van een gelijkwaardige oplossing, dan is een eerste afweging of het een vergunbare situatie betreft. Als dit het geval is, wordt in beginsel een vergunningprocedure gestart.

 

Afhankelijk van de ernst van de overtreding (risico, schade) en het profiel van de overtreder zijn er de volgende opties, waarbij we meestal de middelste optie (vergunnen) volgen:

 

  • Vergunnen met sanctionerende tik: Indien de illegale situatie is ontstaan uit calculerend/malafide gedrag en/of sprake is van recidive, kan in uitzonderlijke gevallen proces-verbaal opgemaakt worden (door de politie of andere partner).

  • Vergunnen: Indien bij een vergunbare situatie geen sprake is van calculerend/malafide gedrag en geen sprake van recidive, wordt afgezien van een sanctionerende tik. In sommige situaties is het denkbaar dat ondersteuning wordt geboden om de situatie te verbeteren. Bijvoorbeeld door het geven van voorlichting als wordt vastgesteld dat bepaalde (onnodige) overtreding systematisch voorkomt.

  • Vergunnen met bestuursrechtelijke handhaving: Als een situatie legaliseerbaar is, kunnen we bestuursrechtelijk handhavend optreden, zolang de illegale situatie voortduurt of de vergunningaanvraag niet is ingediend. Als een vergunningaanvraag is ingediend, kan handhavend optreden geboden zijn, bijvoorbeeld als belangen van derden dat vergen.

5.3 Sanctie instrumenten

In deze paragraaf wordt stilgestaan bij de wijze waarop wordt opgetreden bij geconstateerde overtredingen. Hiervoor zijn bestuursrechtelijke en strafrechtelijke instrumenten in te zetten.

Bestuursrechtelijk herstelsancties zijn

  • last onder dwangsom (LOD);

  • last onder bestuursdwang (LOB/BES);

  • schorsen of intrekken van de vergunning, certificaat of erkenning;

  • een bouwstop (tijdelijk stilleggen activiteiten);

  • verscherpt toezicht;

  • bestuurlijke boete.

De bestuurlijke boete is een recenter instrument binnen het bestuursrecht. De gemeente kan dit als sanctiemiddel inzetten en direct een boete opleggen (artikel 5.4 Awb). Hiervoor dient de gemeente de bevoegdheid tot het opleggen van een boete wel aan te wijzen. Op dit moment is de bevoegdheid tot het opleggen van de bestuurlijke boete nog niet binnen onze gemeente belegd en kan dit instrument niet worden ingezet.

 

Strafrechtelijke instrumenten zijn:

  • Proces verbaal (PV);

  • Bestuurlijke strafbeschikking (BSB).

In onze gemeente zijn geen toezichthouders aangewezen om strafrechtelijk op te treden op het gebied van het omgevingsrecht. Wij signaleren richting onze partners (zoals politie), waarna zij strafrechtelijk kunnen optreden. Bij strafrechtelijke handhaving is naast het bereiken van de gewenste situatie tevens het bestraffende element van belang. De prioriteit voor strafrechtelijk handhaving van het omgevingsrecht (niet zijnde milieu-aangelegenheden) is laag.

 

Bestuursrechtelijke handhaving is gericht op het bereiken van de gewenste situatie. Bij een last onder dwangsom of last onder bestuursdwang krijgt de overtreder een hersteltermijn waarbinnen de overtreding moet zijn beëindigd. Als de overtreding na deze termijn niet is beëindigd, dan wordt de sanctie geëffectueerd. Indien herstel niet meer mogelijk is (bijvoorbeeld bij het vernietigen van monumentale waarden of het kappen van een beschermwaardige boom) hebben wij hiertegen geen passende bestuursrechtelijk sanctie.

 

Op basis van twee variabelen bepalen we met welk instrumentarium gehandhaafd wordt bij een geconstateerde overtreding:

 

  • 1.

    de gevolgen van de bevinding voor het milieu, veiligheid, gezondheid en/of maatschappelijke relevantie:

    • a)

      vrijwel nihil;

    • b)

      beperkt;

    • c)

      van belang - er is sprake van aanmerkelijk risico dat de bevinding maatschappelijke onrust geeft en/of doden of gewonden (mens èn dier) tot gevolg heeft;

    • d)

      aanzienlijk en/of onomkeerbaar - onder andere het geval als de overtreding maatschappelijke onrust en/of doden of gewonden (mens èn dier) tot gevolg heeft.

  • 2.

    het gedrag van de overtreder. Daarbij nemen we het gedrag en de toezicht- en handhavingshistorie van de overtreder mee in beschouwing.

    • a)

      goedwillend, pro-actief en geneigd om regels te volgen, de bevinding is het gevolg van onbedoeld handelen;

    • b)

      neemt het niet zo nauw met het algemeen belang, heeft een onverschillige houding, de bevinding en de gevolgen van zijn handelen laten hem koud;

    • c)

      opportunistisch en calculerend, bewust belemmeren van controlerenden, bewust risico nemend, recidive;

    • d)

      crimineel of maakt deel uit van een criminele organisatie, houdt zich bezig met fraude, oplichting of witwassen.

Als we niet in staat zijn om het gedrag te typeren, dan is “goedwillend” het uitgangspunt.

 

Beide variabelen bepalen of bestuursrechtelijk (lichte segmenten), strafrechtelijk (donkere segmenten) of in een combinatie van beide (middensegmenten) wordt opgetreden. Zie de interventiematrix die hieronder wordt weergegeven. Voor de donkere segmenten volgen we een 2-staps strategie. De waarschuwingsbrief wordt altijd voorzien van een voornemen voor het opleggen van een dwangsom, zodat in de volgende stap de dwangsom kan worden opgelegd. Bij de lichte segmenten volgen we een 3-staps strategie waarbij we eerst een redelijk termijn opnemen voor het beëindigen van de overtreding en een termijn voor het indienen van een eventuele zienswijze. In uitzonderlijke gevallen wordt een eerste waarschuwingsbrief zonder voornemen verzonden. Dat kan het geval zijn als er een lange(re) begunstigingstermijn van bijvoorbeeld 6 maanden wordt gegeven.

 

Door verzwarende of verzachtende argumenten kan een verschuiving van het instrumentarium plaatsvinden. Bij verzachtende argumenten wordt de in de interventiematrix gepositioneerde bevinding één segment naar links en vervolgens één segment naar onder verplaatst en andersom bij verzwarende argumenten.

 

In lijn met de landelijke handhavingsstrategie kunnen de volgende argumenten verzwarend werken:

  • 1.

    De overtreder heeft door zijn handelen financieel voordeel behaald of het behalen van financieel voordeel was het doel.

  • 2.

    De overtreder is een maatschappelijk aansprekende of bekende (rechts)persoon met een voorbeeldfunctie.

  • 3.

    Een financiele sanctie heeft vermoedelijk geen effect.

  • 4.

    De overtreder heeft ook andere relevante handelingen gepleegd ter verhulling van de feiten, zoals valsheid in geschrifte, corruptie of witwassen.

  • 5.

    De overtreder werd ondersteund door een deskundige derde.

  • 6.

    Het doel van de handhaving ligt bij het onder de aandacht brengen van het belang van een bepaalde norm bij de branche of een breder publiek (normbevestiging).

  • 7.

    Door strafrechtelijk optreden met toepassing van opsporingsbevoegdheden kan meer toereikend zijn om de waarheid boven tafel te brengen.

In aanvulling op de landelijke handhavingsstrategie kunnen de volgende argumenten verzachtend zijn:

  • 1.

    De overtreder heeft al een ander (dan gesanctioneerd) financieel nadeel behaald.

  • 2.

    De overtreder heeft maatregelen genomen om dergelijke voorvallen te voorkomen.

  • 3.

    Volledige legalisatie van de handeling is een redelijke mogelijkheid.

Na positionering van de overtreding in de interventiematrix kan de bijbehorende interventie worden bepaald. In onderstaande versie van de interventiematrix is per situatie de eerste insteek voor sanctioneren opgenomen. De toezichthouder kiest voor de minst zware van de opgenomen interventies, tenzij de toezichthouder motiveert dat een andere interventie passender is.

 

Dit betekent dus dat de matrtix behulpzaam is om op basis van de gevolgen (de verticale as) en het gedrag van de overtreder (de horizontale as) tot een kwadrant te komen. Binnen dat kwadrant kan gestart worden met het minst zware instrument en bij uitblijven van naleven kan dit worden verzwaard. De matrix werkt dus in principe “van beneden naar boven”. Het doel van de matrix is om weloverwogen tot de juiste stappen en beslissingen te komen en om deze transparant vast te leggen.

 

 

De toezichthouder zet de interventie in totdat sprake is van naleving. Als naleving binnen de bepaalde termijn uitblijft dan zetten we een zwaardere interventie in uit hetzelfde segment van de interventiematrix, tenzij de toezichthouder motiveert dat een zwaardere interventie uit een ander segment van de interventiematrix passender is. De interventiematrix is een hulpmiddel om gemotiveerd tot een afweging van instrumenten te komen en om de inzet van deze instrumenten – waar nodig – af te stemmen met andere handhavingspartners.

 

5.4 Passende reactie

De toe te passen sanctie moet proportioneel zijn en dient zoveel mogelijk transparantie te bieden. Bij een last onder dwangsom geldt dit voor de lengte van begunstigingstermijnen en de hoogte van dwangsommen. De dwangsom dient prikkelend te werken, zodat de overtreder de overtreding zal beëindigen, beëindigd zal houden en wordt weerhouden om de overtreding (nogmaals) te begaan.

 

De dwangsom mag niet zodanig hoog zijn dat deze als straf/ boete kan worden gezien:

  • Voor besluiten die niet gericht zijn op het voorkomen van herhaling kiezen we qua begunstigingstermijn voor een termijn waarbij de overtreder voldoende hersteltijd heeft én we langdurende overtredingssituaties voorkomen. Voor de onderbouwing van het besluit hanteren we een termijn die praktisch haalbaar moet zijn om aan de last te kunnen voldoen. Verder is de te stellen termijn afhankelijk van de aard van de overtreding (er kan in principe met geen of een korte termijn worden volstaan bij gedragsvoorschriften) en mag de termijn niet zodanig lang zijn, dat sprake is van (impliciet) gedogen van de overtreding.

  • De hoogte van een dwangsom moet op grond van de Algemene wet bestuursrecht in redelijke verhouding staan tot de zwaarte van het geschonden belang en de beoogde werking van het opleggen van de dwangsom. Bij het onderbouwen van het besluit voor de hoogte van de dwangsom hanteren we de lijst die we in ons uitvoeringsprogramma opnemen. We relateren de hoogte van de dwangsom onder andere aan de aard en ernst van de overtreding, de potentiële schade en de kosten die moeten worden gemaakt om de overtreding ongedaan te maken. In ieder geval moet het bedrag belangrijk hoger zijn dan het economisch voordeel dat met de overtreding wordt behaald. Het moet aantrekkelijker zijn de overtreding ongedaan te maken dan de dwangsom te betalen. Ons uitvoeringsprogramma bevat een overzicht van de hoogte van de dwangsommen en de begunstigingstermijn die we kunnen opleggen.

  • Het verbeuren van dwangsommen gebeurt van rechtswege.

  • Bij het opleggen van een last onder dwangsom wordt de overtreding, indien dit is toegestaan, opgenomen in de Basisregistratie Kadaster Publiekrechtelijke (BRK-PB) beperkingen.

  • Het bevoegd gezag kan in sommige gevallen de vergunning ook geheel of gedeeltelijk intrekken of schorsten als niet overeenkomstig de vergunning wordt gehandeld. Dit instrument wordt in onze gemeente in uitzonderlijke gevallen toegepast als andere maatregelen geen effect sorteren.

5.5 Overtredingen door de overheid

De handhaving van overtredingen begaan door een andere overheid of een onderdeel van de eigen organisatie is voor ons niet anders dan handhaving van overtreding begaan door inwoners of ondernemers. Er wordt geen verschil gemaakt in prioriteitstelling en keuze van het handhavingsinstrument. Wel brengt een dergelijke overtreding een tweetal extra procedurestappen met zich mee voordat een sanctie wordt opgelegd:

  • Wordt een overtreding van de gemeentelijke organisatie geconstateerd dan wordt deze aan het management en/of de burgemeester/ college van B&W voorgelegd.

  • Het management en/of de burgemeester/ college van B&W zorgen ervoor, dat passende maatregelen worden genomen om de overtreding te beëindigen, deze in de toekomst te voorkomen en zo nodig de schade te herstellen

5.6 Afzien van handhaven

In uitzonderlijke situaties kan de burgemeester / het college van B&W verklaren dat wordt afgezien van handhaving. Dit is aan een termijn gebonden en niet langer dan strikt genomen noodzakelijk. Daarbij onderschrijven we het landelijk beleidskader gedogen. 2

 

We zien bij een overtreding alleen af van handhaving als wordt voldaan aan één of - bij voorkeur- meerdere van de volgende voorwaarden:

  • 1.

    De activiteit is verantwoord uit het oogpunt van bescherming van de fysieke leefomgeving;

  • 2.

    Er bestaat concreet uitzicht op legalisatie van de activiteit;

  • 3.

    Een ontvankelijke vergunningaanvraag is ingediend én een voorlopige inschatting is gemaakt waaruit blijkt dat de activiteit vergunbaar is, indien vooruitlopend op besluitvorming omtrent vergunningverlening wordt afgezien van handhaving;

  • 4.

    Er dient sprake te zijn van bijzondere omstandigheden die afzien van handhaving in het concrete geval rechtvaardigen.

In de volgende gevallen wordt niet afgezien van handhaven:

  • indien bij de overtreder sprake is van recidiverend dan wel calculerend gedrag;

  • indien blijkt dat de activiteit strijdig is met enige andere bij of krachtens wettelijk voorschrift gestelde regel en het voor de handhaving van die regel bevoegde gezag kenbaar heeft gemaakt dat het met bestuursrechtelijke handhavingsinstrumenten tegen deze overtreding optreedt dan wel zal optreden;

  • bij bouwen zonder of in afwijking van een vergunning, tenzij er sprake kan zijn van een tijdelijk bouwwerk;

  • als belangen van derden zich daartegen verzetten.

Indien wordt afgezien van handhaven gelden de volgende procesvoorschriften:

  • afzien van handhaving gebeurt schriftelijk en uitdrukkelijk;

  • afzien van handhaving wordt zoveel mogelijk beperkt in omvang en/of in tijd;

  • er moet sprake zijn van een zorgvuldige kenbare belangenafweging;

  • afzien van handhaving is aan controle onderworpen.

5.7 Samenwerken bij het sanctioneren

Afhankelijk van de overtreding en de overtreder vindt afstemming plaats met partners die strafrechtelijke sancties kunnen opleggen. Als richtlijn wordt de interventiematrix uit de LHSO gebruikt, zoals in dit hoofdstuk is opgenomen. In situaties waarbij een andere overheid ná of vóór ons college handhavingsbevoegd is, vindt afstemming plaats met de betreffende overheidsorganisatie.

 

Bijlage 1 Toetsingsmatrix

 

 

 

Bijlage 2 Toezichtmatrix

 

Bijlage B Omgevingsanalyse Fysieke Omgeving Vergunningverlening, Toezicht en Handhaving BIJLAGE B bij Beleidsplan VTH omgevingsrecht

 

1 Inleiding

Dit document bevat onze omgevingsanalyse en is de onderlegger voor het beleidsplan van de VTH-taken op basis van de Omgevingswet in de fysieke omgeving. Het uitgangspunt is dat bij uitvoering van VTH-taken de prioriteit ligt bij de grootste risico’s en opgaven en dat we passende VTH-instrumenten en capaciteit kunnen inzetten om de risico’s en opgaven effectief aan te pakken. Om zicht te hebben op de risico’s is een omgevingsanalyse gemaakt van de activiteiten.

 

Onze omgevingsanalyse is ingedeeld naar vier gebiedstypen die aansluiten op de structuur van onze omgevingsvisie:

  • Alphen Stad

  • Kernen

  • Bedrijventerreinen

  • Buitengebied

Per gebied is in de volgende hoofdstukken het volgende aangegeven:

  • Het profiel met een korte beschrijving van het gebied

  • De activiteiten met de scores voor de effecten, risico’s en prioriteiten

De methode van de risicoanalyse die in de volgende hoofdstukken terugkomt is toegelicht:

 

 

2 Alphen Stad

2.1 Profiel

Alphen Stad is een stedelijk gebied met een regionale centrumfunctie, woonwijken, stadsranden en met de Zegerplas aan de oostrand.

 

We vinden er diverse typen woningbouw, bedrijvigheid (dienstverlening, detailhandel, horeca), openbaar groen, toegangswegen en verblijfsruimten. Er bevindt zich een station in het centrumgebied met busverbindingen.

 

Er is sprake van functiemenging en van een relatief hoge bebouwingsdichtheid, met name in het centrumgebied is hoogbouw te vinden. De bedrijventerreinen in en rond Alphen Stad krijgen aandacht in een volgend hoofdstuk.

 

 

2.2 Omgevingsanalyse

De omgevingsanalyse leidt tot de volgende indeling van prioritering:

 

Alphen Stad

Risico

Productie synthetische drugs/hennep, ondermijnende activiteiten

Illegale bewoning

Omgevingsveiligheid bij bouwen en slopen

Horeca activiteiten

Paracommercie / strijdige alcoholverstrekking

Hoog

Evenementen categorie C en B+

Bedrijfsactiviteiten aan huis waar dit niet is toegestaan

Strijdig gebruik van panden

Overlast door stoken van haarden

Verwaarlozing van leegstaande panden

Evenementen categorie A en B

Overlast door duurzame opwekking energie

Terrassen

Realisatie of gebruik in afwijking van de vergunning

Gemiddeld

Aantasting cultuurhistorische waarden

Strijdig gebruik van gronden

Realisatie of gebruik zonder benodigde vergunning

Kansspelen

Reclame

Aantasting archeologische waarden

Vellen van bomen

Strijdig met eisen van welstand

Illegale seksinrichting

Aanleg

Innemen van standplaatsen

Laag

 

De tabel geeft inzicht in alle activiteiten met voor elke activiteit de gemiddelde effectscore, de kans, de risicoscore en tenslotte de prioritering.

 

Bijlage 1 bevat een overzicht waarin ook alle effectscores zijn opgenomen.

 

 

Productie synthetische drugs of hennep / ondermijnende activiteiten

Jaarlijks treffen we enkele hennepkwekerijen aan na actie van opsporingsdiensten of door meldingen. In Alphen Stad bevinden ze zich in woonhuizen, kelderboxen, schuurtjes en bedrijfspanden. Dit vormt een (zichtbaar) deel van de keten van georganiseerde misdaad.

Er zijn geen labs met synthetische drugsproductie aangetroffen. De productie van drugs vormt een groot risico voor brand of ontploffing, dumping van afval en ondermijning.

In de aanpak is er een actieve rol voor politie en opsporingsdiensten en ondersteunen we vanuit VTH. Bij een vondst van productieruimten, voorbereidingen tot productie of opslag van handelshoeveelheden kunnen we overgaan tot tijdelijke sluiting. Ook signaleren we vanuit onze toezichthoudende rol en controleren we leegstaande of verdachte panden.

 

Illegale bewoning

Dit gaat om verhuur van (delen van) woningen waar dat niet is toegestaan (woningsplitsing, overbewoning) op basis van ons omgevingsplan, brandveiligheidseisen of landelijke eisen.

Het effect is hoog en de kans ook. Vanuit onze aanpak van adressignalen en onze adresonderzoeken (in het kader van de BRP) wordt illegale bewoning gesignaleerd. Er worden veel signalen gedaan, een deel daarvan heeft relatie met de VTH-taken en regelgeving.

 

Omgevingsveiligheid bij bouwen en slopen

Dit gaat om de omgevingsveiligheid rondom bouwplaatsen en werkterreinen zoals ten aanzien van steigers, kranen, aanvoer en opslag. Een aantal jaren terug hebben we bij een complex bouwproces te maken gehad met de omgevallen bouwkranen bij de Julianabrug.

In Alphen Stad is er in de dicht bebouwde kern een hoog risico.

 

Horeca activiteiten

Bij de horeca spelen veel aspecten zodat de kans op een overtreding of op overlast relatief groot is. Denk aan: brandveiligheid, milieu/geluid, alcoholverstrekking aan jongeren, strijdigheid met de Alcoholwet, sluitingstijden, overlast voor de woonomgeving of verstoring openbare orde (buiten roken, lawaai bezoekers, muziek), vandalisme. De VTH-taken liggen bij de gemeente, de regionale brandweer (brandveiligheid) en de omgevingsdienst (milieu).

 

Paracommercie, strijdige alcoholverstrekking

Paracommercie zijn instellingen zoals verenigingen die sportieve, recreatieve of culturele activiteiten verrichten en horeca-activiteiten ontplooien. Horeca is niet de hoofdactiviteit.

De gemeente is conform de Alcoholwet verplicht om horeca activiteiten van dergelijke instellingen in te perken. De reden is hun concurrentievoordeel (subsidies, vrijwilligers, fiscaal) op commerciële horeca ondernemers. De risico’s liggen – naast concurrentie met reguliere horeca - op het schenken van alcohol door onbevoegden of aan minderjarigen, overlast door bezoekers.

 

Paracommerciële instellingen proberen steeds vaker hun horecafaciliteiten te gebruiken voor het genereren van extra inkomsten. De klachten van overlast van omwonenden nemen toe en ook de reguliere horeca ageert vaker. Daarnaast worden de maximale aantallen van 5x activiteit voor lid en 5x activiteit voor niet lid veelvuldig overschreden. Ook wordt veelal niet voldaan aan de meldingsplicht.

 

Evenementen

In Alphen Stad worden veel evenementen georganiseerd. Er is evenementenbeleid dat wordt geactualiseerd. In de APV is vastgelegd wanneer een vergunning of melding is vereist.

Er zijn gebieden in ons omgevingsplan aangewezen waar evenementen zijn toegestaan.

Bij evenementen zien we risico’s op parkeren, geluidproductie, verstoring openbare orde, veiligheid van grote groepen, gezondheid (gebruik alcohol, drugs), afval, veiligheid van constructies en brandveiligheid. In de analyse maken we verschil in risicovolle (grotere) publieksevenementen (B+ risicovol/C) en de kleinschalige/minder risicovolle evenementen (meldingen, A en B- regulier).

 

De risico’s bij publieksevenementen zijn vrij hoog; naast bovengenoemde risico’s gaat het om tijdelijke bouwwerken zoals podia, tribunes of tenten. Het naleefgedrag is redelijk goed, veelal gaat het om professionele organisatoren die onze voorwaarden kennen en waar we veel overleg mee voeren.

 

Bedrijfsactiviteiten aan huis waar dit niet is toegestaan

In ons omgevingsplan is vastgelegd in welke mate het is toegestaan om bedrijfsmatige en ondergeschikte nevenactiviteiten te verrichten vanuit een woning (thuiskapper, webshop, bed & breakfast, administratiekantoor, klusbedrijf). Het komt voor dat bedrijfsactiviteiten worden uitgevoerd die niet zijn toegestaan (zoals metaalbewerking, onderhoud auto, houtbewerking) of dat activiteiten groeien en niet meer zijn toegestaan. We treffen dit steeds vaker aan. Tijdens corona zijn de bedrijfsactiviteiten aan huis toegenomen. Bij groei is het kostbaar voor de ondernemer om activiteiten te verplaatsen naar een geschikt (bedrijfs)pand.

 

Strijdig gebruik van panden

Het gaat om het gebruik van bouwwerken in strijd met de regels van ons omgevingsplan. In Alphen Stad kan het gaan om: horeca-activiteiten in een gebouw waar dat niet is toegestaan, opslag van goederen door een bedrijf dat niet is toegestaan, voortzetten van activiteiten na afloop van een tijdelijke vergunning. Het risico is gemiddeld en wat hoger als het gaat om strijdig gebruik in panden met veel bezoekers. De risico’s liggen op veiligheid en op overlast (leefbaarheid). De kans is gemiddeld. We beoordelen of er sprake is van strijdig gebruik op basis van signalen die we binnenkrijgen (zoals meldingen van inwoners) of bij reguliere controles van activiteiten, gebouwen of specifieke gebieden.

 

Stoken van open haarden

Het stoken van open haarden kan leiden tot overlast van rook en geur. De overlastmeldingen nemen toe. Er is landelijk aandacht voor de negatieve gezondheidseffecten van houtstook. We nemen deel aan het Schone Lucht Akkoord waarin rijk, provincies en een groot aantal gemeenten samenwerken aan voorlichtingsmateriaal, richtlijnen voor het bepalen van uitstoot en een toetsingskader voor het bepalen van de mate van overlast.

Het stoken van haarden is niet verboden. Optreden bij overlast is niet gemakkelijk en handhaving kan alleen op basis van technische eisen van het Besluit bouwwerken leefomgeving (duur onderzoek) of een (dure) meting naar de luchtkwaliteit. De kosten staan dan veelal niet in verhouding tot de ervaren overlast.

 

Leegstaande of verwaarloosde panden

Het komt voor dat een gebouw leegstaat en zodanig verwaarloosd is dat er gevaar dreigt voor instorting of dat het leegstaande pand gebruikt wordt voor feesten / samenkomsten. We ontzeggen door middel van afzetting en bebording de toegang tot een onbewoonbaar gebouw. Bij particulier eigendom trachten we met de eigenaar in contact te komen over de voorgenomen afzetting van de toegang. Langer leegstaande panden kunnen leiden tot verloedering van een straat of gebied, bijvoorbeeld in winkelgebieden.

 

Duurzame opwekking energie

Het duurzaam opwekken van energie is een positieve ontwikkeling en draagt bij aan de realisatie van de energietransitie. Het gebruik van zonnepanelen, warmtepompen, zonneweiden en batterij-opslag kan echter negatieve gevolgen hebben: hinder (licht, geluid, trillingen) en (brand)veiligheid. De kans neemt toe, doordat er steeds meer duurzame opwekking plaatsvindt.

 

Terrassen

De terrassen verhogen de levendigheid in ons centrum. Aan de andere kant kan er ook sprake zijn van geluidoverlast, niet houden aan de sluitingstijden voor terrassen of innemen van meer ruimte dan is toegestaan. Het naleefgedrag is redelijk. Evenementen die ook gebruik maken van terrassen kunnen leiden tot een hoger risico (bijvoorbeeld glaswerk dat meegaat naar het evenement).

 

Realisatie of gebruik in afwijking van of zonder vergunning

Bij het realiseren of aanpassen van bouwwerken zijn regels van toepassing vanuit landelijke wetten, ons omgevingsplan en de vergunning. Het gaat om het realiseren of gebruiken van bouwwerken in afwijking van de vergunning of zonder vergunning. Bij (ver)bouwen zien we dat dit in afwijking van de vergunning of zonder vergunning gebeurt. Als gevolg van ons toezicht worden afwijkingen vaak nog tijdens het bouwproces opgelost. De risico’s liggen bij constructieve veiligheid, brandveiligheid, gezondheid, energiezuinigheid en kwaliteit binnenmilieu. De realisatie van kleinere bouwwerken zoals erfafscheidingen, reclame-aanduidingen, balkonafscheidingen of dakramen leidt tot zeer beperkte risico’s. Doordat een toenemend deel van de bouwactiviteiten niet meer vergunningplichtig is hebben we geen compleet beeld van bouwwerken via de vergunningaanvraag.

 

Aantasting cultuurhistorische waarden

Onze gemeente is rijk aan cultuurhistorisch erfgoed: rijks- en gemeentelijke monumenten, karakteristieke panden en beschermde dorpsgezichten. Het verbouwen van monumenten zonder of in afwijking van een omgevingsvergunning kan tot onherstelbare schade leiden. Om die reden worden vergunningaanvragen zorgvuldig getoetst en houden we toezicht. Onze monumenten zijn geregistreerd. In ons omgevingsplan en onze beheersverordening cultuurhistorie zijn panden aangewezen die gelijkwaardig zijn aan een monument, zijn andere bouwwerken aangewezen met een gemiddelde of hogere waarde die worden beschermd en zijn stedenbouwkundige ensembles en landschappelijke gebieden en objecten aangewezen.

 

De eigenaren zijn zich bewust van de status van hun pand, bouwwerk of object en gaan zorgvuldig om met de (monumentale) waarde. De eigenaren van monumenten en bouwwerken met een hogere cultuurhistorische waarde zijn aangeschreven. De overige eigenaren zijn benaderd via algemene gemeentelijke communicatiekanalen.

 

Strijdig gebruik van gronden

We hebben het over gebruik van gemeentegrond als eigen perceel (‘bijtrekken bij tuin’), erfafscheidingen die te ruim staan, bouwwerken die (fors) oversteken of opslag van goederen op gemeentegrond zonder vergunning. Dit komt regelmatig voor. Als het om structureel gebruik gaat kunnen we beoordelen of het wenselijk is om de grond te verkopen aan de gebruiker. Het tegengaan van illegaal gebruik van gemeentegrond is tijdrovend, vandaar dat we afwegen of deze inspanning opweegt tegen de omvang en aard van het strijdig gebruik. Ook komt in Alphen Stad het strijdig gebruik voor van percelen die in eigendom zijn van de gebruiker, zoals het gebruik van een tuin als stalling of parkeerplaats.

 

Kansspelen

Kansspelen zijn geregeld in onze APV en de landelijke Wet op de Kansspelen. We kennen een vergunningstelstel voor het exploiteren van een speelgelegenheid, de aanwezigheid van kansspelautomaten en het organiseren van kansspelen (loterij, bingo). We controleren op het in werking hebben van kansspelautomaten. Het zonder vergunning of melding organiseren van een loterij of bingo komt erg vaak voor, net zoals het niet voldoen aan voorwaarden.

 

Reclame

In onze APV zijn algemene regels gesteld voor het plaatsen van lichtreclame en bebording. Er kan lichthinder ontstaan en reclame kan het straatbeeld ontsieren. Het komt wel eens voor dat er lichtreclame wordt aangebracht die afwijken van onze algemene regels. Ook komt het voor dat illegale reclame-uitingen worden geplaatst, zoals langs de N11of bij sportvelden.

 

Aantasting archeologische waarden

Archeologisch waardevolle voorwerpen kunnen worden aangetast door activiteiten in de bodem zoals graven of aanbrengen van een fundering. Bij het aantreffen van voorwerpen kan de initiatiefnemer deze documenteren en (meestal) de werkzaamheden continueren. We hebben onze archeologische waarden in kaart gebracht en vastgelegd en het is bekend in welke gevallen een onderzoek is vereist. De kans op ongewenste aantasting is vrij laag door de aandacht die we ervoor hebben. Er vindt archeologisch onderzoek plaats als dat is vereist.

 

Vellen van bomen

Een deel van het grote aantal bomen in onze gemeente is beschermwaardig. Dit zijn particuliere en gemeentelijke bomen die minimaal 40 jaar oud zijn en bijdragen aan de kwaliteit van de omgeving. Er is een vergunningplicht voor het kappen van beschermde bomen. Verder zijn cultuurhistorische waarden bepaald in ons omgevingsplan voor beeldbepalend groen zoals: boerengeriefbosjes, boomgaarden, houtakkers, bomenrijen en enkele parken. In de Wet natuurbescherming (opgaand in Omgevingswet) is vastgelegd voor welke grotere percelen of bomenrijen een melding moet worden gedaan.

Het illegaal kappen van een boom of het aantasten van groenwaarden is onomkeerbaar en leidt tot verlies van groen, natuur en omgevingskwaliteit. De kans op overtreding is laag, het komt niet vaak voor.

 

Strijd met eisen van welstand

Onze welstandsnota bevat de eisen voor het aanzien van een bouwwerk vanuit de gedachte dat welstand bijdraagt aan een aantrekkelijke bebouwde omgeving. Er zijn gebieden benoemd met een bijzonder welstandsniveau zoals het Stadshart en de dorpslinten, waar meer aandacht is voor de inpassing van een bouwplan in het gebied en de bijdrage aan de kwaliteit van het straatbeeld. We constateren nauwelijks excessen op welstand en ervaren dat de inwoners en ondernemers in Alphen Stad goed bekend zijn met de eisen van welstand en deze behoorlijk naleven.

 

Illegale seksinrichting

Het exploiteren van een seksinrichting is gereguleerd in de APV. Er is een legale inrichting op een daarvoor bestemd bedrijventerrein. Het individueel aanbieden van diensten komt voor en is verboden als het op een bedrijfsmatige manier gebeurd.

 

Aanleg

Bij aanleg gaat het om werken of werkzaamheden waarvoor een omgevingsvergunning voor het uitvoeren van werken of werkzaamheden nodig is. De aanleg van een werk is zichtbaar en komt niet vaak voor zonder vergunning. Het komt vaker voor dat een in/uitrit wordt aangelegd in afwijking van de vergunning (breder of op een andere plek). De toename van het gebruik van laadpalen leidt tot een toename in de aanleg van een inrit naar laadpalen

 

Innemen van standplaatsen

Het innemen van standplaatsen zoals door een visboer of een bloemenkar is geregeld in de APV. De kans op overtredingen is laag; het gaat bijna altijd om vaste standplaatsen. Een enkele keer zien we dat er teveel ruimte wordt ingenomen of dat er wordt geloosd in het riool. Ook ontvangen we klachten over geuroverlast.

 

2.3 Prioriteiten

De activiteiten die zijn ingedeeld naar de score op de prioritering zijn in de vorige paragraaf in die volgorde toegelicht. In de tabel staat aangegeven welke VTH-instrumenten we kunnen inzetten op de betreffende activiteiten om de effecten en risico’s te beheersen.

 

 

De manier waarop we de VTH-instrumenten inzetten en de capaciteit die daarmee is gemoeid is uitgewerkt in ons uitvoeringsprogramma dat we jaarlijks opstellen. In ons jaarverslag geven we aan in welke mate we de geplande uitvoering hebben gerealiseerd en in welke mate we onze doelen realiseren.

 

3 Kernen

3.1 Profiel

Onder het gebiedstype ‘kernen’ vallen Aarlanderveen, Benthuizen, Boskoop, Hazerswoude Rijndijk en Dorp), Koudekerk aan den Rijn en Zwammerdam. Het zijn kernen met een eigen identiteit en historie en met een rijk cultuurhistorisch karakter. Verbonden met Alphen Stad, met het buitengebied en met natuurgebieden. De kern Boskoop is toonaangevend in de boom- en sierteelt.

 

3.2 Omgevingsanalyse

De omgevingsanalyse leidt tot de volgende indeling van prioritering:

 

Kernen

Prioriteit

Productie synthetische drugs of hennep / ondermijnende activiteiten)

Illegale bewoning

Evenementen categorie C en B+

Realisatie of gebruik zonder benodigde vergunning

Paracommercie / strijdige alcoholverstrekking

Omgevingsveiligheid bij bouwen en slopen

Hoog

Aantasting cultuurhistorische waarden

Horeca activiteiten

Stoken van open haarden

Evenementen categorie A en B

Gemiddeld

Bedrijfsactiviteiten aan huis waar dit niet is toegestaan

Strijdig gebruik van gronden

Leegstaande of verwaarloosde panden

Strijdig gebruik van panden

Terrassen

Reclame

Aantasting archeologische waarden

Duurzame opwekking energie

Vellen van bomen

Strijd met eisen van welstand

Aanleg

Innemen van standplaatsen

Kansspelen

Particuliere bewoning bedrijfswoning

Laag

 

De tabel geeft inzicht in alle activiteiten met voor elke activiteit de gemiddelde effectscore, de kans, de risicoscore en tenslotte de prioritering.

Bijlage 1 bevat een overzicht waarin ook alle effectscores zijn opgenomen.

 

 

Productie synthetische drugs of hennep / Ondermijnende activiteiten

Jaarlijks treffen we een enkele hennepkwekerij aan na actie van opsporingsdiensten of door meldingen. In de kernen bevinden ze zich in woonhuizen, kelderboxen, schuurtjes en bedrijfspanden. Er zijn geen labs met synthetische drugsproductie aangetroffen.

De productie van drugs vormt een groot risico voor brand of ontploffing, dumping van afval en ondermijning. In de aanpak is er een actieve rol voor politie en opsporingsdiensten en ondersteunen we vanuit VTH. Bij een vondst van productieruimten, voorbereidingen tot productie of opslag van handelshoeveelheden kunnen we overgaan tot tijdelijke sluiting. Ook signaleren we vanuit onze toezichthoudende rol en controleren we leegstaande of verdachte panden.

 

Illegale bewoning

Dit gaat om verhuur van (delen van) woningen waar dat niet is toegestaan (woningsplitsing, overbewoning) op basis van ons omgevingsplan, brandveiligheidseisen of landelijke eisen. Het effect is hoog en de kans ook. Vanuit onze adresonderzoeken (in het kader van de BRP) wordt illegale bewoning gesignaleerd. In (sommige) kernen komt illegale bewoning boven winkels of in bedrijfspanden voor.

 

Evenementen

Er is evenementenbeleid dat wordt geactualiseerd. In de APV is vastgelegd wanneer een vergunning of melding is vereist. Er zijn gebieden in ons omgevingsplan aangewezen waar evenementen zijn toegestaan. Bij evenementen zien we risico’s op parkeren, geluidproductie, verstoring openbare orde, veiligheid van grote groepen, gezondheid (gebruik alcohol, drugs), afval en brandveiligheid.

In de analyse maken we verschil in risicovolle (grotere) publieksevenementen (B+ risicovol/C) en de kleinschalige/minder risicovolle evenementen (meldingen, A en B- regulier).

De risico’s bij publieksevenementen zijn vrij hoog; naast bovengenoemde risico’s gaat het om tijdelijke bouwwerken zoals podia, tribunes of tenten. In de kernen zijn het bijvoorbeeld: Trekkertrek, jaarmarkten, langdurige braderie, carnaval. Er vinden wel illegale evenementen plaats in ruimtes die daarvoor niet geschikt zijn, zoals carnavalsvieringen in schuren of loodsen en crossfeesten bij agrariërs.

 

Realisatie of gebruik in afwijking van of zonder vergunning

Bij het realiseren of aanpassen van bouwwerken zijn regels van toepassing vanuit landelijke wetten, ons omgevingsplan en de vergunning. Het gaat om het realiseren of gebruiken van bouwwerken in afwijking van de vergunning of zonder vergunning. De risico’s liggen bij constructieve veiligheid, brandveiligheid, gezondheid, energiezuinigheid en kwaliteit binnenmilieu. De realisatie van kleinere bouwwerken zoals erfafscheidingen, reclame-aanduidingen, balkonafscheidingen of dakramen leidt tot zeer beperkte risico’s. Doordat een toenemend deel van de bouwactiviteiten niet meer vergunningplichtig is, hebben we geen compleet beeld van bouwwerken via de vergunningaanvraag. We zien ook afwijkingen met grotere risico’s als gevolg van woningsplitsing, dakopbouw, doorbraken binnen bedrijfspanden. De kans is gemiddeld; we treffen regelmatig (ver)bouw aan zonder een benodigde vergunning of in afwijking van de regels.

 

Paracommercie, strijdige alcoholverstrekking

Paracommercie zijn instellingen zoals verenigingen die sportieve, recreatieve of culturele activiteiten verrichten en horeca-activiteiten ontplooien. Horeca is niet de hoofdactiviteit.

De gemeente is conform de Alcoholwet verplicht om de horeca activiteiten van de instellingen in te perken. De reden is hun concurrentievoordeel (subsidies, vrijwilligers, fiscaal) op commerciële horeca ondernemers. De risico’s liggen – naast concurrentie met reguliere horeca - op het schenken van alcohol door onbevoegden of aan minderjarigen, overlast door bezoekers. De kans is hoog; in de kernen vooral in de kantines waar volop alcohol wordt verstrekt

 

Omgevingsveiligheid bij bouwen en slopen

Dit gaat om de omgevingsveiligheid rondom bouwplaatsen en werkterreinen zoals ten aanzien van steigers, kranen, aanvoer en opslag. Er bestaat uit risico op veiligheid, overlast en potentiële schade. De kans is in de kernen wat minder groot dan in stedelijk gebied, doordat de bebouwing minder compact is en de bouw minder complex is.

 

Aantasting cultuurhistorische waarden

Het verbouwen van monumenten zonder of in afwijking van een omgevingsvergunning kan tot onherstelbare schade leiden. Om die reden worden vergunningaanvragen zorgvuldig getoetst en houden we toezicht. Onze monumenten zijn geregistreerd en in ons omgevingsplan en onze beheersverordening cultuurhistorie zijn de panden aangewezen die gelijkwaardig zijn aan een monument, zijn andere bouwwerken aangewezen met een gemiddelde of hogere waarde die worden beschermd en zijn stedenbouwkundige ensembles en landschappelijke gebieden en objecten aangewezen.

 

De eigenaren zijn zich bewust van de status van hun pand, bouwwerk of object en gaan zorgvuldig om met de (monumentale) waarde. De eigenaren van monumenten en bouwwerken met een hogere cultuurhistorische waarde zijn aangeschreven. De overige eigenaren zijn benaderd via algemene gemeentelijke communicatiekanalen.

 

Horeca activiteiten

Bij de horeca spelen veel aspecten zodat de kans op een overtreding of op overlast relatief groot is. Denk aan: brandveiligheid, milieu/geluid, alcoholverstrekking aan jongeren, strijdigheid met de Alcoholwet, sluitingstijden, overlast voor de woonomgeving of verstoring openbare orde (buiten roken, lawaai bezoekers, muziek), vandalisme. De VTH-taken liggen bij de gemeente, de regionale brandweer (brandveiligheid) en de omgevingsdienst (milieu).

In de kernen gaat om restaurants, hotels en kleinere café’s.

 

Stoken van open haarden

Het stoken van open haarden leidt tot overlast van rook en geur. De overlastmeldingen nemen toe. Ook is er landelijk aandacht voor de negatieve gezondheidseffecten van houtstook. We nemen deel aan het Schone Lucht Akkoord waarin rijk, provincies en een groot aantal gemeenten samenwerken aan voorlichtingsmateriaal, richtlijnen voor het bepalen van uitstoot en een toetsingskader voor het bepalen van de mate van overlast.

Het stoken van haarden is echter niet verboden. Optreden bij overlast is niet gemakkelijk en handhaving kan op basis van technische eisen van het Besluit bouwwerken leefomgeving (duur onderzoek) of een (dure) meting naar de luchtkwaliteit. De kosten staan dan veelal niet in verhouding tot de overlast.

 

Bedrijfsactiviteiten aan huis waar dit niet is toegestaan

In ons omgevingsplan is vastgelegd in welke mate het is toegestaan om bedrijfsmatige en ondergeschikte nevenactiviteiten vanuit een woning te verrichten (thuiskapper, bed & breakfast, webshop, administratiekantoor, klusbedrijf). Het kan voorkomen dat er bedrijfsactiviteiten worden uitgevoerd die niet zijn toegestaan (metaalbewerking, onderhoud auto’s of houtbewerking) of dat de toegestane activiteiten dermate groeien in omvang dat het niet meer is toegestaan. We treffen dit niet vaak aan.

 

Strijdig gebruik van gronden

We hebben het over het gebruik van gemeentegrond als eigen perceel (‘bijtrekken bij tuin’), erfafscheidingen die te ruim staan, bouwwerken die (fors) oversteken of het opslaan van goederen op gemeentegrond. Dit komt regelmatig voor. Als het om structureel gebruik gaat dan kunnen we beoordelen of het wenselijk is om de grond te verkopen aan de gebruiker. Het tegengaan van het illegaal gebruiken van gemeentegrond is tijdrovend, vandaar dat we afwegen of deze inspanning opweegt tegen de omvang en aard van het strijdig gebruik.

 

Leegstaande of verwaarloosde panden

Het komt voor dat een gebouw leegstaat en zodanig verwaarloosd is dat er gevaar dreigt voor instorting of dat het pand gebruikt wordt voor feesten of andere samenkomsten. We ontzeggen door middel van een afzetting en bebording de toegang tot een onbewoonbaar gebouw. Bij particulier eigendom trachten we met de eigenaar in contact te komen over de voorgenomen afzetting van de toegang. Langer leegstaande panden kunnen leiden tot verloedering van een of kern of winkelgebied. Dit speelt maar in geringe mate.

 

Strijdig gebruik van panden

Het gaat om het gebruik van bouwwerken in strijd met de regels van ons omgevingsplan.

In de kernen kan het gaan om: bedrijfsmatige activiteiten die niet zijn toegestaan, horeca waar dat niet is toegestaan, opslag van goederen door een bedrijf dat niet is toegestaan. Het risico is gemiddeld en wat hoger als het gaat om strijdig gebruik in panden met veel bezoekers. De risico’s liggen op veiligheid en op overlast (leefbaarheid). De kans is laag.

We beoordelen of er sprake is van strijdig gebruik op basis van signalen die we binnenkrijgen (zoals meldingen van inwoners) of bij reguliere controles van activiteiten, gebouwen of specifieke gebieden.

 

Terrassen

De terrassen bevindingen zijn op dorpspleinen en bij de horeca en in de kernen zijn ze vrij kleinschalig. Er komen incidenteel klachten binnen over geluidoverlast. Het naleefgedrag is goed.

 

Reclame

In onze APV zijn algemene regels gesteld voor het plaatsen van lichtreclame en bebording. Er kan lichthinder ontstaan en reclame kan het straatbeeld ontsieren. In de kernen zijn er niet veel lichtreclames en de kans is klein dat er lichtreclame wordt aangebracht die afwijkt van onze algemene regels.

 

Aantasting archeologische waarden

Archeologisch waardevolle voorwerpen kunnen worden aangetast door activiteiten in de bodem zoals graven of aanbrengen van een fundering. Bij het aantreffen van voorwerpen kan de initiatiefnemer deze documenteren en (meestal) de werkzaamheden continueren.

We hebben onze archeologische waarden in kaart gebracht en vastgelegd en het is bekend in welke gevallen een onderzoek is vereist. De kans op aantasting is laag door de aandacht die we ervoor hebben. Er vindt archeologisch onderzoek plaats als dat is vereist.

 

Duurzame opwekking energie

Het duurzaam opwekken van energie is een positieve ontwikkeling en draagt bij aan de realisatie van de energietransitie. Het gebruik van zonnepanelen, warmtepompen, zonneweiden en batterij-opslag kan echter negatieve gevolgen hebben. Denk aan hinder (licht, geluid), trillingen en (brand)veiligheid. De kans hierop is in de kernen vrij laag omdat de bebouwingsdichtheid vrij laag is.

 

Vellen van bomen

Een deel van het grote aantal bomen in onze gemeente is beschermwaardig. Dit zijn particuliere en gemeentelijke bomen die minimaal 40 jaar oud zijn en bijdragen aan de kwaliteit van de omgeving. Er geldt een vergunningprocedure voor het kappen van beschermde bomen. Verder zijn cultuurhistorische waarden bepaald in ons omgevingsplan voor beeldbepalend groen zoals: boerengeriefbosjes, boomgaarden, houtakkers, bomenrijen en enkele parken. In de Wet natuurbescherming (opgaand in Omgevingswet) is vastgelegd voor welke grotere percelen of bomenrijen een melding moet worden gedaan.

Het illegaal kappen van een boom of aantasten van groenwaarden is onomkeerbaar en leidt tot verlies van groen, natuur en de omgevingskwaliteit. De kans is laag. Eigenlijk komt het illegaal kappen van beschermwaardige bomen niet voor. De cultuurhistorisch aangewezen waarden zijn minder bekend en daar is een kans aanwezig.

 

Strijdig met eisen van welstand

Onze welstandsnota bevat de eisen voor het aanzien van een bouwwerk vanuit de gedachte dat welstand bijdraagt aan een aantrekkelijke bebouwde omgeving. Er zijn gebieden benoemd met een bijzonder welstandsniveau waar meer aandacht is voor de inpassing van een bouwplan in het gebied en de bijdrage aan de kwaliteit van het straatbeeld. We constateren nauwelijks excessen en ervaren dat de inwoners en ondernemers goed bekend zijn met de eisen van welstand en deze naleven.

 

Aanleg

Bij aanleg gaat het om werken of werkzaamheden waarvoor een omgevingsvergunning voor het uitvoeren van werken of werkzaamheden nodig is. De aanleg van een werk is zichtbaar en komt niet vaak voor zonder vergunning. Het komt vaker voor dat een in/uitrit wordt aangelegd in afwijking van de vergunning (breder of op een andere plek). De toename van het gebruik van laadpalen leidt tot een toename in de aanleg van een inrit naar laadpalen.

 

Innemen van standplaatsen

Het innemen van standplaatsen zoals door een visboer of een bloemenkar is geregeld in de APV. De kans op overtredingen is laag; het gaat bijna altijd om vaste standplaatsen. Een enkele keer zien we dat er teveel ruimte wordt ingenomen of dat er wordt geloosd in het riool. Ook ontvangen we klachten over geuroverlast.

 

Kansspelen

Kansspelen zijn geregeld in onze APV en in de landelijke Wet op de Kansspelen. We kennen een vergunningstelstel voor het exploiteren van een speelgelegenheid, de aanwezigheid van kansspelautomaten en het organiseren van kansspelen (loterij, bingo). We controleren strikt op het in werking hebben van kansspelautomaten. Het zonder vergunning of melding organiseren van een loterij of bingo komt heel vaak voor, net zoals het niet voldoen aan alle voorwaarden.

 

Particuliere bewoning bedrijfswoning

Ons omgevingsplan maakt onderscheid in de woning en bedrijfswoning. Een bedrijfswoning heeft een functionele binding met het bedrijf, mag niet door derden worden bewoond en kan een lager beschermingsniveau hebben dan een gewone woning. Bij verkoop of beëindiging van het bedrijf kan het voorkomen dat de bedrijfswoning niet als zodanig wordt aangemerkt en als woning overgaat naar een nieuwe eigenaar. Dit veroorzaakt strijdigheid. De kans hierop is laag; makelaars en notarissen zijn er alert op.

 

3.3 Prioriteiten

De activiteiten die zijn ingedeeld naar de score op de prioritering zijn in de vorige paragraaf in die volgorde toegelicht. In de tabel staat aangegeven welke VTH-instrumenten we kunnen inzetten op de betreffende activiteiten om de effecten en risico’s te beheersen.

 

 

De manier waarop we de VTH-instrumenten inzetten en de capaciteit die daarmee is gemoeid is uitgewerkt in ons uitvoeringsprogramma dat we jaarlijks opstellen. In ons jaarverslag geven we aan in welke mate we de geplande uitvoering hebben gerealiseerd en in welke mate we onze doelen realiseren.

 

4 Bedrijventerreinen

4.1 Profiel

In onze gemeente beslaan de bedrijventerreinen een derde van ons totale bebouwde gebied. We bieden ruimte aan een grote variatie aan bedrijvigheid: logistiek dienstverleners, MKB-bedrijven, boom- en sierteelt, een containerterminal, productiebedrijven in de hoogste milieucategorie 4 en 5. De huidige bedrijventerreinen bieden geen ruimte meer voor uitbreiding; dit kan alleen aangrenzend aan de huidige bedrijventerreinen zoals nabij de N11 en de containerterminal.

 

Eén van onze doelen is om de bedrijfsactiviteiten in onze gemeente meer duurzaam en circulair te maken. Dit betekent anders omgaan met grondstoffen en reststromen. Om dit te realiseren zullen we faciliteren om bestaande bedrijfsactiviteiten aan te passen en zal er ruimte op de bedrijventerreinen gecreëerd moeten worden voor innovatieve circulaire bedrijven en nieuw ondernemerschap.

 

De bedrijventerreinen zijn onderstaand weergegeven: Hoogewaard, Hoorn-West,Rijnhaven, Molenwetering, Heimanswetering, Schans I en II, Steekterpoort, ITC/PCT, Verbreepark.

 

 

4.2 Omgevingsanalyse

De omgevingsanalyse leidt tot de volgende indeling van prioritering:

 

Bedrijventerreinen

Prioriteit

Productie synthetische drugs of hennep / ondermijning

Illegale bewoning

Hoog

Realisatie of gebruik zonder benodigde vergunning

Strijdig gebruik van gronden

Gemiddeld

Realisatie of gebruik in afwijking van de vergunning

Omgevingsveiligheid bij bouwen en slopen

Strijdig gebruik: opslag of hogere bedrijfscategorie dan toegestaan

Particuliere bewoning bedrijfswoning

Aanleg

Reclame

Strijdig gebruik: detailhandel waar dat niet is toegestaan

Vellen van bomen

Verwaarlozing van leegstaande panden

Laag

 

De tabel geeft inzicht in alle activiteiten met voor elke activiteit de gemiddelde effectscore, de kans, de risicoscore en tenslotte de prioritering.

Bijlage 1 bevat een overzicht waarin ook alle effectscores zijn opgenomen.

 

 

Productie van drugs of hennep / ondermijnende activiteiten in bedrijfspanden

Panden, loodsen en bergingen zijn geschikt voor ondermijnende activiteiten. Bijvoorbeeld productie en opslag van hennep of heling van goederen. De opsporing is een taak van politie en andere partners. De gemeente ziet toe op strijdig gebruik en eisen aan brandveiligheid. Het effect van ondermijnende activiteiten is hoog op veiligheid, gezondheid, overlast, witwassen en het faciliteren van criminele netwerken.

De kans op de bedrijventerreinen is gemiddeld. We treffen ondermijnende activiteiten aan maar niet in grote omvang. Ook is er frequent toezicht op onze bedrijventerreinen en van bedrijfsgebouwen vanuit de gemeente, brandweer, omgevingsdienst, waterschap.

 

Illegale bewoning van bedrijfspanden

Op de bedrijventerreinen gaat het bij illegale bewoning om verboden onderhuur of verhuur van (delen van) bedrijfspanden aan arbeidsmigranten, werknemers of mensen die (tijdelijk) op zoek zijn naar woonruimte. Het effect is vrij hoog. Ook is de kans hoog door druk op de woningmarkt en de vraag naar goedkopere woonruimte.

 

Realisatie of gebruik zonder of in afwijking van de vergunning

Het realiseren van een nieuw bedrijfspand zonder vergunning komt niet voor. We zien wel realiseren van een uitbouw zonder of in afwijking van de vergunning. Als dit zonder vergunning gebeurt dan is de kans hoog dat we dat niet constateren. Verder vinden er veel interne verbouwingen plaats. Dit gaat om het splitsen van ruimtes/panden en/of het realiseren van constructieve doorbraken of veranderingen, zoals het (ver)bouwen van tussenwanden of -vloeren. Dit heeft een hoog risico voor de constructieve veiligheid en de eisen voor brandveiligheid. De kans is flink hoger bij kleinere bedrijven en met name de bedrijfsunits en bedrijfsverzamelgebouwen waar veel wisselingen zijn van huurders of eigenaren en verbouwingen vaak plaatsvinden.

 

Strijdig gebruik van gronden

Dit gaat om het gebruik van gemeentegrond (bermen, groenstroken) voor opslag van goederen, plaatsen van container of bijtrekken bij het bedrijfsperceel of het strijdig gebruik van grond die in eigendom van het bedrijf zijn. Het leidt tot verkeersonveilige situaties, vermindert de uitstraling, geeft een financieel voordeel. De kans is hoog.

 

Omgevingsveiligheid bij bouwen en slopen

Dit gaat om de omgevingsveiligheid rondom bouwplaatsen en werkterreinen zoals ten aanzien van steigers, kranen, aanvoer en opslag. Het risico is hoog. De kans is vrij beperkt op de bedrijventerreinen, er is meestal voldoende ruimte voor plaatsing en het afzetten van een gebied.

 

Strijdig gebruik:

Bij strijdig gebruik kan het onder andere gaan om het uitoefenen van detailhandel waar dat niet is toegestaan (bijvoorbeeld groothandel die aan particulieren verkoopt) of opslag van goederen of activiteiten met een hogere milieucategorie dan is toegestaan. Het zicht op strijdig gebruik is beperkt bij bedrijfs(verzamel)gebouwen met een groter verloop van eigenaren of huurders en waar verschillende bedrijfsactiviteiten plaatsvinden of elkaar opvolgen. De VTH-taken liggen bij de gemeente (ruimtelijk, bouw), omgevingsdienst (milieu) en brandweer (brandveiligheid).

 

Particuliere bewoning van een bedrijfswoning

Ons omgevingsplan maakt onderscheid in de woning en bedrijfswoning. Een bedrijfswoning heeft een functionele binding met het bedrijf, mag niet door derden worden bewoond en kan een lager beschermingsniveau hebben dan een gewone woning. Bij verkoop van het bedrijf kan het voorkomen dat de bedrijfswoning niet als zodanig wordt aangemerkt en als woning overgaat naar een nieuwe eigenaar. Dit veroorzaakt strijdigheid. Het wonen op een bedrijventerrein kan een effect op de gezondheid hebben en op concurrentievervalsing. De kans is gemiddeld.

 

Aanleg

Dit betreft de aanleg van een weg of een inrit/uitrit op een bedrijventerrein. De aanleg van een werk is goed zichtbaar en komt niet voor zonder vergunningen. Bij een inrit/uitrit wordt lang niet altijd een melding gedaan of is de realisatie in afwijking van de melding.

 

Reclame-uitingen

In onze APV en welstandsnota zijn regels gesteld voor het plaatsen van lichtreclame en bebording. Er kan lichthinder ontstaan en reclame kan het straatbeeld ontsieren. Er zijn veel reclame-uitingen die niet aan de technische of welstandsvoorwaarden voldoen. Het risico is vrij beperkt. Om die reden zijn onze handhavingsinspanningen ook beperkt.

 

Vellen van bomen

Op het bedrijventerrein komt het illegaal kappen van een beschermwaardige boom of groen met cultuurhistorische waarde nauwelijks voor. Het betreft vooral bomen of groen in openbaar gebied.

 

Leegstaande of verwaarloosde panden

Dit heeft te maken met leegstand of verwaarlozing van panden. Dit vermindert de uitstraling van het bedrijventerrein en het vestigingsklimaat. De kans is erg laag; het komt nauwelijks voor dat bedrijfspanden langere tijd leegstaan.

 

4.3 Prioriteiten

De activiteiten die zijn ingedeeld naar de score op de prioritering zijn in de vorige paragraaf in die volgorde toegelicht. In de tabel staat aangegeven welke VTH-instrumenten we kunnen inzetten op de betreffende activiteiten om de effecten en risico’s te beheersen.

 

 

De manier waarop we de VTH-instrumenten inzetten en de capaciteit die daarmee is gemoeid is uitgewerkt in ons uitvoeringsprogramma dat we jaarlijks opstellen. In ons jaarverslag geven we aan in welke mate we de geplande uitvoering hebben gerealiseerd en in welke mate we onze doelen realiseren.

 

5 Buitengebied

5.1 Profiel

Ons prachtige en diverse buitengebied is gevormd door historisch gegroeide landschappen met droogmakerijen, veenweiden, boomkwekerijlandschap en oeverwallen, historische molens en gemalen. Er zijn diverse natuurgebieden waarvan De Wilck en een deel van de Nieuwkoopse Plassen & De Haeck met de status van Natura 2000.

 

De agrarische identiteit en openheid is een kernkwaliteit van het landschap. We treffen er kavelbeplanting aan zoals geriefbosjes, pestbosjes en boomgaarden. Het kwekerijgebied van Boskoop geniet als sierteeltgebied internationale faam. Er is een fijnmazig netwerk aan (vaak) bevaarbare sloten en talloze bruggen. De VVV verzorgt er rondvaarten.

 

De opgaven van in ons buitengebied zijn samen te vatten in: landbouw, biodiversiteit, klimaatadaptatie, energietransitie, recreatie en toerisme. Bij de landbouw zien we ontwikkelingsrichtingen in de duurzame landbouw als drager van het landschap en van hoogproductieve landbouw die gericht is op kringlopen en natuurinclusief is.

 

 

5.2 Omgevingsanalyse

De omgevingsanalyse leidt tot de volgende indeling naar prioritering:

 

Buitengebied

Prioriteit

Productie synthetische drugs of hennep / Ondermijnende activiteiten

Evenementen categorie C en B+

Aantasting cultuurhistorische waarden

Hoog

Illegale bewoning

Realisatie of gebruik in afwijking van de vergunning

Strijdig gebruik van panden

Onvoldoende invulling voorwaarden landschappelijke inpassing

Aantasting archeologische waarden

Evenementen categorie A en B

Gemiddeld

Realisatie of gebruik zonder benodigde vergunning

Strijdig gebruik van gronden

Paracommercie / Strijdige alcoholverstrekking

Vellen van bomen

Horeca activiteiten

Particuliere bewoning bedrijfswoning

Bedrijfsactiviteiten aan huis waar dit niet is toegestaan

Aanleg

Verwaarlozing van leegstaande panden

Omgevingsveiligheid bij bouwen en slopen

Permanente bewoning recreatiewoningen

Duurzame opwekking energie

Strijdig met eisen van welstand

Reclame

Laag

 

De tabel geeft inzicht in alle activiteiten met voor elke activiteit de gemiddelde effectscore, de kans, de risicoscore en tenslotte de prioritering.

Bijlage 1 bevat een overzicht waarin ook alle effectscores zijn opgenomen.

 

 

Productie synthetische drugs of hennep / Ondermijnende activiteiten

Leegstaande panden, loodsen en bergingen kunnen geschikt zijn voor ondermijnende activiteiten. Bijvoorbeeld productie en opslag van hennep of heling van goederen.

We ontdekken een tiental productieruimten per jaar voor hennep; één keer zijn er sporen aangetroffen van een drugslab. Het risico is hoog. De kans in het buitengebied is gemiddeld. Ons buitengebied is omvangrijk en een aantal panden ligt ‘achteraf’. Aan de andere kant treffen we bij onze controles en die van onze partners weinig verdachte situaties aan.

 

Evenementen

De evenementen in het buitengebied zijn onder andere tentfeesten en trekker-trek evenementen. Het gaat om evenementen met een hoger risico en een gemiddelde kans.

Er worden tijdelijke constructies gebruikt, de bezoekersaantallen zijn behoorlijk en evenementen vinden soms plaats in panden of ruimtes die daarvoor niet geschikt of minder geschikt zijn.

 

Aantasting cultuurhistorische waarden

Het gaat om het zonder of in afwijking van de vergunning aanpassen van monumenten of cultuurhistorische waarden die in het omgevingsplan zijn vastgelegd. In het buitengebied vallen panden, parken en beschermde dorpsgezichten daar bijvoorbeeld onder. De kans is hoog; door het groot aantal panden en gebieden dat een cultuurhistorische waarde heeft.

 

Illegale bewoning

In het buitengebied is de kans hoog op illegale bewoning van panden door arbeidsmigranten of mensen die zijn aangewezen op goedkope woonruimte. Het effect is hoog op veiligheid en de gezondheid van de bewoners (door onder andere ontbrekende ventilatievoorzieningen of het niet voldoen aan eisen voor brandveiligheid), overlast voor omwonenden en ook is het concurrentievervalsend voor andere aanbieders van woonruimte.

 

Realisatie of gebruik zonder of in afwijking van de vergunning

In het buitengebied is de kans gemiddeld, we komen met regelmaat activiteiten tegen die zonder benodigde of in afwijking van de verleende vergunning zijn. Het kan gaan om het realiseren van bijgebouwen (zoals schuren), het vergroten van bestaande gebouwen, intern (en constructief) veranderen, bouwen buiten het toegestane bouwvlak of het realiseren van een bouwwerk op een agrarische bestemming.

 

Strijdig gebruik van panden

In het buitengebied gaat het om de volgende activiteiten in panden die niet zijn toegestaan: opslag van goederen, nevenactiviteiten (bouwbedrijfje, loonbedrijf), caravanstalling, etc. De kans is hoog, we komen veel kleinere overtredingen tegen. We constateren overtredingen tijdens ons toezicht en er zijn diverse oorzaken van strijdig gebruik.

 

Onvoldoende invulling voorwaarden landschappelijke inpassing

Bij het realiseren van nieuwe voorzieningen of de uitbreiding van bestaande voorzieningen is de landschappelijke inpassing als voorwaarde opgenomen in ons omgevingsplan en in vergunningen die worden afgegeven. Het gaat om uitbreiding of aanpassing van bedrijfsmatige, agrarische of recreatieve gebouwen. De realisatie van een door de initiatiefnemer ingediend inpassingsplan of beplantingsplan is een versterking van de ruimtelijke uitstraling. We zien dat de realisatie soms niet conform het plan is, bijvoorbeeld als er andere of minder beplanting is aangebracht. De kans is niet zo hoog.

 

Archeologische waarden

De archeologische waarden zijn van belang in ons buitengebied vanwege de bijzondere aanwezigheid (onder ander de limes, schepen) en het feit dat we die waarden ook echt uitdragen (zoals het Archeon). De kans is hoog, omdat er bij werkzaamheden kans is op aantasting van die waarden.

 

Strijdig gebruik van gronden ( incl erf)

Dit gaat om het telen van gewassen die niet zijn toegestaan (bijvoorbeeld bollenteelt op een weiland), opslag op (openbare) grond die niet in eigendom is, opslag op het eigen erf van goederen die niet zijn toegestaan of in te grote hoeveelheden (zoals vloeistoffen of mest) of het inzaaien met gras van kwekerijen die (tijdelijk) stoppen.

Het risico is niet groot en de kans is gemiddeld; we komen overtredingen tegen en over het algemeen gaan de gebruikers zorgvuldig om met het buitengebied.

 

Strijdige alcoholverstrekking

In het buitengebied zijn er locaties ingericht om alcohol te nuttigen door (veelal) jongeren (de zogenaamde ‘zuipketen’). Vanuit VTH kunnen we hiervoor niet terugvallen op de Alcoholwet en alleen optreden als er sprake is van een illegaal gebouw of illegaal gebruik van een gebouw. Het is meer een sociale kwestie dan dat die op het bord ligt van VTH.

 

Vellen van bomen

De kans op het aantasten van cultuurhistorisch beschermd groen is in het buitengebied hoger dan in andere gebieden. Dit komt omdat in het buitengebied grotere gebieden zijn beschermd en omdat aantasting minder zichtbaar is.

 

Horeca

In het buitengebied is er een beperkt aantal en meer kleinschalige horeca-activiteiten. Er is een risico op verkeersoverlast, geluidoverlast, alcoholverstrekking aan minderjarigen of andere vormen van overlast. De kans daarop is niet hoog in het buitengebied.

 

Particuliere bewoning bedrijfswoning

Bij verkoop van het bedrijf kan het voorkomen dat de bedrijfswoning niet als zodanig wordt aangemerkt en als woning overgaat naar een nieuwe eigenaar. Ook kan het voorkomen dat de bedrijfsactiviteiten stoppen en dat de bedrijfswoning bewoond blijft. Dit veroorzaakt strijdigheid. De kans hierop is hoog in het buitengebied, omdat er relatief veel bedrijfsactiviteiten worden gestopt waar er een functionele binding is met de bedrijfswoning.

 

Bedrijfsactiviteiten aan huis waar dit niet is toegestaan

We zien in het buitengebied kleinschalige auto(herstel)bedrijven, metaal- en houtbewerking, te groot gegroeide dienstverlening. Het komt weinig voor dat deze bedrijfsactiviteiten niet passen binnen de regels voor nevenactiviteiten.

 

Aanleg

In het buitengebied gaat het om het afgraven, egaliseren, frezen of ophogen van gronden, de aanleg van een inrit of perceelverharding. In het omgevingsplan staat voor welke activiteiten een vergunning nodig is. Wat betreft de activiteiten met betrekking tot sloten (aanleg of dempen) heeft zowel de gemeente als het waterschap hierin een bevoegdheid.

Een aanlegactiviteit zonder of in afwijking van de vergunning heeft een nadelig effect op de natuur. De kans is gemiddeld

 

Leegstaande of verwaarloosde bouwwerken

Het komt voor dat we een (agrarisch) pand aantreffen dat lang leegstaat of onbewoonbaar is. De kans is niet hoog het kan gaan om verlaten agrarische gebouwen, winkels of ander detailhandel, achteraf gelegen panden. Als er gevaar dreigt (instorting) dan ontzeggen we de toegang door afzettingen en trachten we in contact te treden met de eigenaar.

 

Omgevingsveiligheid bij bouwen en slopen

Het gaat om de omgevingsveiligheid rondom bouwplaatsen en werkterreinen zoals ten aanzien van steigers, kranen, aanvoer en opslag. De kans is vrij klein in het buitengebied, door de lage bebouwingsdichtheid en door de geringe verkeersstromen is er vaak voldoende ruimte voor een goede plaatsing.

 

Permanente bewoning recreatiewoningen

Er is strijdig gebruik van een recreatiewoning met het omgevingsplan als die wordt gebruikt als hoofdverblijf of permanent is bewoond. De kans is laag; ons buitengebied kent niet zo veel recreatiewoningen en er zijn geen recreatieparken. We zijn wel dat een recreatiepand aan een bedrijf wordt verhuurd dat tijdelijke werkzaamheden verricht in de buurt.

 

Duurzame opwekking energie

De diverse vormen van duurzame opwekking van energie (zonnevelden of -panelen, warmtepompen, kleinschalige windmolens, batterij-opslag) kunnen leiden tot overlast (vermindering uitzicht, lawaai, schaduw of veiligheidsrisico’s). Het risico is beperkt en de kans op overlast is in het buitengebied vrij laag.

 

Strijdig met eisen van welstand

In het buitengebied zijn de regels voor welstand er onder andere voor bedoeld om de zichtlijnen en uitstraling te borgen. Het komt wel eens voor dat panden en schuren niet helemaal voldoen. We constateren geen excessen.

 

Reclame

In onze APV staan algemene regels voor reclame-uitingen in de bouwwetgeving over het aanbrengen ervan. In het buitengebied zien we veel bebording langs de N11. De kans is hoog, veel reclame-uitingen overtreden onze algemene regels en er wordt vrijwel nooit een bouwvergunning voor aangevraagd.

 

5.3 Prioriteiten

De activiteiten die zijn ingedeeld naar de score op de prioritering zijn in de vorige paragraaf in die volgorde toegelicht. In de tabel staat aangegeven welke VTH-instrumenten we kunnen inzetten op de betreffende activiteiten om de effecten en risico’s te beheersen.

 

 

De manier waarop we de VTH-instrumenten inzetten en de capaciteit die daarmee is gemoeid is uitgewerkt in ons uitvoeringsprogramma dat we jaarlijks opstellen. In ons jaarverslag geven we aan in welke mate we de geplande uitvoering hebben gerealiseerd en in welke mate we onze doelen realiseren.

 

BIJLAGE: Risicomodel in detail

De bevatten de risicoscores voor de vier gebieden in detail. De effecten waarop de risicoscores zijn ingevuld behoeven de volgende toelichting:

  • Veiligheid: Persoonlijk en lichamelijk letsel (instortingsgevaar slopen, explosie)

  • Gezondheid: Persoonlijke gezondheid (verontreiniging bodem water, lucht)

  • Leefbaarheid: Overlast of vermindering kwaliteit (geluid, zwerfafval)

  • Duurzaamheid: Klimaat, grondstofverbruik (energieverbruik)

  • Natuur: Biodiversiteit, natuurwaarden (bomenkap, verstoring broedgebied)

  • Cultuur: Cultuurhistorie (aantasting erfgoed)

  • Financieel: Kosten (saneren verontreiniging, concurrentievervalsing)

  • Bestuurlijk: Imagoschade, negatieve publiciteit, vertrouwen burger in overheid

 

 

 

Naar boven